2018-09-17 16:32:44 |
人围观 |
评论:
-
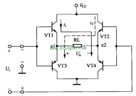
BTL是“平衡式无输出变压器”的英文缩写。此类功率放大器属于桥式推挽放大电路。BTL功率放大器的特点:一是采用单电源供电方式,二是采用上升沿和下降沿脉冲信号触发,三是采用双端直接耦合输出方式。此类功率放大器的效率高于OCL功率放大器,所以广泛应用在新型彩色电视机、彩色显示器、音响等电路中。
典型BTL功率放大器如下图所示。BTL功率放大器的功率放大管是由两个互补对称电路构成的四桥臂电路,负载RL接在两个互补对称电路的输出端,并且采用直接耦合输出方式。

电源电压VCC加到放大管VT1,VT2的集电极,为他们供电。静态时,由于没有信号输入,放大管VT1~VT4截止,无电压输出,RL上无电流流过。当输入Ui的正半周信号时,VT1和VT4导通,它们的集电极电流由VCC经VT1,RL,VT4到地构成回路,形成输出信号的上半周;当输入Ui的负半周信号时,VT2,VT3导通,它们的集电极电流由VCC,VT2,RL,VT3到地构成回路,形成输出信号的负半周。这样,就可以得到一个完整的信号。
-