2018-10-25 10:48:45 | 人围观 | 评论:

图一 CD4069闪烁灯
这是一个用CD4069反相器制作的led闪烁灯,它的电路原理图如下图六,led灯闪烁频率可以调节,led灯数量可以增加。

图二 CD4069集成电路外形
CD4069六反相器是众多40系列互补MOS集成电路之一,是典型的数字集成电路,它的结构很简单,是由六个反相器组成的,每个反相器就是一个非门电路,其常见的封装形式为双列直插式,如上图二;利用其非门性质可以组成振荡电路、反转电路等,其电路结构和原理简单、体积较小、价格便宜,在电子技术实践当中得到了广泛的应用。
一、4069六反相器推荐工作条件
电源电压范围3v-15v;
输入电压范围0v-VDD
工作温度范围:M类-55℃-125℃,E类-40℃-85℃
功耗700mw
静态电流25摄氏度时<4uA;
输出低电平电压0.05V;
输出高电平电压VDD-0.05V;
输入输出传播时间小于90ns
内部结构及管脚序号见下图三。

图三 CD4069六反相器内部结构及管脚
二、反相器基本概念以及与非门的关系
反相器,顾名思义,“反”就是反过来的意思,就是和前一个不一样,“相”就是相位、状态的意思,反相器就是非门电路,也即输入低电平输出就是高电平,或者输入高电平输出就是低电平;这里所说的高低电平是相对的,即高与低之间相对而言,并不是具体的某一个值,比如3v也可能是高电平也可能是低电平。电平高低是输入对输入输出对输出,比如输入1v为高电平,diangon.com-1v为低电平,输出3v为高电平,0v为低电平;不能拿输出的3v对输入的1v。这一点应该注意;反相器也可以是分立元件的,也可以是集成电路的,如CD4069就是集成电路反相器,其内部集成了六个反相器;下图是用分立元件组成的反相器,当输入低电平-6v时,输出为高电平0v,若输入为高电平0v,则输出为低电平-12v;这就是晶体管的倒相作用,其工作在开关状态(饱和、截止);

图四 分立元件反相器
三、反相器组成的振荡电路
反相器的用途非常广泛,最典型的就是振荡电路,其振荡频率较低;还作为开关作用,开关状态就是非门状态。
下图五是分立元件组成的反相器振荡电路,这个电路可以通过瞬时极性法进行分析,两个三极管放大电路相耦合,经过倒相两次输入和输出就是同相关系。可以将R4换成扬声器或led,在输出端可以输出振荡信号。这个电路中各元件VT1、VT2为9013管,R1、R2=27K-100K,R2、R4=2K-5.1K,Ec=3v-6v,C1、C2=0.1-10uF;保证各个三极管工作中放大状态, 电路必能起振。

图五 分立元件反相器组成的振荡电路
CD4069振荡电路有两种基本形式,还有一种改进电路;
1.振荡电路形式之一,如下图六,该电路的特点是电源的波动将使频率不稳定,适合于小于100kHz的低频振荡情况。其振荡周期T=2.2RC,工作原理利用了电容器的充放电和非门的倒相作用。设电路接通瞬间输出端C点为高电位,则电容两端电位不能突变,于是A端也是高电位,通过左边的非门B点为低电位,之后电容开始充电,极性上正下负,那么电容下端的电位逐渐降低,A点电位降低到低电位也即第一个非门的开启电压,电路发生翻转,B点高电位,C点低电位,电容开始放电,A点高电位对电容反充电....又一个循环开始了,振荡周而复始的进行下去。这个电路实质上和图五类似,用瞬时极性法也能理解。可以在C端接扬声器或led,如图一;C点为输出端。

图六 CD4069振荡电路
2.振荡电路形式之二,该电路是图一的改进,增加了补偿电阻Rs,使电路的振荡频率稳定性提高;

图七 CD4069改进型振荡电路
振荡电路形式之三,该电路的振荡周期同上。原理如下:设电路接通瞬间A点输入高电位,那么B点就是低电位,C点就是高电位,电容两端电压不能突变,D点为低电位,E点为低电位,C点通过电阻R对电容充电,电容两端电压左负右正,电压升高后,D点的电位升高,E点的电位升高,则F点变为低电位,新的振荡又开始了。F点为输出端。

图八 CD4069振荡电路
四、具体应用电路
1.4069振荡电路应用之一,三组振荡电路互相调制就可以发出高低快慢周期性变化的音调,声音酷似警笛声,具体元件参数见下表。

图九CD4069制作的警笛发生器

警笛发生器元件表
2.CD4069组成的逆变器,输出振荡信号通过三极管放大,控制MOS管的导通与截止,从而在输出端为220v电压。

图十 CD4069制作的逆变器
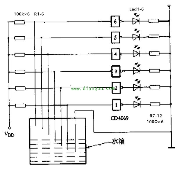
3.CD4069组成的水位指示器,在水不满时输入高电位,输出低电位,对应的led灯不亮,当水位上升时,电位降低,输出高电位,对应的led灯发亮,随着水位的上升,led灯依次发亮,反映了水位的高低情况。

图十一 水位显示器
全站搜索