你的位置: 首页 > 家电弱电 > 电子元器件

三极管非门电路原理

2016-10-26 16:57:05 | 人围观 | 评论:

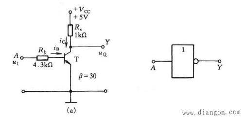
如图,所示,为三极管的一个最基础应用,非门,

还是如前面一样,分情况介绍,

1、当Ui=0v时,三极管处于截止状态,此时Y点输出电压Uy=Vcc=5v.

2、当Ui=5v时,三极管饱和导通,Y点输出为低.





标签:

相关内容推荐: