
图1 555构成单稳态触发器
上图1为由555定时器和外接定时元件R、C构成的单稳态触发器。D为钳位二极管,稳态时555电路输入端处于电源电平,内部放电开关管T导通,输出端Vo输出低电平,当有一个外部负脉冲触发信号加到Vi端。并使2端电位瞬时低于
,低电平比较器动作,单稳态电路即开始一个稳态过程,电容C开始充电,Vc按指数规律增长。当Vc充电到
时,高电平比较器动作,比较器A1翻转,输出Vo从高电平返回低电平,放电开关管T重新导通,电容C上的电荷很快经放电开关管放电,暂态结束,恢复稳定,为下个触发脉冲的来到作好准备。波形图见图2。

图2 单稳态触发器波形图
暂稳态的持续时间Tw(即为延时时间)决定于外接元件R、C的大小。
Tw=1.1RC
通过改变R、C的大小,可使延时时间在几个微秒和几十分钟之间变化。当这种单稳态电路作为计时器时,可直接驱动小型继电器,并可采用复位端接地的方法来终止暂态,重新计时。此外需用一个续流二极管与继电器线圈并接,以防继电器线圈反电势损坏内部功率管。
2、555定时器组成施密特触发器
电路如图3所示,只要将脚2和6连在一起作为信号输入端,即得到施密特触发器。图4画出了
、Vi和Vo的波形图。
设被整形变换的电压为正弦波
,其正半波通过二极管D同时加到555定时器的2脚和六脚,得到的Vi为半波整流波形。当Vi上升到
时,Vo从高电平转换为低电平;当Vi下降到
时,Vo又从低电平转换为高电平。
回差电压:
△V=

图3 555构成施密特触发器 图4 555构成施密特触发器的波形图
3、555定时器构成多谐振荡器
如图5,由555定时器和外接元件R1、R2、C构成多谐振荡器,脚2与脚6直接相连。电路没有稳态,仅存在两个暂稳态,电路亦不需要外接触发信号,利用电源通过R1、R2向C充电,以及C通过R2向放电端
放电,使电路产生振荡。电容C在
和
之间充电和放电,从而在输出端得到一系列的矩形波,对应的波形如图6所示。

图5 555构成多谐振荡器 图6 多谐振荡器的波形图
输出信号的时间参数是: T=
=0.7(R1+R2)C
=0.7R2C
其中,
为VC由
上升到
所需的时间,
为电容C放电所需的时间。
555电路要求R1与R2均应不小于1KΩ,但两者之和应不大于3.3MΩ。
外部元件的稳定性决定了多谐振荡器的稳定性,555定时器配以少量的元件即可获得较高精度的振荡频率和具有较强的功率输出能力。因此,这种形式的多谐振荡器应用很广。
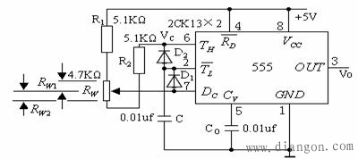
4、555定时器组成占空比可调的多谐振荡器
电路如图7,它比图5电路增加了一个电位器和两个引导二极管。D1、D2用来决定电容充、放电电流流经电阻的途径(充电时D1导通,D2截止;放电时D2导通,D1截止)。

图7 555构成占空比可调的多谐振荡器
占空比 
可见,若取
,电路即可输出占空比为50 的方波信号。
全站搜索