2016-12-25 16:15:18 | 人围观 | 评论:

作用:分流、限流、分压、降压、隔离、偏置等。
好坏判别:用万用表电阻挡测得实际阻值与标称值一致或在充许误差范围内为好。(烧坏一般变黑色)。在路测量实际阻值≤标称值。
阻值单位:欧姆(Ω),千欧(KΩ),兆欧(MΩ)等。
1 MΩ=1000 KΩ 1 KΩ=1000Ω
热敏电阻器:用“RT”表示,分为正温度系数热敏电阻(PTC)和负温度系数热敏电阻(NTC);特点是对温度敏感,不同的温度下表现出不同的电阻值。正温度系数热敏电阻器在温度越高时电阻值越大,负温度系数热敏电阻在温度越高时电阻值越低。
光敏电阻:又称光导管,用“RL”表示,在特定波长的光照射下,其阻值迅速减小的特性。
压敏电阻:用“RPS”表示,具有非线性伏安特性并有抑制瞬态过电压作用的固态电压敏感元件。当端电压低于某一阈值时,压敏电阻器的电流几乎等于零;超过此阈值时,电流值随端电压的增大而急剧增加。主要用于限制有害的过电压和操作过电压,能有效地保护系统或设备。还可用于消火花、消噪音、稳压等。
电 位 器:是阻值可以调整的电阻器,用“W或RP”表示;有旋转式、直滑式、带开关式;用万用表电阻挡测旁边两脚得实际阻值,分别测中间脚与旁边两脚,均匀调动转轴,表针均匀摆动无跳动为好;按“左入右地中间出” 接线;接触不良用无水酒精清洗即可。
电 阻 器 形 状

2、电容器 代号:C
电容器是一种容纳贮存电荷的器件,简称电容。电路中一般用“C”加数字表示。分无极和有极两类,有极新电容长脚为正极、短脚为负极。
特性:隔直流电通交流电。
作用:隔直,耦合,旁路,滤波,调谐回路、能量转换控制电路等方面。
好坏判别:两极短路放电后,用万用表电阻挡测,表针摆出后能返回到原处为好;表针摆出后不返回为短路;表针摆出后返回不到原处为好漏电;表针不摆出为开路;短路、开路、漏电严重为损坏。对于小电容,测量表针不摆动,再用串联“电笔法”或“交流信号法” 判定好坏,
电容器构造:由两片金属膜紧靠引出脚,中间用绝缘介质材料隔开而组成的元件。
符号:

耐压:表示容量在长期工作过程中能接受的最高电压值,单位:伏特(V)。代换电容时,容量一般上要相同,耐压要≥电源电压的1.414倍。
容量:容量的大小就是表示能贮存电能的大小;电容对交流信号的阻碍作用称为容抗,它与交流信号的频率和电容量有关。容抗XC=1/2πf c (f表示交流信号的频率,C表示电容容量)。
电 容 器 形 状

容量单位:法拉(F)表示、毫法(mF)、微法(uF)、纳法(nF)、皮法(pF)。
1 F =1000 mF 1 F mF =1000 uF 1 uF =1000 nF 1 nF =1000 pF
容量允许误差标示:符 号 F±1% ; G±2%; J ±5%;K ±10%;L±15% M±20%
如:一瓷片电容为104J表示 容量为0. 1 uF、误 差为±5%。
识别方法:电容的识别方法与电阻的识别方法基本相同,分直标法、色标法和数标法3种。
1)容量大的电容其容量值在电容上直接标明;如10 uF/16V
2)容量小的电容其容量值在电容上用字母表示或数字表示;字母表示法:1m=1000 uF 1P2=1.2PF 1n=1000PF
3)数字表示法:示为小数的或标示为一位或两位整数的,标示数就是容量值;标示为小数的,容量单位为uF;标示为整数的,容量单位为PF;标不标示耐压的耐压均为500V。
4)用三位数字表示容量大小,前两位表示有效数字,第三位数字是倍率(或补几个“0”个数)。如:①102表示10×10²PF=1000PF 224表示22×104PF=220000PF
②102表示前两位数“10”组成10,后一位数“2”表示在10后补二个“0”,得到的数为1000就是容量1000PF
5)数字表示法:标示为小数的或标示为一位或两位整数或三位整数个为0的,标示数就是容量值;标示小数的容量单位为uF;标示整数的容量单位为PF;标不标示耐压的耐压为500V。如:标示0.1=.01uF;标示12=12PF。
三、电感器 代号:L
电感线圈是将绝缘的导线在绝缘的骨架上绕一定的圈数制成,有的还加上磁芯或铁芯材料,通电后产生电感量,是能够把电能转化为磁能而存储起来的元件,又称扼流器、电抗器、动态电抗器。在电路中常用“L”加数字表示,如:L6表示编号为6的电感。
符号:

电感的特性:通直流电阻交流电。 直流可通过线圈,直流电阻就是导线本身的电阻,压降很小;当交流信号通过线圈时,线圈两端将会产生自感电动势,自感电动势的方向与外加电压的方向相反,阻碍交流的通过,交流电频率越高,线圈阻抗越大。
作用:滤波、升压、谐振、分频等。在电路中可与电容组成串、并联振荡电路。
好坏判别:用万用表电阻挡测有一定阻值不开、短路为好。(烧坏一般变黑色)。
电感单位:亨(H) 毫亨(mH) 微亨(uH)
1H=1000mH 1mH=1000uH
电 感 器 的 形 状

四、电源变压器 代号:B
是由一个原线圈与一个或多个副线圈在绝缘骨架加上硅钢片铁芯绕制成的;原理是电磁感应现象,即电生磁、磁再生电的原理;原线圈输入的是原来的交流电,经过线圈变化的电流产生变化的磁场,变化的磁场穿过副线圈,于是便产生了变化电流从副线圈输出。变压器转换的是交变电流(交流电)。
变压器符号:

初级次级电压和线圈圈数间具有下列关系:
式中N 称为电压比(圈数比).当N<1时,则N1>N2,V1>V2,该变压器为降压变压器,反之则为升压变压器。

绕制公式: N1/ N2 =V1/ V2式中:V1--输入电压 V2--与输出电压 N1---一级线圈匝数≥1000匝 与N2---次级线圈匝数。变压器线圈匝数越多,电磁感应越明显(输入电压V1=220V或380V;次级线圈N2根据输出电压V2的需要决定匝数)。输出功率与输入功率在理想变压器是一样的:P=IU(一般输出功率只有70---90%)。

5、脉冲变压器 脉冲变压器是变压器一种特殊类型,它所变换的不是正弦电压,也不是交流方波,而是接近矩形的单极性脉冲;脉冲变压器广泛应用于各种开关电源中。脉冲变压器一般是做脉冲高频信号耦合、阻抗变换、电压变换之用,指标要求比一般工频变压器高,铁芯常用高导磁铁合金或铁氧体,绕制要求比较严格。
6、扬声器 代号:Y
扬声器又称“喇叭”。是一种十分常用的电声换能器件。

分类:按工作频率分低音、中音、高音;按音圈阻抗分低阻抗和高阻抗、内磁式外磁式等。
1、扬声器有两个接线柱(两根引线),当单只扬声器使用时两根引脚不分正负极性,多只扬声器同时使用时两个引脚有极性之分。
好坏判别:用万用表R×1Ω挡或1.5V干电池,一边不断碰触两接线柱,能发出“喀喀”声。检测扬声器是粗略的,以听声音来主观评价它的质量好坏。
扬声器的主要性能指标:灵敏度、频响、功率、阻抗、指向性、失真度等参数。
1、额定功率 W或AV
扬声器的功率有标称功率和最大功率之分。标称功率称额定功率、不失真功率。
2、额定阻抗Ω
阻抗一般和频率有关。额定阻抗是指音频为400Hz时,从扬声器输入端测得的阻抗。它一般是音圈直流电阻的1.2~1.5倍。常见的阻抗有4Ω、8Ω、16Ω、32Ω等。
七、二极管:代号:D或BG;
是一种半导体元器件,由一个PN结构成。分正负极,P为正极,N为负极;有普通、稳压、变容、发光、开关、光电等二极管。
作用:整流、稳压、变容、发光(LED)、升压、开关等作用。
好坏判别:用万用表R×1K挡对换表笔测,正向阻值3―9K,反向阻值∞(无穷大)为好
电极判别:用万用表R×1K挡对换表笔测,正向阻值3―9K时,黑表笔接的一端为正极,
相反一端为负极。“小黑正”(注:从外观上看标有黑或白色的一端为负极)。
二极管特性:单向导电(电流只能从正极流向负极,反向不导电)。二极管符号:

稳压二极管:起稳压作用;稳压管的负极接正电压,正极接负电压(和普通的二极管接法相反),当加在稳压二极管的反向电压增加到大于稳压值时,稳压管就导通,形成一个反向电流,把负极电压限制在稳压值上。
发光二极管:它是半导体二极管的一种,可以把电能转化成光能;代号LED;也具有单向导电性,反向击穿电压约5伏,使用时必须串联限流电阻以控制通过管子的电流。限流电阻R可用下式计算: R=(E-UF)/IF 式中E为电源电压,UF为LED的正向压降,IF为LED的一般工作电流。LED使用低压电源,供电电压在6-24V之间,消耗能量较同光效的白炽灯减少80%;使用10万小时后,光衰为初始的50%。
光电二极管:和普通二极管一样,也是由一个PN结组成的半导体器件,也具有单方向导电特性。但在电路中它不是作整流元件,而是把光信号转换成电信号的光电传感器件。
双向触发二极管:具有对称性的二端半导体器件。常用来触发双向可控硅 ,在电路中作过压保护定时、移相、调速、调光等用途。测量双向触发二极管正、反向电阻值。正常时其正、反向电阻值均应为无穷大。若测得正、反向电阻值均很小或为0,则说明该二极管已击穿损坏。
二 极 管 形 状

8、单向可控硅 代号:BCR
是一种半导体元器件又称晶体闸流管,单向可控硅是由三个PN结PNPN组成的四层三端半导体器件与具有一个PN结的二极管相比,单向可控硅正向导通受控制极电流控制;可控硅对控制极电流没有放大作用。
符 号:

作用:整流、稳压、开关等作用。
好坏判别:用万用表R×1K挡对换表笔测AK、AG正反向阻值均为∞,测GK正向阻值3―9K,反向阻值∞为好管。
电极判别:用万用表R×1K挡对换表笔测GK,正向阻值3―9K时,黑表笔接的一端为G(控制)极,红表笔接的一端为K(阴极)极,另一端为A(阳极)极。
工作原理;可控硅导通条件:一是可控硅阳极与阴极间必须加正向电压,二是控制极也要加正向电压。以上两个条件,必须同时具备,可控硅才会处于导通状态。可控硅一旦导通后,即使降低控制极电压或去掉控制极电压,可控硅仍然导通。可控硅关断条件:降低或去掉加在可控硅阳极至阴极之间的正向电压,使阳极电流小于最小维持电流以下。
9、双向可控硅: 代号:SCR
双向可控硅具有两个方向轮流导通、关断的特性。双向可控硅实质上是两个反并联的单向可控硅,是由NPNPN五层半导体形成四个PN结构成、有三个电极的半导体器件。由于主电极的构造是对称的(都从N层引出),所以它的电极不像单向可控硅那样分别叫阳极和阴极,而是把与控制极相近的叫做第一电极A1,另一个叫做第二电极A2。双向可控硅的主要缺点是承受电压上升率的能力较低。这是因为双向可控硅在一个方向导通结束时,硅片在各层中的载流子还没有回到截止状态的位置,必须采取相应的保护措施。
作用:交流控制电路,如温度控制、灯光控制、防爆交流开关和交流电机调速、换向、交流稳压等电路。
电极和好坏判别:用万用表R×1挡或R×10挡对换表笔测T2、T1或T2、G极正、反阻值指针均不动;用万用表R×1挡或R×10挡对换表笔测T1和G极正、反向阻值均为几十至几百欧,其中必有一次阻值稍大,则稍大的一次红笔接的为G极,黑笔所接为T1极,余下是T2极。符 号:

如图上所示。因为它是双向元件,所以不管T1 ,T2的电压极性如何,若G极有信号加入时,则T1 ,T2间呈导通状态;反之,加G极触发信号,则T1 ,T2间有极高的阻抗。
单 双 向 可 控 硅 形 状:

10、三极管:代号: BG 或Q、V、T;
是一种电流控制型器件半导体元器件,又称晶体管;它由两个PN结构成,有三个电极,分别称基极(B)称集电极称(C)发射极(E);按导电类型分有PNP型和NPN型两种管;按功率分有大、中、小功率三种管;按用途分有高、低频两种管;晶体三极管的电流放大系数随温度升高而增大,在实际电路中,主要应用了放大电路和开关电路,是一种小电流控制大电流的放大元件。
作用:放大(电压电流)、稳压、开关、振荡等作用。
基极判别:用万用表R×1KΩ挡一支表笔固定某一极,另一支表笔去测另外两极,测量得两次阻值都比较小(3―9K)时,固定表笔接的脚就是基极;
型号判别:根据测量得基极时固定表笔的颜色,若测量得基极时固定表笔的颜色为红表笔,则该管为PNP型;若测量得基极时固定表笔的颜色为黑表笔,则该管为NPN型。
发射判别:用万用表R×10KΩ挡对换表笔去测另外两极,以测量得次阻值小的一次为准(30K以上);PNP型管红表笔接的脚就是E极“小红发”;NPN型管黑表笔接的脚就是E极“小黑发”;另一管脚为C极。
好坏判别:①用万用表R×1KΩ挡对换表笔测称B―C和B―E极,正向阻值3―9K,反向阻值∞(无穷大); ②用万用表R×10K挡对换表笔测称C―E极,正向阻值30K以上,反向阻值∞(无穷大);达①②条件为好管。
带阻尼型管好坏判别:①用万用表R×1Ω或R×10Ω挡对换表笔测称B―E极,正向阻值均为十几至几十欧;②用万用表R×1K挡对换表笔测称C―E极,正向阻值3―9K反向阻值∞(无穷大);达①②条件为好管。
放大能力测量:用万用表R×10KΩ挡;PNP管红表笔接C极,黑表笔接E极;NPN管黑表笔接C极,红表笔接E极;用手指接通B与C极时,表针摆动幅度越大说明该项管放大能力越好。表针无摆动为无放大能力已损坏。 符号:

三极管的三种工作状态
A、放大状态:三极管的BE极加正向电压时,在正偏状态(BE极之间电压为0.5-0.7V)这时集电极与发射极之间的电流大小受基极控制,三极管处于放大(导通)状态。
B、饱和(导通)状态:三极管的BE极加正向电压时,在超正偏状态(BE极之间电压大于0.7V以上)这时集电极与发射极之间的电阻很小,就像开关闭合一样,三极管处于饱和(导通)状态。
C、截止状态:三极管的发射极加反向电压或两断电压为零时,这时集电极与发射极之间的电阻很大,就像开关断开一样,三极管处于截止(不导通)状态;(Vb ≤Ve)。
1、放大电路:当基极(输入端)输入一个较小的基极电流时,其集电极(输出端)将按比例产生一个较大的集电极电流,这个比例就是三极管的电流放大系数。(VC >Vb > Ve)
2、放大作用的理解:三极管不会产生能量,但它可以通过小电流控制大电流;放大的原理就在于:通过小的变化的交流输入,控制大的静态直流起较大的相应的变化
3、开关电路:三极管在电路中通常用做电子开关。在开关状态下的三极管处于饱和(导通)状态和截止状态。
三极管放大工作状态下各电极电压电流的变化关系:
对于NPN型管:Vb↑--Ib↑--Ic↑--Vc↓--Ie↑--Ve↑;Vb↓--Ib↓--Ic↓--Vc↑--Ie↓--Ve↓
对于PNP型管:Vb↑--Ib↓--Ic↓--Ve↑--Ic↓--Vc↓;Vb↓--Ib↑--Ic↑--Ve↓--Ic↑--Vc↑
注:基极电压Vb;基极电流Ib;集电极电流Ic;集电极电压Vc;发射极电流Ie;发射极电压Ve;上升、增大↑;下降、变小↓
三 极 管 形 状

11、光耦元件:代号: IC
光耦隔离就是采用光耦合器进行隔离,光耦合器的结构相当于把发光二极管和光敏(三极)管封装在一起。发光二极管把输入的电信号转换为光信号传给光敏管转换为电信号输出,由于没有直接的电气连接,这样既耦合传输了信号,又有隔离作用。如下图:
12、三端稳压器: 代号:IC
三端稳压器件:如78xx、79xx 系列三端稳压器件是最常用的线性降压型DC/DC 转换器。单独的元件可用万用表测量各脚间电阻来粗略判别是否损坏,最好是接入电路中测量; 78系列输出是正压;79系列输出是负压。万用表测量其输出电压就可以判断其好坏了。(http://www.diangon.com/版权所有)用 途:用于电路的稳压.输出固定电压,以防止电压过高烧毁电路。类 别:三端稳压器的通用产品有78系列(正电源)和79系列(负电源),输出电压由具体型号中的后面两个数字代表;有5V,6V,8V,9V,10V,12V,15V,18V,24V等档次;输出电流以78(或79)后面加字母来区分L表示0.1;AM表示0.5A,无字母表示1.5A,如78L05表求5V 0.1A。使用注意事项:(VI)和(Vo)之间的关系,输入/输出之间要有2-3V及以上的电压差。例:7805 该三端稳压器的固定输出电压是5V,而输入电压至少大于7V。
79系列7905,-5V,引脚:1―地、2―进、3―出。78系列7805,+5V,引脚:1―进、2―地、3―出
十三、集成电路:代号: IC 集成电路是一种微型电子器件或部件。采用一定的工艺,把一个电路中所需的晶体管、二极管、电阻、电容和电感等元件及布线互连一起,制作在一小块或几小块半导体晶片或介质基片上,然后封装在一个管壳内,成为具有所需电路功能的微型结构;其中所有元件在结构上已组成一个整体。按其功能、结构的不同,可以分为模拟集成电路、数字集成电路和数/模混合集成电路三大类。外形如下

芯片命名方式太多了,一般都是 字母+数字+字母:前面的字母是芯片厂商或是某个芯片系列的缩写。中间的数字是功能型号。如:MC7805和LM7805,从7805上可以看出它们的功能都是输出5V,只是厂家不一样。后面的字母多半是封装信息,要看厂商提供的资料才能知道具体字母代表什么封。引脚排列:有单列引脚、双列引脚、四列引脚,引脚读数从有“.”标示处读起或放正型号数字对正自己,从下排脚读起。
14、继电器 代号:J
电磁继电器KV是一种电子控制器件,一般由电磁铁、衔铁、弹簧片、触点等组成;它具有控制系统(又称输入回路)和被控制系统(又称输出回路),通常应用于自动控制电路中,它实际上是用较小的电流.较低的电压去控制较大电流.较高的电压的一种电磁效应“自动开关”。故在电路中起着自动调节、安全保护、转换电路等作用。
电磁 继 电 器 形 状:

继电器的“常开、常闭”触点,可以这样来区分:继电器线圈未通电时处于断开状态的静触点,称为“常开触点”;处于接通状态的静触点称为“常闭触点”。用万用表电阻档测一下,有阻值的脚是线圈。
二、基本概念和基础电路
1、基本概念
交流电:用“AC” 或“~”表示。也称“交变电流”,简称“交流”。一般指大小和方向随时间作周期性变化的电压或电流。它的最基本的形式是正弦电流。交流电正弦波如下图:

三相交流电:由三个频率相同、电势振幅相等、相位差互差 120 °角的交流电路组成的电力系统,叫三相交流电。市电电网中,通常是四根线(称为三相四线,其中有一条线为中性线)。这三根相线电压变化的曲线为相同频率的正弦波,位相互相错开三分之一个周期。三线中每两相线之间的电压叫做“线电压”为380V;大小为相电压的1.73倍。这三根(火线)相线分别对接地线(中性线)的电压叫做“相电压”为220V,
母线的相序排列:(观察者从设备正面所见)原则如下:从左到右排列时,左侧为A相,中间为B相,右侧为C相。 从上到下排列时,上侧为A相,中间为B相,下侧为C相。 从远至近排列时,远为A相,中间为B相,近为C相。涂色:A-黄色,B-绿色,C-红色,中性线不接地紫色,正极-褚色,负极-兰色,接地线-黑色。
直流电:用“DC”或“━”表示。是指方向和时间不作周期性变化的电流,但电流大小可能不固定,而产生波形。电荷从高电势(+)处流向低电势处(-),所通过的电路称直流电路,是由直流电源和电阻构成的闭合导电回路。直流电源有化学电池,燃料电池,温差电池,太阳能电池,直流发电机等。
电流---用“I”表示。电流有两个含义:第一,电流表示一种物理现象,即电荷有规则的运动就形成电流。第二,电流的大小用电流强度来表示,而电流强度是指在单位时间内通过导体截面积的电荷量,单位是安培(库/秒),简称安,用大写字母A表示。但电流强度平时人们多简称电流。所以电流又代表一个物理量,这是电流的第二个含义。常用单位:1A安=1000mA毫安
电压---用“U”表示。电压就是电场中某点到参考点之间的电位差。在电工领域,通常选电 路里的接地点为参考点。在电子电路里,常取机壳为参考点。单位:V(伏特)
频率:用符号f表示。是表示交流电随时间变化快慢的物理量。即交流电每秒钟变化的次数叫频率。它的单位为周/秒,也称赫兹常用“Hz”表示,简称周或赫。例如市电是50周的交流电,其频率即为f=50周/秒。对较高的频率还可用兆周(MC)、千周(kC)和兆周(MC)作为频率的单位。
1 MC =1 kC 1 kC=1000 C
周期:用符号T表示。交流电变化一次所需要的时间叫周期。周期的单位是秒;周期和频率互为倒数,即:T=1/f
纯电阻电路:是最简单的一种交流电路。白炽灯、电炉、电烙铁等的电路都可以看成是纯电阻电路。
纯电感电路:一个忽略了电阻的空心线圈和交流电流源组成的电路称为“纯电感电路”。
视在功率:在交流电路中,电流和电压有效值的乘积叫做视在功率,即Ps=IU。它可用来表示用电器本身所容许的最大功率(即容量)。
有功功率----又叫平均功率。交流电的瞬时功率不是一个恒定值,功率在一个周期内的平均值叫做有功功率,它是指在电路中电阻部分所消耗的功率,以字母P表示,单位瓦特。
无功功率----在具有电感和电容的电路里,这些储能元件在半周期的时间里把电源能量变成磁场(或电场)的能量存起来,在另半周期的时间里对已存的磁场(或电场)能量送还给电源。它们只是与电源进行能量交换,并没有真正消耗能量。我们把与电源交换能量的速率的振幅值叫做无功功率。用字母Q表示。在交流电路中,电流、电压的有效值与它们的相位差φ的正弦的乘积叫做无功功率,即Q = Iusinφ
功率因数----在直流电路里,电压乘电流就是有功功率。但在交流电路里,电压乘电流是视在功率,而能起到作功的一部分功率(即有功功率)将小于视在功率。有功功率与视在功率之比叫做功率因数,以COSφ表示。是反映电能利用率大小的物理量。
三相电功率:三相交流电的功率等于各相功率之和。在对称负载的情形下,各相的电压均为Uφ、相电流Iφ以及功率因数cosφ都相等。因此三相电路的平均功率可写为:P =3UφIφcos。
负载---就是用电器。在电路中使用电能的各种设备统称为负载。
电动势----电路中因其他形式的能量转换为电能所引起的电位差,叫做电动势或者简称电势。用字母E表示,单位为:伏特V。
击穿---绝缘物质在电场的作用下发生剧烈放电或导电的现象叫击穿。
导体-----能够导电的物体叫导体。内部有很多可以自由移动的电子。如:银、铜、铝、石墨、铁等金属。
绝缘体-----不容易导电的物体叫绝缘体。内部电子被原子核束缚无法自由移动。如:橡胶、玻璃、陶瓷、塑料、干木头等。半导体----电阻率界于金属与绝缘材料之间导电性能处于导体与绝缘体之间的物体。如:锗、硅、硒、氧化铜、砷化镓、磷化镓、硫化镉、硫化锌、氧化锰、镓铝砷、镓砷磷等。电路------电路是电流所流经的路径。也叫电子线路或称电气回路。最简单的电路,是由电源、负载、导线、开关等元器件组成。由电气设备和元器件(用电器),按一定方式联接起来,为电荷流通提供了路径的总体,也叫电子线路或称电气回路,简称网络或回路。如电阻、电容、电感、二极管、三极管和开关等构成的网络。开路----也叫断路,因为电路中某一处因中断,没有导体连接,电流无法通过,导致电路中电流消失,一般对电路无损害。短路----电源不经过任何负载而直接由导线接通成闭合回路。易造成电路损坏、电源瞬间损坏、如温度过高烧坏导线、电源,发生火灾事故等。通路----能构成电流的流通,能形成闭合回路的路(也就是电流能从电源正极流出,再从负极流进)称之为通路 通路是在电路中,处处连通的电路。
自感----当闭合回路中的电流发生变化时,则由这电流所产生的穿过回路本身磁通也发生变化,因此在回路中也将感应电动势,这现象称为自感现象,这种感应电动势叫自感电动势。
互感----如果有两只线圈互相靠近,则其中第一只线圈中电流所产生的磁通有一部分与第二只线圈相环链。当第一线圈中电流发生变化时,则其与第二只线圈环链的磁通也发生变化,在第二只线圈中产生感应电动势。这种现象叫做互感现象。
感抗----交流电流过具有电感的电路时,电感有阻碍交流电流过的作用,这种作用叫做感抗,以Lx表示,Lx=2πfL.
容抗----交流电流过具有电容的电路时,电容有阻碍交流电流过的作用,这种作用叫做容抗,以表示,Cx=1/12πfc。
电位--电位是电压的一个特殊形式。在同一电路中,当选定不同的参考点,同一点的电位数值是不同的。
电导----物体传导电流的本领叫做电导。在直流电路里,电导的数值就是电阻值的倒数,以字母 表示,单位为欧姆。
电动势----电路中因其他形式的能量转换为电能所引起的电位差,叫做电动势或者简称电势。用字母E表示,单位为:伏特V
负载---就是用电器。在电路中使用电能的各种设备统称为负载。
击穿---绝缘物质在电场的作用下发生剧烈放电或导电的现象叫击穿。
电气连接--- 导体与导体之间直接提供电气通路的连接(接触电阻近于零)。
电感----自感与互感的统称。
脉动电流----大小随时间变化而方向不变的电流,叫做脉动电流。
振幅----交变电流在一个周期内出现的最大值叫振幅。
2、基础电路
1、三极管放大电路的基本原理
如下图以NPN管为例,我们把从基极B流至发射极E的电流叫做基极电流Ib;把从集电极C流至发射极E的电流叫做集电极电流Ic。这两个电流的方向都是流出发射极的,所以发射极E上就用了一个箭头来表示电流的方向。

三极管的放大作用就是:集电极电流受基极电流的控制(假设电源能够提供给集电极足够大的电流),并且基极电流很小的变化,会引起集电极电流很大的变化,且变化满足一定的比例关系:集电极电流的变化量是基极电流变化量的β倍,即电流变化被放大了β倍,所以我们把β叫做三极管的放大倍数(β一般远大于1,例如几十,几百)。如果我们将一个变化的小信号加到基极跟发射极之间,这就会引起基极电流Ib的变化,Ib的变化被放大后,导致了Ic很大的变化。如果集电极电流Ic是流过一个电阻R的,那么根据电压计算公式U=R*I可以算得,这电阻上电压就会发生很大的变化。我们将这个电阻上的电压取出来,就得到了放大后的电压信号了。
三极管在实际的放大电路中使用时,还需要加合适的偏置电路。这有几个原因。首先是由于三极管BE结的非线性(相当于一个二极管),基极电流必须在输入电压大到一定程度后才能产生(对于硅管,常取0.7V)。当基极与发射极之间的电压小于0.7V时,基极电流就可以认为是0。但实际中要放大的信号往往远比0.7V要小,如果不加偏置的话,这么小的信号就不足以引起基极电流的改变(因为小于0.7V时,基极电流都是0)。如果我们事先在三极管的基极上加上一个合适的电流(叫做偏置电流,上图中那个电阻Rb就是用来提供这个电流的,所以它被叫做基极偏置电阻),那么当一个小信号跟这个偏置电流叠加在一起时,小信号就会导致基极电流的变化,而基极电流的变化,就会被放大并在集电极上输出。(http://www.diangon.com/版权所有)另一个原因就是输出信号范围的要求,如果没有加偏置,那么只有对那些增加的一部份信号放大,而对减小的信号无效(因为没有偏置时集电极电流为0,不能再减小了)。而加上偏置,事先让集电极有一定的电流,当输入的基极电流变小时,集电极电流就可以减小;当输入的基极电流增大时,集电极电流就增大。这样减小的信号和增大的信号都可以被放大了。
三极管的三种(组态)放大形式
三极管作放大器使用时,有两个电极作为信号的输入端子,有两个电极作为信号的输出端子,必须有一个电极同时是输入和输出信号的公共端。按这个公共端不同选择,有共基极、共发射极、共集电极放大电路。如下图示:

共基极放大电路:电压、电流放大能力小,输入阻抗低输出阻抗高,主要应用于高频放大、振荡和阻抗匹配电路。
共发射极放大电路:电压放大增益大,输入输出阻抗中等,广泛应用于放大器电路。
共集电极放大电路:电流放大增益大,电压放大增益小;输入阻抗高输出阻抗低,可用作阻抗匹配电路。

偏 置 放 大 电 路
放大电路具有放大和反相的作用,而静态工作点的设置对放大电路的正常工作又具有极其重要的影响,可调节上偏置电阻Rb2来改变静态工作点。

RL---负载电阻;Vcc---工作电源;Vi---输入信号;Vo---输出信号;BG----放大管起放大作用。
Rb2---上偏置电阻;作用是为放大管BG的基极提供偏置电源,调节Rb2可以改变静态工作点。
Rb1---下偏置电阻;作用是与Rb2分压来稳定BG的工作点。使BG在温度变化时,基极电压保持稳定从而地稳定工作。
Rc---集电极电阻;作用是为BG的集电极供电,阻值大BG的电压放大倍数大、电流放大倍数小;阻值小BG的电压放大倍数小、电流放大倍数大。
Re---发射极电阻;实际上是一个直流负反馈电阻;作用是在温度变化时使BG能地稳定工作。

直流负反馈工作过程:
当BG温度上升时:Ic↑--Vc↓--Ie↑--Ve↑,这时Vb不变,基极与发射极之间的偏置电压Vbe↓--Ib↓--Ic↓--Vc↑使BG能地稳定工作。
当BG温度下降时:Ic↓--Vc↑--Ie↓--Ve↓,这时Vb不变,基极与发射极之间的偏置电压Vbe↑-- Ib↑--Ic↑--Vc↓使BG能地稳定工作。
C1、C2---是输入耦合电容和输出耦合电容;作用是通过隔直通交的作用,为交流信号提供通路,并隔断前后级之间的直流电。用PNP管时电容极性要接相反。
C3---发射极旁路电容;作用是把发射极输出的交流信号旁路落地,防止产生交流负反馈作用,降低了BG的增益。
交流负反馈工作过程:
当BG正信号输入时Ve↑,这时Vb不变,基极与发射极之间的偏置电压Vbe↓--Ib↓--Ic↓--Vc↑降低了BG的增益。
当BG负信号输入时Ve↓,这时Vb不变,基极与发射极之间的偏置电压Vbe↑-Ib↑--Ic↑--Vc↓降低了BG的增益。
将发射极电阻Re1和Re2合二而一,成为一个电阻Re,如图(c)所示,则在差模信号作用下Re中的电流变化为零,即Re对差模信号无反馈作用(相当于短路),因此大大提高了对差模信号的放大能力.
为了简化电路,便于调节Q点,也为了使电源与信号源能够“共地”,就产生了如图(d)所示的典型差分放大电路电。
差分放大电路电压放大能力只相当于单管共射极放大电路。差分放大电路是以牺牲一只管子的放大倍数为代价,换取了低温漂的效果。
2、电 源 整 流 电 路
电力网供给用户的是交流电,而各种无线电装置需要用直流电。整流,就是把交流电变为直流电的过程。利用具有单向导电特性的器件,可以把方向和大小交变的电流经过变压、整流、滤波和稳压四个过程变换为直流电。下面介绍利用晶体二极管组成的各种整流电路。
1、半波整流电路:是一种最简单的整流电路。它由电源变压器T、整流二极管D 和电阻性负载RL组成。变压器把市电电压(多为220伏)变换为所需要的交变电压U2,D 再把交流电变换为脉动直流电。

利用整流二极管D的单向导电性,将大小和方向都随时间变化的工频交流电变换成单方向的脉动直流电的过程称为整流。
整流工作原理:
正半周u2瞬时极性上(+),下(-),D正偏导通,二极管和负载上有电流流过。负半周u2瞬时极性上(-),下(+),VD反偏截止,负载上得不到电流。负载RL上电压和电流波形为u2的半个周期,故称半波整流电路。 只适用于小电流整流电路、充电使用。
2、波整流电路
变压器中心抽头式单相全波整流电路如图1.2.2所示。V1、V2为性能相同的整流二极管,V1的阳极连接A点,V2的阳极连接B点;T为电源变压器,作用是产生大小相等而相位相反的v2a和v2b。
2.工作原理
设v1为正半周时,图中A端为正,B端为负,则A端电位高于中心抽头C处电位,且C处电位又高于B端电位。二极管V1导通,V2截止,电流iV1自A端经二极管V1自上而下流过RL到变压器中心抽头C处;当v1为负半周时,B端为正、A端为负,则B端电位高于中心抽头C处电位,且C处电位又高于A端电位。二极管V2导通,V1截止,电流iV2自B端经二极管V2,也自上而下流过负载RL到C处,iV1和iV2叠加形成全波脉动直流电流iL,在RL两端产生全波脉动直流电压vL。

可见,在整个v1周期内,流过二极管的电流iV1、iV2叠加形成全波脉动直流电流iL,于是RL两端产生全波脉动直流电压vL。故电路称为全波整流电路。。
全波整流电路,可以看作是由两个半波整流电路组合成的。变压器次级线圈中间需要引出一个抽头,把次组线圈分成两个对称的绕组,从而引出大小相等但极性相反的两个电压e2
这种电路中,每只整流二极管承受的最大反向电压,是变压器次级电压最大值的两倍,因此需用能承受较高电压的二极管。
3、桥式整流电路
桥式整流电路是使用最多的一种整流电路。这种电路,只要增加两只二极管口连接成"桥"式结构,便具有全波整流电路的优点,而同时在一定程度上克服了它的缺点。
桥式整流电路的工作原理如下:e2为正半周时,对D1、D3和方向电压,Dl,D3导通;对D2、D4加反向电压,D2、D4截止。电路中构成e2、Dl、Rfz 、D3通电回路,在Rfz ,上形成上正下负的半波整洗电压,e2为负半周时,对D2、D4加正向电压,D2、D4导通;对D1、D3加反向电压,D1、D3截止。电路中构成e2、D2、Rfz、D4通电回路,同样在Rfz 上形成上正下负的另外半波的整流电压。如此重复下去,结果在Rfz ,上便得到全波整流电压。其波形图和全波整流波形图是一样的。从图5-6中还不难看出,桥式电路中每只二极管承受的反向电压等于变压器次级电压的最大值,比全波整流电路小一半!
目前,小功率桥式整流电路的四只整流二极管,被接成桥路后封装成一个整流器件,称"硅桥"或"桥堆"。

4、倍压整流电路
在一些需用高电压、小电流的地方,常常使用倍压整流电路。倍压整流,可以把较低的交流电压,用耐压较低的整流二极管和电容器,“整”出一个较高的直流电压。倍压整流电路一般按输出电压是输入电压的多少倍,分为二倍压、三倍压与多倍压整流电路。
电路由变压器B、两个整流 二极管D1、D2及两个电容器C1、C2组成。其工作原理如下:

e2正半周(上正下负)时,二极管D1导通,D2截止,电流经过D1对C1充电,将电容Cl上的电压充到接近e2的峰值√2E2 ,并基本保持不变。e2为负半周(上负下正)时,二极管D2导通,Dl截止。此时,Cl上的电压Uc1=√2E2与电源电压e2串联相加,电流经D2对电容C2充电,充电电压Uc2=e2峰值+1.2E2≈ 2√2E2。如此反复充电,C2上的电压就基本上是2√2E2 了。它的值是变压器电级电压的二倍,所以叫做二倍压整流电路。

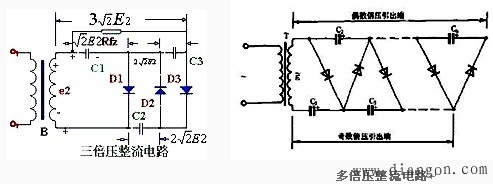
5、 三倍压整流电路
在二倍压整流电路的基础上,再加一个整流二极管D3和-个滤波电容器C3,就可以组成三倍压整流电路,三倍压整流电路的工作原理是:在e2的第一个半周和第二个半周与二倍压整流电路相同,即C1上的电压被充电到接 ,C2上的电压被充电到接近 。当第三个半周时,D1、D3导通,D2截止,电流除经D1给C1充电外,又经D3给C3充电, C3上的充电电压Uc3=e2峰值+Uc2一Uc1≈ 这样,在RFZ,,上就可以输出直流电压Usc=Uc1i+Uc3≈ + =3√2 E。,实现三倍压整流。

在实际电路中,负载上的电压Ufz≈3x1.2E2整流二极管D3所承妥的最高反向电压也是 电容器上的直流电压为 。
照这样办法,增加多个二极管和相同数量的电容器,既可以组成多倍压整流电路,见图三倍压整流电路。当n为奇数时,输出电压从上端取出:当n为偶数时,输出电压从下端取出。
必须说明,倍压整流电路只能在负载较轻(即Rfz较大。输出电流较小)的情况下工作,否则输出电压会降低。倍压越高的整疏电路,这种因负载电流增大影响输出电压下降的情况越明显。
用于倍压整流电路的二极管,其最高反向电压应大于 。可用高压硅整流堆,其系列型号为2DL。如2DL2/0.2,表示最高反向电压为2千伏,整流电流平均值为200毫安。倍压整流电路使用的电容器容量比较小,不用电解电容器。电容器的耐压值要大于1.5x ,在使用上才安全可靠。
3、直流稳压电路
稳压电路
后向调整电路(稳压电路)输送一个不稳定的脉动的直流电压ui。因ui或稳压电路输出电流 I0的变动而引起输出电压u0变化时,调整电路使u0保持原值或者只有极小的变动。调整电路中的调整管工作在线性放大区的称为线性电源,工作在非线性区的则称为开关电源。线性电源分为简单稳压电路、并联稳压电路、串联稳压电路和集成化稳压电路。

简单稳压电路
图2为简单稳压电路,由限流电阻 Rs和稳压二极管Dz组成。输出端输出稳压电压。当输入电压ui或输出电流I0在一定范围内升高或降低时,具有稳压特性的Dz上的电压 。

晶体管稳压电路。
负载电阻RL与调整管T相并联。当输入电压ui升高时,通过稳压管注入调整管基极的电流Ib增大,Ic和ur1≈IcR1也随之增加,输出电压u0仍然稳定不变。
这种稳压电路由于用作调整管的晶体管 T兼有放大作用,稳压性能有所提高,线路也不复杂,但性能仍不理想,实际上应用较少。


LM317是可调节三端正电压稳压器,在输出电压范围1.2伏到37伏时能够提供超过1.5安的电流。R2/R1的比值范围只能是0―28.6;317系列稳压块的型号很多:例如LM317HVH、W317L 、LM317HVA、LM317HVK等 。

全站搜索