2017-02-06 13:55:06 | 人围观 | 评论:
在电子镇流器、电子调光等电路中时常可以见到双向触发二极管元件。双向触发二极管是与双向晶闸管同时问世的,常用来触发双向晶闸管。

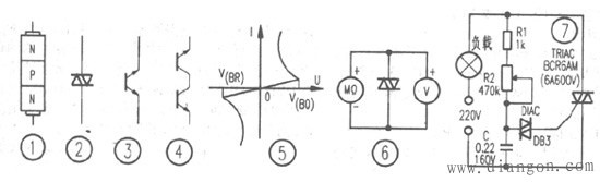
双向触发二极管的结构、符号、等效电路及伏安特性如图1所示。它是三层、对称性质的二端半导体器件,等效于基极开路、发射极与集电极对称的NPN晶体管。其正、反向伏安特性完全对称。
当器件两端的电压小于正向转折电Ubo时,呈高阻态;当 U>Ubo 时进入负阻区。同样,当|U|超过反向转折电压|Ubr| 时,管子也能进入负阻区。
转折电压的对称性用△Ub表示
△Ub=Ubo-|Ubr|
一般要求 △Ub<2U。 双向触发二极管的耐压值 Ubo 大致分三个等级:
20――60V,100――150 V,200――250 V 。
在实际应用中,除根据电路的要求选取适当的转折电压 Ubo 外,还应选择转折电流 Ibo 小、转折电压偏差△Ub小的双向触发二极管。

双向触发二极管除用来触发双向晶闸管外,还常用在过压保护、定时、移相等电路,图2就是由双向触发二极管和双向晶闸管组成的过压保护电路。当瞬态电压超过DIAC和Ubo时,DIAC迅速导通并触发双向晶闸管也导通,使后面的负载免受过压损害。

双向触发二极管(DIAC)属三层结构,具有对称性的二端半导体器件。常用来触发双向可控硅 ,在电路中作过压保护等用途。
图1是它的构造示意图。图2、图3分别是它的符号及等效电路,可等效于基极开路、发射极与集电极对称的NPN型晶体管。因此完全可用二只NPN晶体管如图4连接来替代。
双向触发二极管正、反向伏安特性几乎完全对称(见图5)。当器件两端所加电压U低于正向转折电压V(B0)时,器件呈高阻态。当U>V(B0)时,管子击穿导通进入负阻区。同样当U大于反向转折电压V(BR)时,管子同样能进入负阻区。转折电压的对称性用△V(B)表示。△V(B)=V(B0)-V(BR)。一般△V(B)应小于2伏。双向触发二极管的正向转折电压值一般有三个等级:20-60V、100-150V、200-250V。由于转折电压都大于20V,可以用万用表电阻挡正反向测双向二极管,表针均应不动(RX10k),但还不能完全确定它就是好的。检测它的好坏,并能提供大于250V的直流电压的电源,检测时通过管子的电流不要大于是5mA。用晶体管耐压测试器检测十分方便。如没有,可用兆欧表按图6所示进行测量(正、反各一次),电压大的一次V(BR)。例如:测一只DB3型二极管,第一次为27.5V,反向后再测为28V,则△V(B)=V(B0)-V(BR)=28V-27.5V=0.5V<2v,表明该管对称性很好。
图7是双向触发二极管与双向可控硅等元件构成的台灯调光电路。通过调节电位器R2,可以改变双向可控硅的导通角,从而改变通过灯泡的电流(平均值)实现连续调光。如果将灯泡换电熨斗、电热褥还可实现连续调温。
该电路在双向可控硅加散热器的情况下,可控负载功率可达500W,各元件参数见图所标注。
全站搜索