2016-11-25 17:48:06 | 人围观 | 评论:
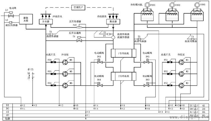
制冷站的功能是为大楼的空调系统提供冷源,它由制冷机组、冷却水循环泵、冷却塔、冷冻水循环泵、补水泵及电动蝶阀等组成。制冷机组包括压缩机、冷凝器、蒸发器及其他辅助装置,冷冻循环水进入制冷机组后,通过释放热量而达到降低水温的目的。制冷机组工作后吸收了大量的热量,所以,必须由冷却循环水来为其降温。

启动顺序:
冷却塔风机―冷却水蝶阀―冷却水泵―冷冻水蝶阀―冷冻水泵―冷水机组。
停止顺序:
冷水机组―冷冻水泵―冷冻水蝶阀―冷却水泵―冷却水蝶阀―冷却塔风机。
冷冻机组启停:
根据对冷冻循环水温度、流量的检测,送入 DDC计算出冷负荷;根据冷负荷及压差旁通阀的开度调整制冷机组的启停和供/回水总管上运行的电机台数。
压差旁通控制:
利用压差传感器检测冷冻循环水供/回水总管的压差,送入DDC与压差设定值比较,经过计算送出相应信号调节冷冻循环供水比例阀的开度,实现供/回水之间的旁通,来恒定供/回水管网之间的压差。
水泵控制:
DDC完成对冷冻泵、冷却泵的启停控制、运行状态、故障报警信号的管理。自动实现恒压控制、循环倒泵、备用替开等功能。
水流检测:
冷冻泵、冷却泵运行后,DDC接收水流开关对水流量的检测信号,当水流量很小或出现断流现象时,应提供报警并停止相应的机组运行。
冷却水温度控制:
将冷却循环水供 /回水总管上温度差值的检测信号送入DDC,实时控制冷却塔风机的启停和运行台数。
联锁控制:
冷冻水供 /回水温差、压差与旁通调节阀实现联动。
显示打印:
动态运行流程画面、数据查询、运行曲线,冷冻水湿度、 冷却水湿度、冷冻水流量、冷冻供/回水压差。故障报表、 数据报表。
参数监测:
冷冻水温度、压力,冷冻水回水流量,冷却水温度,冷冻水泵的状态、故障、水流,冷却水泵的状态、故障、水流,制冷机组的状态、故障,冷却塔风扇的状态、故障。
报警功能:
所有检测的参数超限报警,水流开关报警,所有上述设备故障的报警。
全站搜索