你的位置: 首页 > 电工知识 > 电动机

鼠笼式电动机自耦降压启动手动控制电路

2016-10-25 14:20:44 | 人围观 | 评论:

鼠笼式电动机自耦降压启动手动控制电路

 

按此在新窗口浏览图片

 

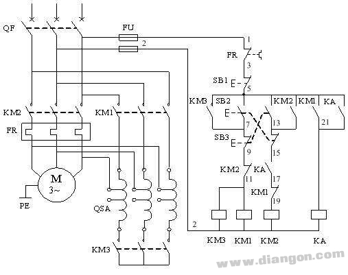
    自耦降压启动是利用自耦变压器降低电动机端电压的启动方法,自耦变压器一般由两组抽头可以得到不同的输出电压(一般为电源电压的80%和65%),启动时使自耦变压器中的一组抽头(例如:65%)接在电动机的回路中,当电动机的转速接近额定转速时,将自耦变压器切除,使电动机直接接在三相电源上进入运转状态。

    1、合上空气开关QF接通电源.

    2、按下启动按钮SB2,交流接触器KM3线圈回路通电,主触头闭合,自耦变压器接成星形。 KM1线圈通电其主触头闭合,由自耦变压器的65%抽头端将电源接入电动机,电动机在低电压下启动。

    3、KM1常开辅助触点闭合接通中间继电器KA的线圈回路,KA通电并自锁KA的常开触点闭合为KM2线圈回路通电做准备。

    4、当电动机转速接近额定转速时,松开按钮SB2,按下按钮SB3,KM1、KM3线圈断电将自耦变压器切除,KM2线圈得电并自锁,将电源直接接入电动机,电动机在全压下运行。

    5、电动机运行中的过载保护由热继电器FR完成.

    6、互锁环节;

    接触器互锁: KM2常闭触点接入KM3、KM1线圈回路

                 KM1常闭触点接入KM2线圈回路

    按纽互锁:   按纽SB2常开触点接入KM3、KM1线圈回路

                 按纽SB2常闭触点接入KM2线圈回路

                 按纽SB3常开触点接入KM2线圈回路

                 按纽SB3常闭触点接入KM3、KM1线圈回路

 

按此在新窗口浏览图片

 

鼠笼式电动机自耦降压启动手动控制电路接线示意图

安装与调试

    1、电动机自耦降压电路,适用于任何接法的三相鼠笼式异步电动机。

    2、自耦变压器的功率应予电动机的功率一致,如果小于电动机的功率,自耦变压器会因起动电流大发热损坏绝缘烧毁绕组。

    6、带电动机试验;经空载试验无误后,恢复与电动机的接线。再带电动机试验中应注意启动与运行的接换过程,注意电动机的声音及电流的变化,电动机起动是否困难有无异常情况,如有异常情况应立即停车处理。

    7、再次启动;自耦降压起动电路不能频繁操作,如果启动不成功的话,第二次起动应间隔4分钟以上,入在60秒连续两次起动后,应停电4小时再次启动运行,这是为了防止自耦变压器绕组内启动电流太大而发热损坏自耦变压器的绝缘。

 

常见故障

   1、带负荷起动时,电动机声音异常,转速低不能接近额定转速,接换到运行时有很大的冲击电流,这是为什么?

    分析现象;电动机声音异常,转速低不能接近额定转速,说明电动机起动困难,怀疑是自耦变压器的抽头选择不合理,电动机绕组电压低,起动力矩小脱动的负载大所造成的。

    处理;将自耦变压器的抽头改接在80%位置后,在试车故障排除。

    2、电动机由启动转换到运行时,仍有很大的冲击电流,甚至掉闸。

分析现象;这是电动机起动和运行的接换时间太短所造成的,时间太短电动机的起动电流还未下降转速为接近额定转速就切换到全压运行状态所至。

处理;延长起动时间现象排除。





标签: