2016-10-28 17:22:45 | 人围观 | 评论:
看图和看懂图是电工的一项基本技能,也是进行电气设备安装、维护和检修的前提条件。识读电动机电气控制图,关键是要做到8个“清”楚。
1.电动机电气控制图的种类―电气控制三类图,接线原理位置熟
电气设备控制图是电工领域中最主要的提供信息的方式,它以电动机或生产机械的电气控制装置为主要描述对象,提供的信息内容可以是功能及原理、位置、设置、设备制造及接线等。
电动机电气控制图属于电气设备控制图,可分为控制线路图、控制接线图和平面布置图。各种图的命名主要是根据其所表达的信息的类型和表达方式而确定的。
控制线路图―主要表示电气设备和元器件的用途、作用和工作原理。
控制接线图―主要表示电气设备和元器件的位置、配线方式和接线关系,不明显表示电气动作原理。
平面布置图―主要表示元器件在控制板上的实际安装位置,主要用于安装接线的检修。
在实际工作中,控制线路图、控制接线图和平面布置图要结合起来使用。
关于电工识图的基础知识,请读者阅读《轻轻松松学电工―基础篇》第7章,这里主要介绍与电动机控制线路有关的识图和绘图技能。
常见的电动机电气控制图有哪几种(见图1)?
图1 电动机电气控制图举例
图1 电动机电气控制图举例(续)
2. 电动机电气控制图的组成和特点―电气控制分三部,电源电路及主辅
电动机电气控制图一般由3部分组成,即电源电路、主电路和辅助电路(包括控制电路、
信号电路和照明电路)。
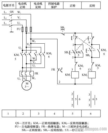
图2为电动机正反转电气控制图,电动机电气控制图中各组成部分的作用及特点见表1。
图2 电动机正反转电气控制图
表1 电动机电气控制图中各组成部分的作用及特点
(1)怎样绘制控制电气图
① 电路图通常水平绘制或垂直绘制。水平绘制时,电源线垂直画,其他电路水平画。
② 由多个部件组成的电气元件和设备通常采用集中表示法、半集中表示法和分开表示法。对于较复杂的电路,通常采用分开表示法。同一电气元件的各个部分一般不画在一起,而是按其在电路中起的作用分别画在不同的电路中。属于同一电器上的各个部件都标注相同的文字符号。例如,图1(a)中接触器KM的线圈和辅助触点画在辅助电路中,主触点画在主电路中,但文字符号统一用KM标注。相同元器件较多时,通常在文字符号后面加上数字来表示,如KM1、KM2等。
③ 所有电器、开关和触点的状态均以线圈未通电时的状态为准,如手柄置于零位,行程开关、按钮等处于不受力状态,生产机械在原始位置,即图中表示的是常态。
④ 有连接关系的交叉点用小黑点“・ ”表示,无连接关系的交叉点不画小黑点。
⑤ 电动机和电器的各个接线端子都有回路标号。元器件在图中有位置编号,以便寻找对应的元器件。将电路图划分成若干图区,并表明电路的用途、作用(在上方)及区号(在下方)。
⑥ 接触器以及电压、电流、时间继电器等,它们触点的动作是靠吸引线圈通、断电来实现的。但有些电器,如按钮、行程开关、压力继电器等没有吸引线圈,只有触点,这些触点的动作是靠外力实现的,绘图时应加以注意。
(2)怎样画安装接线草图
① 在画接线草图时,按照各电器的实际位置,同一电器的各个元器件画在一起,并且常用虚线框起来。如一个接触器,将其线圈、主触点、辅助触点绘制在一起并用虚线框起来。
② 凡是导线走向相同的一般合并画成单线。控制板内和板外各元器件之间的电气连接是通过接线端子来进行的。
③ 接线图中各电气元件的图形符号、文字符号以及端子的编号与电路图一致,可以对照查找。线束两端及中间分支出去的每一根导线的若干段标注同一标号。
④ 主电路用粗实线表示,辅助电路用细实线表示。
练一练:练习绘制电动机正反转控制接线图。
全站搜索