1. 定子串电抗器的降压起动方法
在电机的定子回路串入一定值的电感,即可限制住定子的起动电流,也相当于降低了加在电机定子上的电压。在电机起动结束后,再将电抗器切除。由于电机起动时的电磁转矩与电机定子所加电压的平方成正比,电抗器的电感不能选得太大,必须选得使电机的起动转矩大于负载转矩,同时还需留有一定的余量,以免电网电压跌落以及其它扰动使电机起动失败。
因此,电机定子串联固定电抗器起动的方法适应性差,同时在电抗器被切除时,还存在二次的电流冲击和转矩冲击。目前应用的场合已很少。
2. 用自耦变压器的降压起动方法自耦变压器的高压绕组接电网,低压绕组接电机,通过自耦变压器逐步升高加到电机上的电压,以限制电机的起动电流。与串固定电抗器起动方式相比,可以调节电机上的初始起动电压,可以适应不同的负载要求。同时,由于变压器作用,流过电网的电流也被缩小了相同变比的倍数,进一步减小了对电网的冲击。但是,用于起动的高压自耦变压器是有级的,而且不能全范围改变电压,在改变电压级别和切除自耦变压器时,都存在对电机的二次冲击。并且装置体积大,故障率较高,维护工作量大,目前应用的也不多了。
需要说明的是,在低压电机的起动中原来普遍应用的星―三角变换起动的方式,只适用于电机额定运行于三角型接法的场合,但高压电机基本额定运行于星型连接,因此星―三角变换的方法在高压电机的起动上基本见不到。
3 液阻式的降压起动方法该方式在电机定子回路内串入高压电阻,在起动过程中不断减小电阻值,起动完成后完全切除电阻。由于该电阻实质上是离子导电的电解液,因此可以称为液阻。由于在起动过程中调整电阻值的方法不同,出现了两种派生产品。
3.1 热变电阻软起动装置
该装置由液体电阻箱、电极、柜体及相关控制电路组成。电阻值的改变是利用电机起动电流使电解液升温,而电解液的负温度特性使其自身的电阻率降低来达到的。可以看到,它虽然实现了加到电机上电压的连续可调,但调节范围窄,液温达60℃后仍有40%~60%的电阻存在,在投入和切除时都有冲击。为使电阻的变化与电机的起动过程匹配,对电阻箱的容积和配液量都有确定的要求,因此热变电阻对电机负载的变化适应性不强,同时环境温度的变化对热变电阻的阻值有较大影响,难以实现连续多次起动。
3.2 液态软起动装置
该装置在电解液中有两个导电极板:一个固定极板和一个动极板。有一套伺服机构驱动动极板,通过改变两个导电极板在电解液中的距离而改变起动电阻值。可见其电阻值的变化范围较热变电阻要大,可以使电机在2.5~3倍额定电流下起动,同时通过测量电解液的温度改变极板的初始位置可以校核起动电阻初始值,比热变电阻的温度适应性要强。但其投入时电机的电流是阶跃上升的,虽然减小了冲击,但冲击仍存在。液阻的负温度系数特性同样使其对连续起动的要求适应性差。
液阻性软起动的共同优点是不产生谐波,而共同的缺点是体积大,其液体的性质使其应用环境受到一定限制,且是能耗器件,其消耗在电阻上的能量还是可观的。
4 磁控软起动装置软起动装置的一个发展趋势是利用成熟的电力电子技术和现代控制技术对传统的起动装置进行改进,磁控软起动装置就是一个很好的例子,它是从电抗器软起动发展而来的。图1为其工作原理框图。

图1 磁控软起动装置工作原理框图
由图1可见,电抗器演变成了电感值可调的饱和电抗器,通过电力电子器件―晶闸管控制饱和电抗器的直流励磁电流,来改变饱和电抗器电感值从而达到改变电机起动电流的目的。由于系统控制采用了现代控制器件―plc,实现了电机起动电流的闭环控制,使电机可以恒流或按要求的曲线起动,大大改善了软起动装置的起动性能。
电力电子器件及plc本身的响应速度是很快的。可以达到周波级,但饱和电抗器具有较大的磁惯性,达到秒级,使整个系统的响应速度受到制约。同时电力电子器件具有极大的功率放大倍数,所需的控制功率极小,器件本身的功耗也很小,但饱和电抗器的功率放大倍数约为20~50倍,因而系统仍需要较大的控制功率。但是在该装置中电力电子器件的功率等级只需达到饱和电抗器的控制功率就够了。
5 开关变压器软起动装置开关变压器软起动装置也是近年来出现的一种利用电力电子器件―晶闸管的开关特性来使变压器的输出电压连续可调,从而实现高压电机软起动的装置。图2是其工作原理图。

图2 开关变压器软起动装置工作原理图
与自耦变压器软起动装置相反,开关变压器的高压绕组接在电机的定子侧,低压绕组接晶闸管,通过低压侧晶闸管的通断,来控制开关变压器高压侧的阻抗,等效控制了加到电机上的电压。通过改变晶闸管的导通角,开关变压器软起动装置可以获得连续可调的、较宽的电压变化范围。
开关变压器软起动装置利用变压器实现高低压隔离和降压作用,避免了一直让国内厂商棘手的晶闸管串联应用问题,但付出的代价也是昂贵的:一套满足起动容量的变压器加一套等容量的电力电子装置,虽然晶闸管的工作电压降低了,但其通过的电流却同比放大了。
6 晶闸管移相调压软起动装置晶闸管移相调压软起动装置即人们常说的固态软起动,在低压领域因其技术可靠和优异的性能而得到广泛的应用。但在3kv及以上的中、高压电机的起动应用中,因为晶闸管器件的电压水平不够而必须面临串联应用,被许多的国内厂商视为畏途。
近年来,国内厂商在svc领域也取得了突破,在钢铁领域的许多招标中取代了进口产品。单就可靠性要求而言,hvdc和svc比软起动装置的要求高得多。因此晶闸管软起动装置在高压电机软起动中的应用并没有技术上的太大障碍。
近年来,我国在功率半导体器件―晶闸管的高压化方面也取得突破,6.5kv和8.5kv的高压晶闸管系列相继商品化,使我国高压晶闸管的串联应用技术达到国际水平。
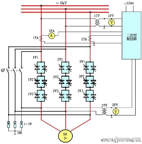
2002年由株洲变流技术国家工程研究中心开发的6kv,2000kw晶闸管软起动装置在中原油田一次投运成功,其后有几十台高压晶闸管软起动装置在钢厂、煤矿、纸厂、水厂、化工厂投入运用。图3为高压晶闸管软起动装置工作原理图。

图3 高压晶闸管软起动装置工作原理图
高压晶闸管软起动装置直接将晶闸管串入高压电机的定子回路,通过移相控制加到电机上的电压。用现代dsp控制器进行闭环控制,可以实现多种控制方式,具有自诊断和多种保护功能。由于晶闸管是控制器件和dsp控制器的强大功能,整个装置的响应速度在一个周波内,可以作为电机的综合保护器。
影响高压晶闸管软起动装置推广应用的重要原因是目前其价格还比较高,虽然国产化后其价格已仅为进口同类产品的一半或更低,但比液阻等软起动装置要高出不少,一个重要的因数是目前的晶闸管元件价格较高,但随着高压晶闸管软起动装置的不断推广应用,随着晶闸管元件的应用批量不断增大及其产生成品率的不断提高,其价格会处于不断下降的趋势。
7 变频变压的软起动装置变频器主要用于交流电机的调速应用和有重载起动要求的场合。变频器用于交流电机起动时,具有降压起动方式所无法比拟的技术性能优势,但目前其价格是同功率晶闸管软起动产品的3~5倍。在起动高压特大容量交流同步电机的应用中,象超过20mw的高炉风机、抽水蓄能电站的抽水电机等,目前都无一例外地用上了国外著名公司―abb或西门子的自控式同步电机变频调速系统,甚至有的是用一拖二的方案。图4为用于自控式同步电机起动的交―直―交变频器原理图。

图4 自控式同步电机起动的交―直―交变频器原理图
图4中变频器为电流型,采用晶闸管做开关器件,利用同步电机的反电势实现晶闸管的换流。在高压电机起动的实际应用中,采用的是高―低―高的方式,整流器侧有降压变压器,降到2.9kv,逆变侧用输出变压器将电压升到电机电压10kv。用该变频器起动,电流冲击小,起动力矩大,起动快,起动功率只需电机功率的约四分之一。
作为软起动装置的最高技术产品,国外的变频软起动不论是装置容量还是可靠性,都比国内的降压软起动产品有较大的优势。