一、接触器互锁控制线路
在电气控制系统中,有时要求两个电动机M1和M2不准同时接通,或同一电动机驱动的执行元件有两个相反的动作(如主轴正反转、工作台的上下双向移动等),或两个电气元件不允许同时得电,这时就要用到互锁控制线路。如图1所示,分别将KM1、KM2的动断(常闭)触点串接在对方线圈所在电路,使KM1、KM2的触点互相制约,可保证KM1、KM2的线圈不会同时得电。此外,还可将复合按钮或行程开关的常闭触头串接在对方接触器的线圈电路中来实现机械互锁。

图1 互锁控制线路
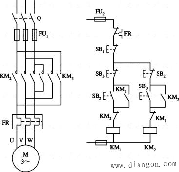
二、接触器联锁的三相异步电动机正反转控制线路
大多数机床的主轴或进给运动都需要正反两个方向运行,故要求电动机能够正反转。在电工学课程中我们学过,只要把电动机定子三相绕组任意两相调换一下接到电源上去,电动机定子相序即可改变,从而电动机就可改变方向了。
如果我们用两个接触器KM1和KM2来完成电动机定子绕组相序的改变,那么由正转与反转启动线路组合起来就成了正反转控制线路。
图2所示控制线路的工作过程是:当电动机M停转时,如要M正转,则按下SB2,其常闭触头先打开,其常开触头后闭合,KM1线圈得电,其常闭辅助触头先断开,其常开主触头后闭合,M正向启动运转,常开辅助触头闭合自保; 当M正转时,如要M反转,则按下SB3,其常闭触头先打开,KM1线圈失电,M的定子切断正序电源,其常开触头后闭合,在KM1常闭触头复位前提下,KM2线圈得电自保,M反转; M反转变为正转与正转变为反转类似。此控制线路采用复合按钮SB2、SB3与接触器KM1、KM2联合控制,可避免由于KM1或KM2的常闭辅助触头烧结时而造成的电源短路。
图2 正反转控制线路
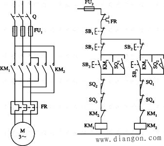
有的机床工作台需要自动往返运行,而自动往返运行是利用行程开关来检测往返运动的相对位置的。
图3所示为机床工作台往返运动的示意图。行程开关SQ1(反向转正向)、SQ2(正向转反向)分别固定安装在床身上,反映循环的两端点,撞块A、B固定在工作台上,随着运动部件的移动可压下行程开关SQ1、SQ2,使其触头动作,并使电动机正反向运转。
图3 工作台往返运动示意图
图4所示为往复自动循环的控制电路,其工作过程是:合上Q,按下SB2,KM1线圈得电自锁,M正转,驱动运动部件前进,当前进到位,撞块B压下SQ2,其常闭触头断开,KM1线圈断电,M切断正序电源,但SQ2常开触头闭合,又使KM2得电,M反转,运动部件后退,当后退到位时,撞块A压下SQ1使KM2断电,KM1通电,M由反转变为正转,如此周而复始地自动往复工作。按下SB1时,M停转。若换向用行程开关SQ1、SQ2失灵,则由限位开关SQ3、SQ4的常闭触头切断M的电源,避免运动部件因超出极限位置而发生事故。

图4 往复自动循环控制线路
