你的位置: 首页 > 电工知识 > 电动机

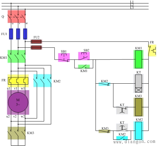
星―三角降压起动控制线路图解

2017-01-11 09:48:47 | 人围观 | 评论:

按下启动按钮SB2后,KM1的辅助动合触点闭合并自锁,同时使KT和KM3的支路得电,KM3主触点闭合,形成星形连接;KT得电后即开始延时过程,其两个延时触点均不动作;延时时间到后(此间电机转速已接近额定转速),KT的延时断开常闭触点断开,使KM3线圈失电,主触点断开,KT的延时闭合常开触点闭合,使KM2线圈得电并自锁,其主触点闭合,形成三角形连接,完成星三角降压启动。





标签:

相关内容推荐: