2019-01-17 17:09:45 | 人围观 | 评论:

星三角降压启动
这个是手动控制的接线图,主线部分的接线一定要注意相序,启动时电机星型接法,运行的时候是三角形接法。右边的控制线部分,KMY和KM△要互锁,启动按钮SB2按下去以后,KM一直是自锁状态,几秒延时以后我们手动按下SB3,这时候KMY线圈失电,同时KM△自锁。SB3的按钮开关常开点串KM△的线圈常闭点串KMY的线圈。

这个是带延时继电器的星三角
带延时继电器的星三角更加方便,接线和上图的手动控制类似,只不过把按钮开关换成了延时继电器。按钮开关SB2按下去以后KM1自锁,同时延时继电器的线圈得电启动,延时继电器KT常闭点串KM2线圈,KT常开点串KM3线圈,延时时间到了以后KM3自锁。KM3的辅助常闭点串延时继电器的线圈,所以启动完成后,延时继电器也会断电。

控制电机正反转完整接线
这个电路用的非常多,其实就是接触器自锁和互锁的结合应用。KM1和KM2的线圈分别串彼此的辅助常闭点。一般实际应用的时候,SB2和SB3两个按钮也要机械互锁。双重互锁更加的安全。

一键启停
这个电路没有太大的实用性,但是非常适合学习。2个中间继电器和一个交流接触器,我们看一下电路,2个继电器互锁,KA1的线圈串KM的辅助常闭点,KA2的线圈串KM的辅助常开点。所以按下SB按钮开关KA1自锁,同时KA1的常开点闭合KM自锁,实现了启动操作。然后再按下SB按钮开关,KA2又会自锁,KA2的常闭点会断开,而KA2的常闭点是串的KM的线圈,所以同时KM线圈失电,实现停止操作。

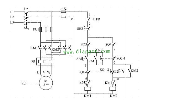
小车自动往返电路
这个电路也很经典,其实它是控制电机正反转的加强版。利用行程开关实现自动往返的效果,按下SB1启动按钮KM1自锁,小车开始正向走,当碰到限位开关SQ1时,KM1线圈失电KM2自锁,小车又反向运行。只要不按下SB3这个停止按钮,它就会循环运行。

星三角加正反转
星三角我上图分析过了,控制电机正反转也分析过了。
全站搜索