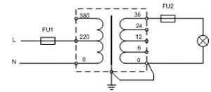
画日光灯、双控灯、安全灯的接线原理图  日光灯  双控灯  安全灯 接线并指出各元件的作用 1、镇流器:它在启辉器接通时,限制日光灯的灯丝电源(灯丝发热,加热灯管内的汞蒸气,以降低其放电电压);在启辉器恢复断开状态时,灯管内汞蒸汽气体放电,因其气体放电电阻很小,仍靠镇流器限制其放电电流。此外,在启辉器恢复断开状态瞬间,在镇流器的铁芯内可能有残存的磁场能,它会转化为电场能,在镇流器两端产生一个反电动势,它与电源电压叠加,有利于灯管内气体放电。 2、启辉器:这旨一个充有氖气及两个电极构成的充气管,其中的一个电极为双金属片。开关闭合后,氖气放电(这时,由于灯管内汞蒸汽处于冷态,放电电压高,不能放电),使双金属片受热变形,直至两极接通,为灯丝电流提供了通路。启辉器两极的接通,其内部不再放电而冷却,经过一定时间而恢复到断开状态。灯管内已被加热了汞汽,由于其放电电压已经下降而放电,灯管发光。 灯具接线要求 1、安装高度: (1)一般室内(办公室、商店、居民住宅)灯头对地应不低于2m。 (2)潮湿及危险场所(相对湿度85%以上、环境温度40%以上、有导电灰尘、导电地面)灯头对地应不低于2.5m。 (3)室外的临时灯,安装高度一般不应低于3m。 2、开关的安装: (1)拉线开关:安装高度一般应距地面2~3m,距顶棚0.3m,拉线垂下距门口0.15-0.2m。 (2)暗装开关:安装高度一般应距地面1.2~1.4m;距门口0.15~0.2m。 (3)搬把开关应使操作柄搬向下时接通电路,搬向上时断开电路。 3、灯具的固定: (1)1Kg以下的灯具:可直接用导线吊装,但应在灯头及吊盒内做“结扣”。 (2)1~3Kg的灯具:应用吊链或管吊装,采用吊链吊装时,导线应编在吊链内。 (3)3Kg以上的灯具:应安装在预埋件(吊钩或螺栓)上。 4、安全灯的安装: (1)安全灯变压器的铁芯及外壳要接地(零),如不是加强绝缘的,二次的一端也要接地。 (2)一次线要使用护套线,其长度应不超过3m。 (3)一、二次侧均应有短路保护(例如装熔断器)。 (4)不应将安全灯变压器带入金属容器内使用。 5、灯头接线: 无论安装何种灯具,开关应控制相线。使用螺丝灯口时,相线应接顶芯,零线接螺口。灯泡容量在100W及以上的,要使用瓷质灯口。安装日光灯时,镇流器容量应与灯管的容量相适应。 6、插座的安装要求: (1)明装插座距地面应不低于1.8m,暗装插座应不低于0.3m,儿童活动场所应用安全插座。 (2)不同电压等级的插座,在结构上应有明显区别,以防插错。 (3)严禁翘板开关与插座靠近安装。 |