2018-11-07 17:44:31 | 人围观 | 评论:

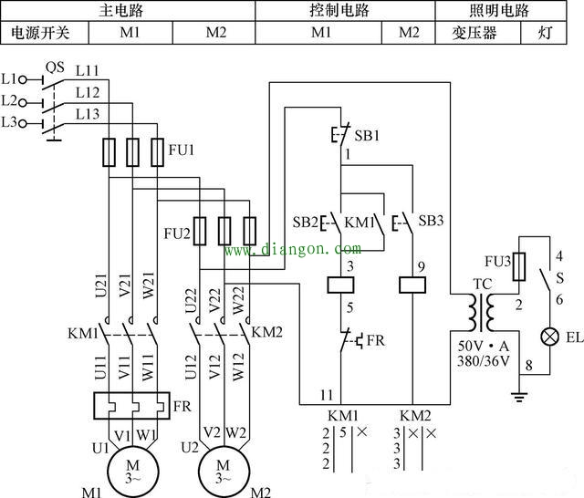
图 电动机控制电路
(1)第一步。在该电气图中,两台三相电动机M1和M2的工作电路,即为主电路。这两台三相电动机起动装置的拉线方法,均为Y形(星形)起动法。
辅助电路则为控制电路和照明电路。
(2)第二步。在识读主电路时,要弄清楚电动机是用什么元器件控制的。图中的电动机是用接触器控制的。当接触器KM1吸合时,电动机M1起动;当接触器KM2吸合时,电动机M2起动。
(3)第三步。要识读主电路中所用的控制电器及保护电器。图中,两条主电路中接有电源开关QS、热继电器FR和熔断器FU1,分别对电动机M1起过载保护和短路保护作用。熔断器FU2,则对电动机M2和控制电路起短路保护作用。
(4)第四步是看电源,要了解电压等级是380V还是220V。从图中知,电动机M1和电动机M2的电源电压应均为三相380V。主电路的构成情况是:三相电源L1L2L3、、→电源开关QS→熔断器FU1→接触器KM1→热继电器FR→三相电动机M1。另一条支路,则是熔断器FU2接在熔断器FU1端头U21、V21、W21上→接触器KM2→三相电动机M2。
辅助电路的电源,一般是从主电路上接出来,电压既可能是380V,也可能是220V。图1-20中,辅助电路的电源是从主电路的两条相线上接出来,因此电压为380V。
在图中,辅助电路有两条支路,即接触器KM1和KM2支路,其动作过程为:
(1)闭合电源开关QS后,主电路和辅助电路均有电压,辅助电路由线段U22、V22和W22、V22引出。
(2)当按下起动按钮SB2时,即形成一条支路,电流经U22→停止按钮SB1→起动按钮SB2→接触器KM1→热继电器FR的热元件→V22形成回路,使接触器KM1得电吸合。接触器KM1吸合,闭合其主电路中主触点,电动机M1接入电源,开始运转。同理,按下起动按钮SB3,电动机M2开始运转。
在起动按钮SB2两端并接了接触器KM1的辅助动合触点KM1(1-3)触点。其作用是:在松开起动按钮SB2时,SB2触点断开,因此KM1已起动,辅助动合触点KM1(1-3)已闭合,电流经辅助触点KM1(1-3)流过,电路不会因起动按钮SB2的断开而失电,辅助触点KM1(1-3)起了自保持作用。对于接触器KM2,由于工作的要求,不需自保持,当SB3松开,电动机M2即停转。
(3)停车只要按下停止按钮SB1。SB1串联在KM1和KM2电路中。按下停止按钮SB1,电路开路,接触器KM1、KM2失电,使主电路中的接触器主触点断开,电动机失电。当再起动时,必须重新按下起动按钮SB2、SB3。
综上所述,电动机的起动由接触器或断电器控制,而接触器或继电器的吸合或释放则由开关或按钮控制。这种开关或按钮→接触器或继电器→电动机的控制形式,就是机械自动化的基本形式。
在图中,EL是局部照明灯,TC是380/36V照明变压器,提供36V安全电压。照明灯开关S闭合时,照明灯EL就亮。识读这些电气设备和电气元器件(如整流设备和灯具)比较容易,只要知道它们的线路走向和电路的来龙去脉就行了。
全站搜索