2019-10-10 17:27:23 | 人围观 | 评论:

自锁
按下自复按钮开关SB2以后,接触器KM吸合。SB2复位以后,接触器KM通过自身的常开点持续吸合,这就是自锁。
要点:启动按钮并联KM的常开点。

互锁
互锁一般出现在正反转电路中,为了避免2个接触器同时吸合,2个接触器之间必须电气互锁。
要点:KM2的常闭点串KM1的线圈,KM1的常闭点串KM2的线圈。

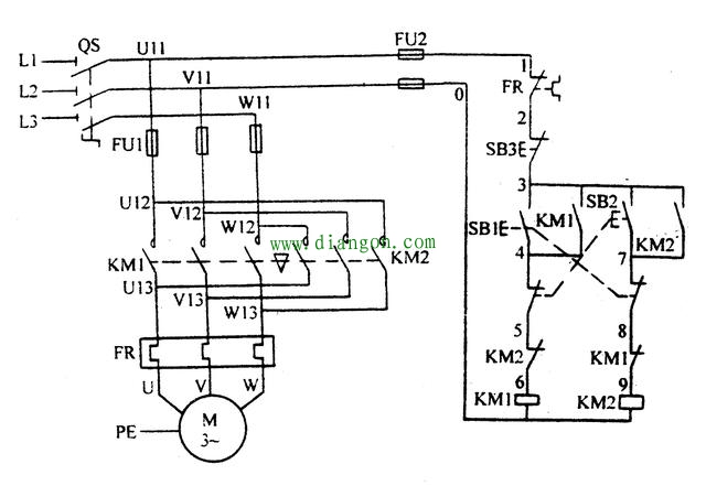
双重互锁
双重互锁控制电机的正反转更加的安全,这个电路里包含KM1和KM2电气互锁,SB1和SB2机械互锁,同时KM1和KM2都有自锁的效果。
全站搜索