2021-01-02 13:33:33 |
人围观 |
评论:
-
电力系统是电力工业的基本形态,它是由发、输、变、配、用电各个环节构成的一个统一整体。发电机将机械能转化成三相交流正弦波电能,为了减小在输电线路上电能的损失,需要升压变压器进行升压,然后用高压进行输电,经过多次降压输送到靠近10kV用户终端变配电所。在上述过程中用三相交流线路进行输送电能。对于三相四线制和三相五线制是对于低压系统来说的,电力系统中规定交流1000V及以下电压等级为低压。
对于10/0.4kV等级的用户终端变配电所来说,指的是从变压器二次侧到用电负荷的低压配电系统。《供配电系统设计规范》GB50052-2009第7.0.1条“带电导体系统的型式,易采用单相二线制、两相三线制、三相三线制和三相四线制。低压配电系统接地型式,可采用TN系统、TT系统、IT系统。”三相四线制,三相是指从三相变压器二次侧接引的A相、B相和C相三个相线;四线是指三相变压器二次侧接引的A相、B相和C相三个相线和一个中性线,目前10kV配电变压器采用Dyn11联结组别的变压器,变压器二次侧为星形接法,考虑到有单相负荷,从其中性点引出一个线为中性线,三个相线加上一个中性线即为四线。三相五线制是我国电气技术中一个错误的名词,根据《供配电系统设计规范》GB50052-2009第7.0.1条将低压配电系统分成了两类,一类是按照配电系统中的相数和带电导体数进行的分类,即带电导体系统;另一类是按照低压配电系统的接地型式。有些人员认为三相五线制比三相四相四线制多了一个PE线,三个相线加一个中性线再加一个PE线,所以称为三相五线制。PE线是为了保护人身安全设立的保护接地导体,在正常情况下PE线是不电的。我国电气设计的泰斗王厚余先生在其著作《建筑电气装置500问》中写道“所谓带电导体是指正常工作时通过负载电流的相线和中性线,而不是指不带负载电流的PE线。”“三相五线制是一个混淆接地系统和带电导体系统两个互不关联的系统的错误名词,在编制电气规范和设计文件时应注意避免采用。”

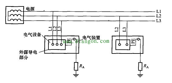
下面在谈一谈低压配电系统的接地型式。低压配电系统接地系统可以分为TN系统、TT系统、IT系统。第一个字母说明电源中性点与大地的关系,T表示电源中性点与大地直接连接,I表示电源与大地隔离或电源的中性点经高阻抗与大地连接。第二个字母说明电气装置的外露导电部分与大地的关系,T表示设备外露导电部分直接接大地,这个地与电源的地是相互独立的,N表示设备外露导电部分通过与电源中性点的连接而接地。对于TN系统又可以分为TN-C系统、TN-S系统和TN-C-S系统。 TN-C系统是指在整个系统内N线和PE线是合一的。TN-S系统是指在整个系统内N线和PE线是分开的。TN-C-S系统是指在整个系统内,有一部分线路N线和PE线是合一的。

图2 TN-C系统

图3 TN-S系统

图4 TN-C-S系统

图5 TT系统

图6 IT系统
通过上述分析可知,三相四线制是低压配电系统按照带电导体系统分类中的一种。三相四线制带电导体系统的接地系统既可以采用TN-C系统,也可以采用TN-S系统、TN-C-S系统和TT系统。(https://www.diangon.com/版权所有)TN-S系统、TN-C-S系统和TT系统末端导线的个数均为5个,都可称作所谓的“三相五线制”,那又如何将它们加以区分呢?所以三相五线制是一个混淆接地系统和带电导体系统两个互不关联的系统的错误名词,在编制电气规范和设计文件时应注意避免采用。
-