2016-12-27 16:28:40 | 人围观 | 评论:


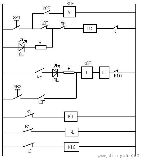
KCF(I):电流防跳继电器,电流达到限定值时动作,此回路中,防止合闸于故障时的跳跃
KCF(V):电压防跳继电器,电压达到限定值时动作,此回路中,防止分闸于故障时的跳跃
动作过程如下:
合闸:SB1按下à绿灯(GL)失电熄灭,LC得电à断路器合闸àQF改变状态à红灯(RL)亮,KCF(I)得电【由于有RL和R的限流,分闸线圈LT不足以动作】àKCF各辅助触点改变状态àKCF(V)得电
达到上述状态,则合闸动作完成,此过程几乎瞬时完成,SB1尚来不及松开。
若此时由于故障,保护装置使断路器跳闸,则由于KCF(V)的保持作用,SB1回路经KCF辅助触点改道KCF(V)回路,不会再使LC得电,也就避免了断路器的再次合闸,从而避免了跳跃的发生。
如果回路没有故障,则合闸成功。此时松开SB1,则KCF(V)失电,但由于KCF(I)依然得电,则KCF的各个辅助触点保持。
分闸:SB2按下àRL失电熄灭,LT得电且达到限定电流动作à断路器分闸àQF恢复到图中初始状态à正常状态下,在合闸成功后,各KCF辅助触点仍然保持合闸后的状态,使SB1支路经由KCF(V)导通à松开SB2àKCF(I)、KCF(V)均失电à各KCF辅助触点恢复图中初始状态,GL回路导通,绿灯亮【由于有GL和R的限流,LC合闸线圈不足以动作】
若由于故障,最典型如SB1粘连:由于合闸成功后各KCF辅助触点的保持,此时,SB1回路改道KCF(V)回路,不会再使LC再次得电而导致断路器合闸,从而避免了跳跃现象的发生。
三、增加闭锁回路
增加了防跳回路的控制回路已得到了一定的完善,但是仍存在问题:例如断路器的操动系统存在问题(液压、气压过高或过低,弹簧储能尚未完成等),此时进行分、合闸操作,则很容易导致分、合闸的动作失败。例如:断路器的操动机构为弹簧,若弹簧储能未完成,则分、合闸动作不能完成,或完成得不到位,容易对设备造成损害。
故需增加闭锁回路,防止此类情况发生。下面以弹簧操动机构的断路器举例,简要说明一下增加弹簧储能闭锁回路的二次回路。
原理图如下:

B1:弹簧储能未完成时闭合
若弹簧储能未完成,则B1闭合,线圈K3、KL得电,最终导致辅助触点KL、K10跳开,此时无论是合闸还是分闸均无法实现,起到了所期望的闭锁效果。
四、进一步的完善
直到第三节,本文所欲简述的断路器二次回路已初具雏形,但仍需做进一步的完善:指示灯RL和GL直接接在分、合闸线圈所在回路中,如果所用的是功率较大的白炽灯,则会在分、合闸线圈上产生较大压降,同时切断分、合闸线圈时可能产生的较大干扰电压也容易使白炽灯烧坏。要避免上述缺点,可以用中间继电器接在分、合闸回路,再由继电器接点控制指示灯,原理图如下:

(其原理相对简单,此处不再赘述)
全站搜索