2016-12-02 12:20:55 | 人围观 | 评论:

这两种电流互感器接安培表的方法有何区别
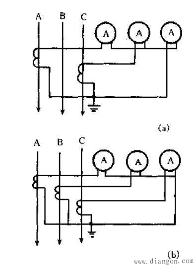
答:第一种接线:左侧电流表测得是A相电流,中间电流表测得是C相电流,右侧电流表测得是A相与B相的电流的向量和电流值。在负载对称的三相电,其三相电的和电流(即零线电流)=0,故A相与C相矢量和电流在数值上与B相电流相等,相位相反(IA+IC=-IB)。由于电流表只显示电流值,故可以用A相与C相的矢量和电流值来代表B相电流值。此种方法优点可节省一个电流互感器。缺点当三相负载不平衡时,其三相电的和电流(零线电流 IN)≠0,此时用A相与C相的矢量和电流值来代表B相电流值就不准确了,因为此时它包含零线电流与B相电流的矢量差(IA+IC=IN-IB)。
第二种接线:左侧电流表测得是A相电流,中间电流表测得是B相电流,右侧电流表测得是C相电流,即每一相都有自己的电流互感器与电流表进行测量,即三块电流表测的电流是三相电的真实电流值,故三相负载是否平衡都不会影响各电流表的测量准确性。
全站搜索