2016-12-09 11:11:12 | 人围观 | 评论:
电流互感器二次侧电流线圈通过的电流, 反映了一次电路对应相的电流。该接线方式通常用在负荷平衡的三相电路中电流的测量, 或在继电保护中作为过负荷保护接线。
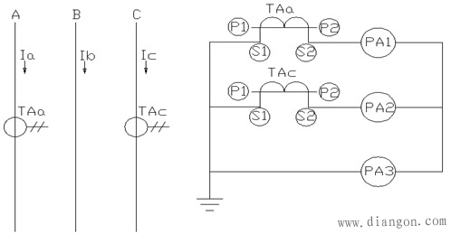
2. 两相式V型接线
两相形接线, 又称为两相继电器接线如图。二次设备电流线圈流过的电流就等于互感器的二次电流, 它反映了相电流的大小。又由Ia+Ic=-Ib可知, 互感器二次侧公共线上的电流, 正好是未接互感器相的反相二次电流, 因此这种接线的三个电流线圈分别反映了三相电流, 所以该测量电路广泛应用于中性点不接地而负载不论平衡与否的三相三线制电路中, 供继电保护测量之用
两相电流差接线, 又称为两相单继电器接线如图说示,其二次侧公共线流过的电流等于两个相电流的向量差,这种接线多用于三相三线制电路的继电保护中
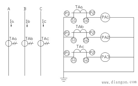
4.三相完全星形接线
这种接线中的三个电流线圈, 正好反映了各相的电流。该接线法被广泛应用于负荷不论平衡与否的三相电路中, 特别用于三相四线制系统电流或线路保护测量。

全站搜索