2017-01-27 10:47:18 | 人围观 | 评论:

一个单相电压互感器接线方式
一个单相电压互感器的接线,用于对称的三相电路,二次侧可接仪表和继电器。
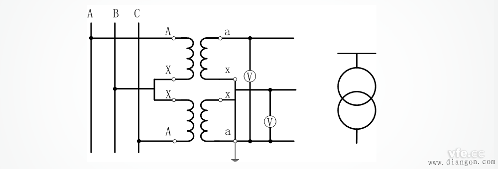
二、两个单相电压互感器互V/V型的接线方式

两个单相电压互感器互V/V型的接线方式
两个单相电压互感器的V/V形接线,可测量线电压,但不能测相电压,它广泛应用在20kV以下中性点不接地或经消弧线图接地的电网中。
三、三个单相电压互感器Y0/Y0型的接线方式

三个单相电压互感器Y0/Y0型的接线方式
可供给要求测量线电压的仪表和继电器,以及要求供给相电压的绝缘监察电压表。
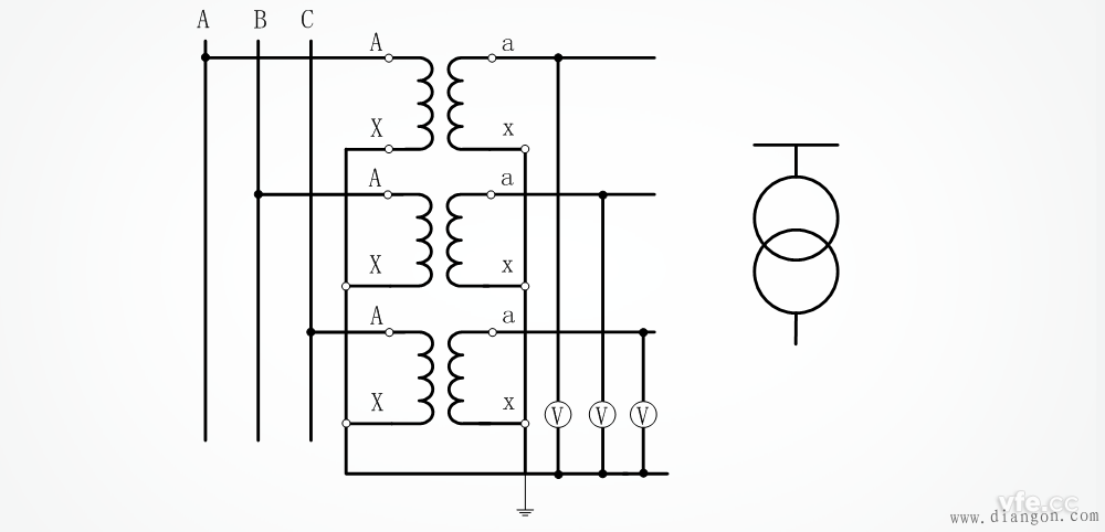
四、三个单相三绕组电压互感器或一个三相五柱式三绕组电压互感器接成Y0/Y0/Δ型

三个单相三绕组电压互感器或一个三相五柱式三绕组电压互感器接成Y0/Y0/Δ型
接成Y0形的二次线圈供电给仪表、继电器及绝缘监察电压表等。辅助二次线圈接成开口三角形,供电给绝缘监察电压继电器。当三相系统正常工作时,三相电压平衡,开口三角形两端电压为零。当某一相接地时,开口三角形两端出现零序电压,使绝缘监察电压继电器动作,发出信号。用于3~220kV系统(110kV及以上无高压熔断器),供接入交流电网绝缘监视仪表和继电器用。
全站搜索