你的位置: 首页 > 电工知识 > 互感器

电压互感器误差测量

2017-03-28 13:24:05 | 人围观 | 评论:

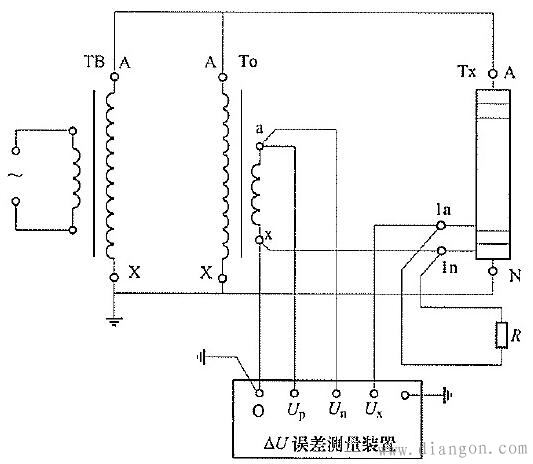
  TB――试验变压器;TO――电压比例标准器,可以由标准器级联组合而成;
  Tx――非传统电压互感器;R――二次电压负载电阻。
图示:差值法原理测量非传统电压互感器误差线路
  如上图所示为使用差值法原理的误差测量装置测量非传统电压互感器输出误差的线路,途中误差测量装置为电位差型,检流计接在差压回路,调节电压微差源使检流计指示平衡时,差压回路电流接近为零。为了不改变标准装置和被检互感器的接地状态,误差测量装置采用高电位端测差方式。





标签: