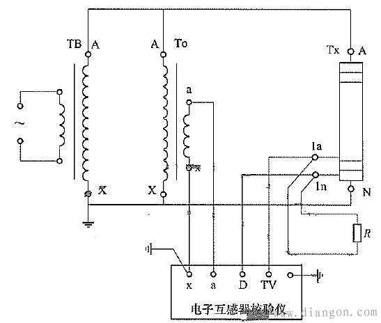
采用交流采样方法对非传统互感误差进行测量时应当使用电子互感器校验仪作为交流采样原理的误差测量装置,仪器的模数变化率不少于16位,采样率不低于4KHz。采样准确度负荷0.02级交流采样装置要求。电子互感器校验仪的电压输入回路TV-D应具有足够小的输入电流,电流输入回路TA-D应具有足够低的输入压降,使接入误差减小到可以忽略的程度。 为减少试验电源波动和模数变化位元对测量结果的影响,一般使用多次测量的统计平均值作为测量结果。
 图示:交流采样测量非传统电压互感器误差线路 TB――试验变压器;TO――电压比例标准器,可以由标准器级联组合而成。 TX――非传统电压互感器;R――二次电压负载电阻。 使用交流采样法原理的误差测量装置测量非传统电压互感器误差的线路如上图所示。采用交流采样方法的电子互感器校验仪采样电压比例标准器输出参数及被试电压互感器二次输出电压,通过对比标准值及被测值输入电压误差完成对被试非传统电压互感器二次输出误差测量。 |