首页
电工知识
机械维修
仪器仪表
工业控制
试题总结
安全用电
电力配电
电工配件
导航
本站搜索
电工知识
机械维修
仪器仪表
工业控制
试题总结
安全用电
电力配电
电工配件
家电弱电
业界资讯
通信技术
你的位置:
首页
>
电工知识
>
继电器
时间继电器怎么接线
2017-02-21 14:42:04 | 人围观 |
评论:
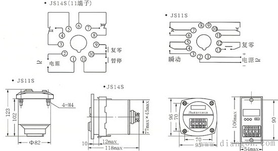
先预置所需的延时时间,然后接通电源,此时显示屏从零开始计时,当达至所预置的时间时,延时触头实行转换,数显保持此时的数字,实行定时控制。
时间继电器接线图
注意:
时间继电器型号不同,脚功能不一定相同,接线也就不一定相同。
< 上一篇
热继电器的图形及文字符号
下一篇 >
热继电器与接触器安装顺序
标签:
相关内容推荐:
2022-06-09
空气式时间继电器结构图
2022-05-03
时间继电器的急用替换?
2020-01-27
时间继电器工作原理是怎么样的?三分钟看懂时间继电器原理
2019-07-04
空气式时间继电器工作原理图解
2019-04-07
时间继电器的作用原理、结构、规格型号、电气符号 你需要了解的知识都在这里
2019-04-07
时间继电器的结构原理图解
2019-04-07
时间继电器选用注意事项
2018-09-11
通电延时和断电延迟时间继电器的区别
2018-09-11
时间继电器延时断开原理详解
2017-04-06
时间继电器控制串电阻降压起动控制线路图解
2017-03-09
什么是时间继电器?它有哪些延时方法?
2017-02-21
时间继电器怎么接线
推荐阅读
什么都不会可以学习电工吗?电工难学吗?电工应该怎么样入门?电工应该怎么样学精通?
安防门禁系统常见故障及维修方法
智能门锁用什么电池好?智能门锁电池用碳性好还是碱性好?常见5号AA电池选购指南
装修时零线火线接反了怎么办?老电工教您一招三分钟搞定
小型断路器上标数字都表示什么?小型断路器参数解析
电工经验分享:几个小窍门让你工作起来得心应手
万用表判断单相电机好坏方法图解
家装配电箱接线是否每个回路的零线都要接在零线排上?
电工入门到底该怎么样学习?电工入门应该五步走
电热水壶内部电路原理图及故障维修方法
最热文章
安装监控需要多少钱?人工费怎么算?安装监控收费标准
电容的公式
电热水壶内部电路原理图及故障维修方法
2020年电工职业资格证取消了?电工职业资格证退出国家目录
7812引脚图及参数,7812稳压电路图
雅迪电动车控制器接线图解读
plc编程工资多少一个月
汽车电动车窗的组成和电路图工作原理图解
新版电工证是不是只有电子版?电工证二维码能造假吗?新二维码电工证照图片
漏电保护器图形符号和文字符号
全站搜索