首页
电工知识
机械维修
仪器仪表
工业控制
试题总结
安全用电
电力配电
电工配件
导航
本站搜索
电工知识
机械维修
仪器仪表
工业控制
试题总结
安全用电
电力配电
电工配件
家电弱电
业界资讯
通信技术
你的位置:
首页
>
电工知识
>
继电器
固态继电器电路原理
2017-04-06 16:31:44 | 人围观 |
评论:
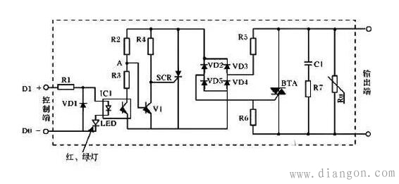
固态继电器是一种无触点继电器。由微电子电路,分立电子器件,电力电子功率器件组成。可以分为输入电路,电气隔离部分,输出电路组成。如下图所示就是一种典型固态继电器电路原理图:
典型固态继电器电路原理图
< 上一篇
中间继电器选型需要考量的要素
下一篇 >
继电器的合理使用
标签:
相关内容推荐:
2022-06-09
固态继电器选型要素
2022-05-03
万用表电阻档检测固态继电器的方法图解
2022-03-13
固态继电器的技术参数及选用方法
2021-01-02
同为继电器电磁继电器与固态继电器的异同点
2020-11-07
单相固态继电器如何接线?
2019-04-07
如何合理选择固态继电器的型号和规格
2019-03-12
固态继电器SSR控制和驱动方法图解
2017-04-19
固态继电器电流规格选择
2017-04-19
固态继电器基本性能测试电路
2017-04-19
固态继电器的选用原则
2017-04-06
固态继电器电路原理
2017-03-09
固态继电器工作原理和接线图
推荐阅读
什么都不会可以学习电工吗?电工难学吗?电工应该怎么样入门?电工应该怎么样学精通?
安防门禁系统常见故障及维修方法
智能门锁用什么电池好?智能门锁电池用碳性好还是碱性好?常见5号AA电池选购指南
装修时零线火线接反了怎么办?老电工教您一招三分钟搞定
小型断路器上标数字都表示什么?小型断路器参数解析
电工经验分享:几个小窍门让你工作起来得心应手
万用表判断单相电机好坏方法图解
家装配电箱接线是否每个回路的零线都要接在零线排上?
电工入门到底该怎么样学习?电工入门应该五步走
电热水壶内部电路原理图及故障维修方法
最热文章
安装监控需要多少钱?人工费怎么算?安装监控收费标准
电容的公式
电热水壶内部电路原理图及故障维修方法
2020年电工职业资格证取消了?电工职业资格证退出国家目录
7812引脚图及参数,7812稳压电路图
雅迪电动车控制器接线图解读
plc编程工资多少一个月
汽车电动车窗的组成和电路图工作原理图解
新版电工证是不是只有电子版?电工证二维码能造假吗?新二维码电工证照图片
漏电保护器图形符号和文字符号
全站搜索