你的位置: 首页 > 电工知识 > 继电器

过热保护继电器的外形及内部结构_过热保护继电器的控制关系图解

2020-07-09 15:59:13 | 人围观 | 评论:


图 过热保护继电器的外形及内部结构
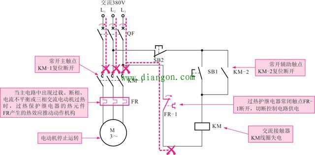
过热保护继电器是利用电流的热效应来推动动作机构使其内部触点闭合或断开的,主要用于电动机的过载保护、断相保护、电流不平衡保护以及热保护。


图 过热保护继电器的连接关系


图 电路异常时过热保护继电器的控制关系





标签:[db:tags]