2018-09-11 10:59:42 | 人围观 | 评论:

接触器结构说明:由电磁系统、触头系统、灭弧装置、复位弹簧等几部分构成。 电磁系统:包括可动铁心(衔铁)、静铁心、电磁线圈; 触头系统:包括用于接通、切断主电路的大电流容量的主触头和用于控制电路的小电流容量的辅助触头;灭弧装置:用于迅速切断主触头断开时产生的电弧,以免使主触头烧毛、熔焊,对于容量较大的交流接触器,常采用灭弧栅灭弧。
弄清楚交流接触器的原理和结构图后,下边介绍该如何对交流接触线接线了,它分为主回路和控制回路接线,先说明原理图接线,然后再介绍实物图接线。
1、交流接触器主回路接线

主回路接线比较简单,就是三进三出,上进下出。这6六条全部要接到主触头上,主触头故名思议就是用来和用电器接触的或者接在主回路上,要注意裸露的铜芯不宜太长,否则容易发生安全事故,也不能太短,否则容易接触不良,螺丝要用对口的螺丝刀拧进入,用力要均衡中庸,拧好螺丝后,用力扯一下,如果扯不下来就是合格的。
2、交流接触器控制回路接线
控制回路,一般利用接触器上的辅助触头,结合辅助的按钮,继电器或者指示灯,通过互锁、自保等方法来实现给接触器的线圈供电控制。具体电路和具体控制需要有不一样,下边以异步电机启动控制电路为案例来说明。
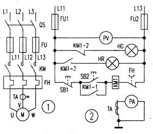
案例1、电动机直接启动电路


所谓一次电路,是电动机绕组工作电流经过的电路元件和导线:二次电路是保证设备正常运行不可缺少的辅助电路.二次电路的主要功能有控制、测量、信号和保护等。使电动机启动运行和停止运行的电路是二次电路的控制功能电路;电压、电流、功率及功率因数等电参数的测量显示是其测量功能;运行和停止指示灯、异常报警声响等是二次信号回路的电路元件:热继电器、电动机保护器等元件可以实现电动机保护功能。下面具体分析电动机直接启动电路的工作过程。
图1中,三相电源的火线(相线)Ll、L2和L3接在隔离刀开关QS上端。QS的作用是在检修时断开电源.使受检修电路与电源之间有一个明显的断开点,保证检修人员的安全。FU是一次回路的保护用熔断器。准备启动电动机时,首先合上刀开关QS,之后如果交流接触器KM主触点闭合,则电动机得电运行:接触器主触点断开,电动机停止运行。接触器触点闭合与否.则受二次电路控制。
图2中.FUl和FU2是二次熔断器. SBl是停止按钮.SB2是启动按钮.FH是热继电器的保护输出触点。按下SB2。交流接触器KMl的线圈得电,其主触点闭合,电动机开始运行。同时,接触器的辅助触点KMl-1也闭合。它使接触器线圈获得持续的工作电源,接触器的吸合状态得以保持。习惯上将辅助触点KMl一1称做自保(持)触点。
电动机运行中.若因故出现过流或短路等异常情况,热继电器FH(见图1)内部的双金属片会因电流过大而热变形,在一定时限内使其保护触点FH(见图2)动作断开,致使接触器线圈失电,接触器主触点断开,电动机停止运行,保护电动机不被过电流烧坏。保护动作后,接触器的辅助触点KMl-1断开,电动机保持在停运状态。
电动机运行中如果按下SBl.电动机同样会停止运行,其动作过程与热保护的动作过程相同。
停止指示绿灯HG和运行指示红灯HR分别受接触器的常闭(动断)或常开(动合)辅助触点KMl-2、KMl一3控制,用作信号指示。电流互感器TA的二次线圈串接电流表PA,电压表PV则直接接在电源线上,它们对电动机的运行电流和电压进行。
图2中导线"丁"字形连接的地方无"·"也可。电工图纸中一般无"·"。其实,该处画圆点与否,都符合国标GB4728《电气图用图形符号》的要求,只是在不同的应用领域有各自的画图习惯而已。
案例2、电动机自锁电路


第1张图为接触器的基本说明。了解了接触器的基本构造,那么我们通过第2张实物接线图来说接触器的工作原理。图2为基本的接触器自锁线路。从图2可以看出3相电源通过转换开关经过保险丝至接触器输入端。输出到负载。L2分支经过保险丝到A1,L3经过保险丝分支到控制按钮SB1{常闭:直通,按了断开}SB2{常开:断开 需要按了才会接通}然后到A2。那么很明朗了:当我们按下SB2,SB2的黄色线输出的电使得接触器线圈得电,接触器吸合,在吸合的同时SB2与SB1连接并且引申到接触器常开组的线{称之:自锁线}是{在不按SB1的情况下}是通电的,那么在接触器动作的时候自锁线的电就到了A2,我们放开SB2接触器还是工作状态,完成自锁。那么要停止的时候我们按下SB1,自锁线失电,接触器断开,A2没有电了,那么接触器的线圈就不工作了。
全站搜索