2017-01-22 17:53:57 | 人围观 | 评论:

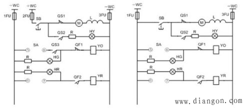
CT8型弹簧储能操动机构的控制接线 CT7型弹簧储能操动机构的控制接线
WBC:控制小母线 FU1、FU2、FU3:控制回路熔断器 SA-M:储能开关 SQ、SQ1、SQ2、SQ3:储能限位开关 R:信号灯串联电阻
HL-Y:黄色(或白色)信号灯 HL-G:绿色信号灯 HL-R:红色信号灯 SA:分合闸操作开关 QF:断路器辅助接点
YA-N:断路器合闸线圈 YA-F:断路器分闸线圈
操作过程:
① SB为储能按钮,按下SB储能电机开始动作,储能开始。
② 储能到位后,限位开关QS动作,储能电机停止,储能指示灯HY(黄)亮,这时可以松开SB按钮。
③ 合闸时操作主令开关SA,令5、8接点接通,合闸线圈YO得电动作,断路器合闸。
④ 断路器合闸成功,断路器的辅助接点QF动作,QF1断开合闸回路,QF2接通分闸回路,这时合闸指示灯红灯亮(HR)。
⑤ 分闸操作时,主令开关6、7接点接通,分闸线圈得电动作断路器掉闸,QF接点复位,绿灯亮(HG)。
CT7型弹簧储能式电动操动机构:简称CT7弹簧机构。其中CT7 Ⅰ配SN10-10Ⅰ型少油断路器(2根合闸弹簧),CT7 Ⅱ配SN10-10Ⅱ型少油断路器(4根合闸弹簧)。其储能电动机为HDZ―22型单相220V交直流串激整流子式电动机,额定功率433W,额定转数13200r/min,额定电压下储能时间小于10s,额定电压下电流小于5A,电动机工作电压范围为额定电压的85% - 110% 。
合闸前,绿色信号灯HL-G亮,说明控制回路电源正常,并监视合闸电路的完好性。当采用电动机储能时,先将储能开关SA-M合上,储能电动机转动,由于储能电动机转速高达13200r/min,在十秒内迅速将弹簧拉长,即储能完毕。然后将储能开关SA-M断开。当采用手动储能时,将摇动手柄插入输出轴孔内,用手顺时针摇动手柄,带动偏心轮转动,其储能动作与电动储能相同。无论是手动储能还是电动储能,储能完毕后,其操动机构上的限位开关SQ的常闭触点断开,使储能电动机断电;同时限位开关SQ的常开触点闭合,使储能信号灯HL-Y(黄色或白色)亮。
合闸时,将分合闸操作开关SA的手柄由垂直位置顺时针转动转动45度,操作开关5、8接通,合闸线圈YA-N获电,合闸电磁铁动作,储能弹簧释放,使断路器合闸。待红、绿信号灯转换后,再将操作开关SA手柄恢复垂直位置。此时,断路器辅助接点QF的常闭触点断开(绿灯灭),常开触点接通红色信号灯HL-R亮,并监视分闸回路完好。
分闸时,将分合闸操作开关SA的手柄由垂直位置逆时针转至水平(预分)位置,再转动45度,操作开关SA的6、7接通,分闸线圈YA-F获电,在分闸弹簧的弹力作用下,使断路器分闸。分闸后,操作开关SA的手柄应转至垂直(预合)位置。此时,断路器辅助触头QF的常开触点断电(红灯灭),常闭触点接通绿色信号灯HL-G亮,并监视合闸回路完好。
CT8型弹簧储能式电动操动机构:CT8和CT7型弹簧储能式操动机构的主要区别是,用手动储能时,CT7型是采用摇把储能,CT8型是采用压把储能;另外,在CT8型电气控制回路中,将电动机储能回路另加熔断器保护,还在合闸回路中串联了限位开关的常开接点SQ3。
CD10型电磁操动机构:采用直流操作电源和直流合闸电源。常用的型号有CD2(旧型)和 CD10(新型)。 CD10Ⅰ、Ⅱ、Ⅲ型分别用于操作SN10 10Ⅰ、Ⅱ、Ⅲ少油断路器。CD型操动机构正常情况下只采用电动合闸和电动分闸,为了进行操动机构的调整,设有一个手力合闸短柄,插上一段钢管往下压,经杠杆作用就可以进行合闸。手力合闸速度缓慢,以便于细微观察合闸过程中各部件的动作情况。与CT7、 CT8弹簧储能式电动操动机构相比,CD10有以下特点:
① 没有储能回路及储能信号灯;
② CD10的合闸线圈瞬时工作电流很大,所以要装设直流接触器KM,又称合闸接触器;
③ CD10的二次回路分为操作回路与合闸回路,电源也分为操作电源和合闸电源。合闸回路的保护熔丝(FU3、FU4)应按合闸线圈额定电流的1/3 1/4来选择,而操作回路的保护熔丝(FU1、FU2)只要选3-5A即可。

HL-G:绿色信号灯 HL-R:红色信号灯 KM:直流(合闸)接触器 SA:分合闸操作开关 QF:断路器辅助接点 YA-N:断路器合闸线圈 YA-F:断路器分闸线圈 WBC:控制小母线 FU1-4:控制回路熔断器 R:信号灯串联电阻
全站搜索