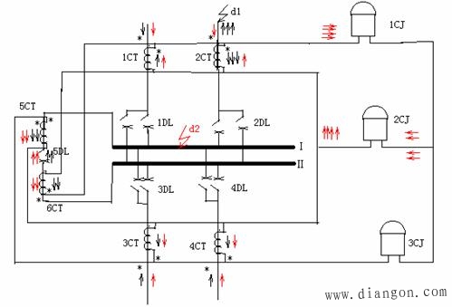
为提高供电的稳定性,常采用双母线同时运行的方式。按一定要求将引出线和有电源的支路固定联于两条母线上――固定连接母线。任一母线故障时,只切除联于该母线上的元件,另一母线可以继续运行,从而缩小了停电范围,提高了供电可靠性,此时需要母线差动保护具有选择故障母线的能力。

三部分组成: ① 1CT、2CT、6CT和1CJ――用于选择母线Ⅰ的故障
② 3CT、4CT、5CT和2CJ――用于选择母线Ⅱ的故障
③ 完全差动保护1~6CT和3CJ――整套保护的启动元件
原理: ① 正常运行或区外故障时
由上图电流分布情况可知: 1CJ、2CJ、3CJ中均为不平衡电流,保护不动作
② 区内故障时,例,母线Ⅰ故障,见上图红色电流分布情况可见:1CJ、3CJ中流入全部短路电流,所以1CJ、3CJ启动,跳开1DL、2DL和5DL;2CJ中为不平衡电流,不动,所以母线Ⅱ仍可继续运行。当母线Ⅱ故障时,分析同上。2CJ、3CJ起动,跳开3DL、4DL、和5DL,母线Ⅰ继续运行。
2 固定连接破坏时, 例线路1由母线Ⅰ切换到母线Ⅱ,因二次回路不能随之切换,所以外部短路时,1CJ、2CJ中有较大的差动电流而误动,但3CJ仍流过不平衡电流,不会误动。区内短路时,1CJ、2CJ都可能动作,3CJ动作,所以两条母线都可能切除。
该保护优点:能快速而有选择性的切除母线故障;
缺点: 当固定连接破坏时,不能选择故障母线,限制了系统运行调度的灵活性。
四电流比相式母线保护
为提高母线保护运行的灵活性而提出
正常运行或者

故障时:

母线故障时:

即:利用比相元件比较各元件的相位,便可判断区内、区外故障。
单相方框图
从每个连接元件的CT引出三相电流,经电压形成回路分别送入各相的小母线,每相的
小母线分别送至本相的比较回路。延时回路的作用是从时间上躲开外部短路时出现的相位误
差,脉冲展宽回路的作用是使出口继电器可靠动作。
特点: ① 只与电流相位有关,而与电流的幅值大小无关
② 不需考虑不平衡电流的影响,提高了灵敏度
③ 不要求采用同型号和同变比的CT,增加了使用的灵活性。
五母联相位差动保护
固定连接母线的差动保护的改进。比较母联中电流与总差电流的相位作为故障母线的
选择元件。
① Ⅰ母线发生故障时,母联中电流方向从Ⅱ母线流向Ⅰ母线
② Ⅱ母线发生故障时,母联中电流方向从Ⅰ母线流向Ⅱ母线,两种情况下电流相位变化1800。
基准量:总差电流,相位不变,同时为故障启动元件。可见,不管母线上元件如何连接,
只要母联中有电流流过,则能选择出故障母线,无固定连接的要求。这是它的优点。
六断路器失灵保护
定义: P226
例:
d处发生故障时候,5DL拒动,装设于变电所B的断路器失灵保护动作,加速断开2DL、3DL。可使故障范围不至于影响到变电所A和C。(1DL、4DL的远后备保护动作亦可达到同样的目的,但因为动作时间太长满足不了系统的要求)
原理:
原理方框图
当d处发生故障的时候,5DL保护动作,若5DL拒动,而且U<动作,则“与”门开放,经延时t跳开2DL、3DL。
延时元件t:鉴别断路还是失灵。>

通常取t=0.3~0.5s。
U< :辅助判别元件。
各保护出口(2DL、3DL、5DL):起动元件。