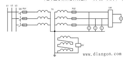
电压互感器用途:1)将高电压按一定比例变成低电压,以便进行测量。通过监测。 2)由于互感器都是双绕组的,可以使二次侧与一次侧隔离,降低了对测量仪表和继电器的绝缘强度要求。 巡视检查的周期及内容:运行中的电压互感器应保持清洁,每一至二年进行一次预防性试验。 1)有人值班,每班巡视检查一次;无人值班,每周至少巡视检查一次; 2)一、二次侧引线各部位连接点应无过热及打火现象; 3)无冒烟及异常气味; 4)瓷件无放电闪络现象; 5)互感器内部无放电声或其它噪声; 6)外壳无严重渗漏油现象; 7)与互感器相关的二次仪表指示应正常。 三相五柱式电压互感器接电压表及带有绝缘监视的接线原理图 什么情况下要增加特殊巡视: 1)过负荷时,应适当增加巡视检查次数; 2)遇有恶劣天气时,应进行特殊巡视检查; 3)重大事故恢复送电后,对事故范围应进行巡视检查。 |