你的位置: 首页 > 电力配电 > 电力配电知识

引起变压器差动保护动作的原因及解决方法

2017-02-21 13:55:59 | 人围观 | 评论:

  变压器差动保护是按照循环电流的原理构成的,双绕组变压器的两侧装设了电流互感器(CT)。正常情况下或外部故障时,两侧的电流互感器产生的二次电流流入差动继电器的电流大小相等,方向相反,在继电器中电流等于零,因此差动继电器不动作。当变压器内部或保护区域内的供电线路发生故障时,流入差动继电器的电流就会产生变化,当电流值达到设定值时,继电器就会动作。一般来说,在电力变压器中有电流流过时,通过变压器两侧的电流不会正好相等,这是和变压器和电流互感器的变比和接线组别有关的。变压器在投入时,会产生高于额定电流6~8倍的励磁涌流,同时产生大量的高次谐波,其中以二此谐波为主。由于励磁涌流只流过变压器的某一侧,因此通过电流互感器反应到差动回路中将形成不平衡电流,引起差动保护动作。

  一、电流互感器的极性、相序与连接

  变压器差动保护按照有关规定在保护投运前要严格检查电流互感器的极性、相序和连接,确保变压器差动保护的正确性。由于各种原因,现场确有电流互感器三相电路的错误接线,导致相序和极性的错误,造成变压器差动保护动作。

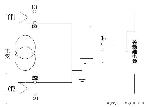
  1、差动保护接线示意图

变压器差动保护动作的原因分析及解决方法

  2、电流互感器的极性:

  变压器差动继电器动作的条件就是一次电流与变压器二次电流之差,电流互感器的极性决定瞬时电流的方向,因此对电流互感器的极性应引起重视,只有保证了电流互感器的极性正确,才能保证继电器的正确动作。在工程中电流互感器的极性应按减极性原则进行。既在一、二次绕组中,同时由同极性端子同入电流时,他们在铁芯中所产生磁通方向应相同。在实际工作中一般利用楞次定律进行判别(既直流判断法)。

  3、电流互感器接线:

  变压器差动继电器的CT回路接线,首先必须通过对CT接线形式的选择进行外部的“相位补偿”,消除变压器接线组别不同造成的高、低压侧电流相位差和差动保护回路不平衡电流。例如对于Y/d11接线的变压器,由于三角形侧电流的相位比星形侧同一相电流超前30°,必须将变压器星形侧的CT二次侧接成三角形,而三角形侧的CT接成星形,从而将流入差动继电器的CT二次电流相位校正过来。目前相当多的继电器可以通过本身的设定对相位进行转化,CT只要接成Y/Y型即可,如SIEMENS 7UT51差动继电器等。

  二、变压器的励磁涌流:

  在变压器空载投入时或外部故障切除后电压恢复过程中,由于变压器铁芯中的磁通急剧增大,使铁芯瞬间饱和,这时出现数值很大的冲击励磁电流(可达5~10倍的额定电流),通常称为励磁涌流。

  1、励磁涌流的特点

  1)涌流含有数值很大的高次谐波分量(主要是二次和三次谐波),因此,励磁涌流的变化曲线为尖顶波。

  2)励磁涌流的衰减常数与铁芯的饱和程度有关,饱和越深,电抗越小,衰减越快。因此,在开始瞬间衰减很快,以后逐渐减慢,经0.5~1s后其值不超过(0.25~0.5)In。

  3)一般情况下,变压器容量越大,衰减的持续时间越长,但总的趋势是涌流的衰减速度往往比短路电流衰减慢一些。

  4)励磁涌流的数值很大,最大可达额定电流的8~10倍。

  2、励磁涌流的相位及大小:

  在正常稳态下:在稳态时铁心中的磁通滞后外加电压900(电感上的电流落后外加电压900)磁通平稳见图A

  在交流电路中,磁通Φ总是落后电压u90°相位角。如果在合闸瞬间,电压正好达到最大值时,则磁通的瞬间值正好为零,即在铁芯里一开始就建立了稳态磁通,在这种情况下,变压器不会产生励磁涌流。当合闸瞬间电压为零值时,它在铁芯中所建立的磁通为最大值(Φm)。可是,由于铁芯中的磁通不能突变,既然合闸前铁芯中没有磁通,这一瞬间仍要保持磁通为零。因此,在铁芯中就出现一个非周期分量的磁通Φfz,其幅值为Φm。见图B

  这时,铁芯里的总磁通Φ应看成两个磁通相加而成,铁芯中磁通开始为零,到1/2 T时,两个磁通相加达最大值,达到2Φ。因此,在电压瞬时值为零时合闸情况最严重。励磁涌流的大小和衰减速度,与合闸瞬间外加电压的相位,铁芯中剩磁的大小和方向、电源容量、变压器的容量及铁芯材料等因素有关。励磁涌流的大小和衰减速度见图C

变压器差动保护动作的原因分析及解决方法
变压器差动保护动作的原因分析及解决方法

   3、减小励磁涌流的措施:

  防止励磁涌流的影响,采用具有速饱和变流器的继电器是国内目前广泛采用的一种方法。当外部故障时,所含非周期分量的最大不平衡电流能使速饱和变流器的铁芯很快地单方面饱和,传变性能变坏,致使不平衡电流难于传变到差动继电器的差动线圈上,保证差动保护不会误动。内部故障时虽然速饱和变流器一次线圈的电流也含有一定的非周期性分量,但它衰减得快,一般经过1.5~2个周波即衰减完毕,此后速饱和变流器一次线圈中通过的完全是周期性的短路电流,于是在二次线圈中产生很大的感应电动势,并使执行元件中的相应电流也较大,从而使继电器能灵敏地动作。速饱和变流器正是利用容易饱和的性能来躲过变压器外部短路不平衡电流和空载合闸励磁涌流的非周期分量影响。

  三、变压器中的二次谐波:

  变压器投入运行时,由于励磁涌流的作用,在变压器回路中产生大量的谐波分量,其中以二次谐波为主。其最大值高于额定电流的几倍,因此引起差动保护动作。

  1、谐波产生的原因

  谐波产生的根本原因是由于非线性负载所致。当电流流经负载时,与所加的电压不呈线性关系,就形成非正弦电流,从而产生谐波。谐波频率是基波频率的整倍数,任何重复的波形都可以分解为含有基波频率和一系列为基波倍数的谐波的正弦波分量。谐波是正弦波,每个谐波都具有不同的频率,幅度与相角。谐波可以区分为偶次与奇次性,第3、5、7次编号的为奇次谐波,而2、1 4,6、8等为偶次谐波,如基波为50Hz时,2次谐波为lOOHz,3次谐波则是150Hz。

  2、利用二次谐波制动。

  保护装置在变压器空载投入和外部故障切除电压恢复时,利用二次谐波分量进行制动; 内部故障时,利用基波进行保护; 外部故障时,利用比例制动回路躲过不平衡电流。

  四、差动回路中的不平衡电流:

  不平衡电流的产生有稳态和暂态二方面。稳态不平衡电流产生的原因: (1)变压器高低压侧绕组接线方式不同; (2)变压器各侧电流互感器的型号和变比不相同; (3)带负荷调分接头引起变压器变比的改变。暂态不平衡电流主要是由于变压器空载投入电源或外部故障切除,电压恢复时产生的励磁涌流。

  1、变压器高低压侧绕组接线方式不同的影响和防范措施:

  1.变压器接线组别对差动保护的影响

  如果组别是Y/y或D/d组别的变压器,由于一、二次绕组对应相的电压同相位,故一、二次两侧对应相的相位几乎完全相同。而常用的Y,d11接线的变压器,由于三角形侧的线电压,在相位上相差30°,故其相应相的电流相位关系也相差30°,即三角形侧电流比星形侧的同一相电流,在相位上超前30°,因此即使变压器两侧电流互感器二次电流的数值相等,在差动保护回路中也会出现不平衡电流。

  2.变压器接线组别影响的防范措施

  为了消除由于变压器Y,d11接线而引起的不平衡电流的影响,可采用相位补偿法,即将变压器星形侧的电流互感器二次侧接成三角形,而将变压器三角形侧的电流互感器二次侧接成星形,从而把电流互感器二次电流的相位校正过来。

  2、变压器各侧电流互感器型号和变比的影响和防范措施

  1.变压器各侧电流互感器型号和变比的影响

  变压器两侧额定电压不同,装设在两侧的电流互感器型号就不相同,致使他们的饱和特性和励磁电流(归算到同一侧)也不相同。因而在外部短路时将引起较大的不平衡电流,对此只有采用适当增大保护动作电流的办法予以考虑。由于电流互感器都是标准化的定型产品,所以实际选用的变比,一般均与计算变比不完全一致,而且各变压器的变比也不可能完全相同,因此在差动保护回路又会引起不平衡电流。

  2.防范措施

  这种由于变比选择不完全合适而引起的不平衡电流,可利用磁平衡原理在差动继电器中设置平衡线圈加以消除,一般平衡线圈接于保护臂电流小的一侧,因为平衡线圈和差动线圈共同绕在继电器的中间磁柱上,适当选择平衡线圈的匝数,使它产生的磁势与差流在差动线圈中产生的磁势相抵消,这样,在二次绕阻就不会感应电势了,其差动继电器的执行元件也就无电流。但接线时要注意极性,应使小电流侧在平衡线圈与差流在差动线圈产生的磁势相反。

  3、带负荷调压在运行中改变分接头的影响和防范措施

  电力系统中,通常利用调节变压器分接头的方法来维持一定的电压水平(由于分接头的改变,使变压器的变比也跟着改变)。但差动保护中电流互感器变比的选择,差动继电器平衡线圈的确定,都只能根据一定的变压器变比计算和调整,使差动回路达到平衡。当变压器分接头改变时,就破坏了平衡,并出现了新的不平衡电流,这一不平衡电流与一次电流成正比, 为了避免不平衡电流的影响,在整定保护的动作电流时应给予相应的考虑,即提高保护的动作整定值。

  4、变压器的励磁涌流对差动保护的影响和防护措施

  1.变压器的励磁涌流对差动保护的影响

  变压器的高、低压侧是通过电磁联系的,故仅在电源的一侧存在励磁电流,它通过电流互感器构成差回路中不平衡电流的一部分。在正常运行情况下,其值很小,一般不超过变压器额定电流的3%~5%。当外部短路故障时,由于电源侧母线电压降低,励磁电流更小, 因此这些情况下的不平衡电流对差动保护的影响一般可以不必考虑。(http://www.diangon.com/版权所有)在变压器空载投入电源或外部故障切除后电压恢复过程中,由于变压器铁芯中的磁通急剧增大,使铁芯瞬间饱和,这时出现数值很大的冲击励磁电流(可达5~10倍的额定电流),通常称为励磁涌流。励磁涌流IE中含有大量的非周期分量与高次谐波,因此励磁涌流已不是正弦波,而是尖顶波,且在最初瞬间完全偏于时间轴的一侧。

  2.防护措施

  1)采用具有速饱和铁芯的差动继电器。

  2)鉴别短路电流和励磁涌流的波形。

  3)利用二次谐波制动,制动比一般为15%~20%。

  4)利用波形对称原理的差动继电器。

  这是最根本的解决励磁涌流问题的办法。另外,在主变差动保护所用电流互感器选择时,除应选带有气隙的D级铁芯互感器外,还应适当地增大电流互感器变比,以降低短路电流倍数,这样可以有效削弱励磁涌流,减少差动回路中产生的不平衡电流,提高差动保护的灵敏度。这对避免保护区外故障,尤其是最严重的三相金属性短路而导致的主变差动保护误动作尤为有效。

  五、结束语:

  以上的分析,探讨了变压器差动保护中诸多问题,这些问题往往对于变压器差动保护的正确工作影响很大。不能够很好的解决这些问题,就会直接影响变压器差动保护的性能,甚至造成变压器差动保护的误动或拒动。





标签: