2016-10-23 10:36:40 | 人围观 | 评论:
触摸屏控制电路整体结构如图1所示。当用触摸笔触摸LCD显示屏时,触摸检测装置对应的X、Y轴上会分别感应到一个信号,这个信号经过模拟电子开关,然后经两级放大、滤波,将得到的信号分两路处理,一路是电压整流,另一路是频率检测电路;得到的数据通过MCU HT46RB70计算,判断出触摸屏的位置及触摸的方式,再由MCU将触摸信号发送到计算机,最终实现触摸输入。整个触摸屏控制电路的时序都是由单片机控制的,其他模块的电路见后面的详细介绍。

图1 触摸屏控制电路整体结构
1. 模拟电子开关电路
模拟电子开关电路如图2所示,该电路的功能是驱动触摸屏检测装置,将触摸信号传送到信号处理电路。其电路主要是由CD4051组成,CD4051是一个8通道数字控制模拟开关,该芯片有3位二进制控制输入端A、B、C 和一个使能输入端INH,以及8个信号输入端和1个公共输出端。当INH输入端为高电平时,所有通道截止;当INH为低电平时,单片机通过3位二进制信号A、B、C选通一个通道的输入信号,从公共输出端OUT输出,经过两级放大电路及滤波电路后,将触摸信号分别发送到频率检测电路和电压整流电路的TOUCH_SIN端。图2中AX、BX、CX是X轴方向上电子开关的控制输入端,A0~A4是X轴方向上的电子开关的使能端,X00~X34与触摸屏检测装置X轴接口相连接,由于一个CD4051芯片只有8个通道的数字模拟开关,不能满足线圈数量的需求,故这里设计了由5个CD4051(U1~U5)组成的X轴方向上的模拟电子开关电路。同理可设计Y轴方向上模拟电子电路。AY、BY、CY为控制输入端,B0~B3作为使能端,Y轴由4个CD4051(U6~U9)组成,图中Y00~Y29与触摸屏检测装置Y轴接口相连接。

图2 模拟电子开关电路
2. 触摸信号频率检测电路
触摸信号的频率是由触摸笔发出,触摸笔上有两个按键,按下这两个按键可以输出两个不同频率的信号,分别为k1、k2.触摸笔的作用相当于鼠标,当触摸笔输出一次k1频率时相当于点击一下鼠标左键,输出一次k2频率相当于点击鼠标右键。当触摸笔笔尖与LCD距离≤3~5 cm时,触摸检测装置可感应到触摸信号,这时光标随着触摸笔在LCD上移动。触摸信号频率检测精度的高低是触摸屏是否稳定的关键因素。频率检测电路及仿真结果如图3、图4所示,TOUCH_SIN端为触摸信号输入端,通过施密特触发器,然后信号从FRE端发送到单片机,进行运算处理,计算出触摸信号的频率。利用Multisim软件平台建立出频率检测电路仿真模型,从仿真结果中可以看到,经过处理后的触摸信号转换为具有相同周期T的方波信号,将方波信号传送到微处理器,微处理器在t时间里计算出方波的个数n,则信号的周期T=t/n,频率f=1/T,由此确定触摸信号的频率。

图3 频率检测电路
单片机从端口TOUCH_SIN获得的频率信号的质量,决定了触摸屏能否快速响应正确的触摸动作.因此,在触摸信号频率检测电路设计中,使用施密特触发器(SN74LVC1G14)可以将触摸时产生的锯齿波形信号整形成较规则的方波信号。经过这样的设计,也可以有效消除触摸时因其他信号对频率的干扰或过快点击对触摸屏精度造成的影响。

图4 仿真结果
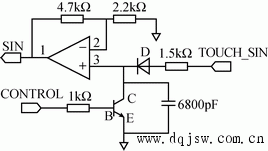
3. 触摸信号电压整流电路

图5 触摸信号整流电路
当触摸笔靠近LCD时,触摸检测器获得感应信号,经过电子开关及信号处理电路后,再对信号进行整流。触摸信号整流电路如图5所示。触摸信号由TOUCH_SIN输入,经过二极管D整流。图中CONTROL与HT460RB70的PC4引脚相连接, HT460RB70通过PC4引脚控制三极管的导通状态,通过电容充放电直接影响整流后的波形,使其更加准确。信号整流后还需经过一个同相放大电路,然后从SIN发送到HT460RB70单片机PCO/INT引脚。在Multisim中对触摸电压信号整流电路的仿真结果如图6所示,图中信号SIN是处理后的信号波形。其结果表明,通过整流后得到平滑稳定的直流电压信号,有利于提高A/D转换的精度。

图8 仿真结果
4. MCU电路
MCU电路采用Holtek公司的RISC单片机--HT47RB70.该单片机是A/D转换型8位USB单片机,专门为USB产品而设计,尤其适用于USB或SPI接口触控屏、触控按键等产品。
基于HT47RB70的电感式触摸屏MCU电路如图7所示。HT47RB70采用上电复位方式进行复位,AX、BX、CX和AY、BY、CY与其PD0~PD2和PA0~PA2引脚分别作为X轴和Y轴电子开关电路的选择端。PD3~PD6和PA3~PA6分别作为X轴和Y轴上电子开关电路的使能端。PE0~PE2作为信号修正电路的控制端。通过触摸电压处理电路后的信号通过PB0/AN0输入单片机,经过单片机内部的A/D转换器得出触摸电压的值,从而辨别出触摸效果。频率信号通过PC0/INT输入单片机,通过单片机在单位时间内对方波个数的计数,即可得出信号的频率。最后通过将触摸信号转换成标准鼠标信号,通过USB接口输出到计算机,达到触摸效果。#p#分页标题#e#

图9 MCU电路
5. 软件设计
电感式触摸屏控制器软件设计主要包括:I/O初始化程序、定时计数器初始化、触摸笔中断服务程序、与计算机通信程序和主程序几部分。触摸笔中断程序中包括触摸坐标计算程序和触摸信号频率计算程序。当触摸控制器接收到触摸信号时,MCU响应触摸笔中断服务程序,得到触摸LCD的坐标,启动与计算机通信程序,将触摸信号发送到计算机,这样完成一次触摸。
全站搜索