2024-02-04 02:32:08 | 人围观 | 评论:

软启动器是一种用于电动机启动的装置,通过控制电机启动过程中的电压和电流变化,实现电机在起动过程中的平滑加速,避免电机启动过程中产生的冲击和损坏,同时也可以降低起动时的功率因数和噪声。软启动器的工作原理可以分为以下几个步骤:
1. 开始阶段:在电机启动时,不会一下子将电压直接输出到电机上,而是先采用正弦波补偿电路,对电压进行补偿,降低电压的峰值,限制电流的瞬间跃升,使电机起动时不会产生瞬间冲击。
2. 中间阶段:电机在起动过程中,输出电压和电流逐渐增加,该阶段软启动器会根据已设定的加速曲线,逐步提高输出电压和电流,使电机平滑加速,避免启动过程中电流过大产生的问题。
3. 加速阶段:当电机达到运行状态后,软启动器控制器将桥回路开关断路器接通,将电源电压直接输出到电机上,电机将按照正常功率运行。
总之,软启动器是在电机启动前加入一个控制装置,通过控制起动过程中的电压和电流变化,实现电机平滑加速启动,保护电机,降低功率因数和噪声,提高设备的可靠性和安全性。
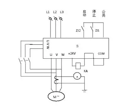
ABB软启动器(软启动器)是一种集电机软起动、软停车、轻载节能和多种保护功能于一体的新颖电机控制装置,国外称为Soft Starter。软启动器采用三相反并联晶闸管作为调压器,将其接入电源和电动机定子之间。这种电路如三相全控桥式整流电路。
使用ABB软启动器启动电动机时,晶闸管的输出电压逐渐增加,电动机逐渐加速,直到晶闸管全导通,电动机工作在额定电压的机械特性上,实现平滑启动,降低启动电流,避免启动过流跳闸。待电机达到额定转数时,启动过程结束,软启动器自动用旁路接触器取代已完成任务的晶闸管,为电动机正常运转提供额定电压,以降低晶闸管的热损耗,延长软启动器的使用寿命,提高其工作效率,又使电网避免了谐波污染。
软启动器同时还提供软停车功能,软停车与软启动过程相反,电压逐渐降低,转数逐渐下降到零,避免自由停车引起的转矩冲击。
全站搜索