2024-02-17 02:32:01 | 人围观 | 评论:

2
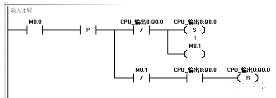
采用位逻辑指令结合PLC工作原理实现一键启停的程序编写

3
采用逻辑运算取反指令实现一键启停的程序编写

4
采用逻辑运算异或指令实现一键启停的程序编写

5
复位优先双稳态指令

6
利用扫描关系原理

7
计数器

除此以外还有其他的编写方式,但前面两种方式适用于任何品牌系列的PLC 。学习PLC技术,三分理论,七分实践!我们可以把程序写进CPU中看到实际的效果加深印象!
编辑:黄飞
全站搜索