2024-02-26 02:32:55 | 人围观 | 评论:

图1烧结生产工艺流程图
通过流体力学的比例定律可知(图1):离心风机、离心泵类设备均属平方转矩负载,风机的流量与电机的转速成正比,风机的压力与电机的转速的两次方成正比,风机的轴功率与电机的转速的三次方成正比。根据上述原理可知,当改变风机的转速就可改变风机的功率。例如:将风机转速由1484r/min降到1200 r/min时 ,电机功率只有原来的60%左右。

图 2 风机节能原理
风机的静压Pst=0,其节能原理可用下图表示。在图3中,曲线(1)为风机在额定转速N1下的风压风量(H-Q)特性曲线,曲线(2)为风门全开时的管网阻力特性,它们的交点A为风机的设计最高工作点,风机在A点工作其效率最高。此时的风压为P2,风量Q1,轴功率N1=K.Q1.P2,在图中可用面积AP2OQ1来表示。

图 3
根据生产工艺要求,需要将风量从Q1减小至Q2,传统的方式是将关小风门的方式,相当于增加了管网的阻力,将管网阻力特性变到曲线(3),系统由原来的工作点A变到新的工作点B运行。此时的风压为P1,风量为Q2,轴功率为N2=K.Q2.P1,在图中可用面积BP1OQ2来表示,显然轴功率下降不大。依据n=60f/p×(1-s)可知,改变电机输出频率,就可以改变电机的转速,风机转速由n1降为n2,由于风机的静压Pst=0,符合相似定律,可直接画出在转速N2下的风压风量(P-Q)特性曲线(4)与管网特性曲线(2)相交于C点运行,此时的风压为P3,风量为Q2,轴功率N3=K.Q2.P3,在图2可用面积CP3OQ2来表示,可见随着风压的大幅度下降,轴功率N3明显减少。相对于风门截流法调节,节省的轴功率△N=K.(P1-P3).Q2,即图中阴影部分的面积,节能效果十分显著。
2、系统设计方案
2.1同步电动机变频原理
高压同步电动机是一种双边励磁电机,一般情况在电机的定子和转子都要加电源,定子侧加三相交流电源,转子侧加直流励磁电源。同步电动机的电磁转矩是由气隙合成磁场与转子励磁磁场之间相互作用产生的,只有在转子磁场与气隙合成磁场同步旋转(即两者相对静止)时,才能产生稳定的电磁转矩,又称为同步转矩。当同步电动机的磁极转子旋转后,它的恒定磁场则变为旋转磁场,该转子的机械转速就是此旋转磁场的转速,设转子转速为。若在定子的三相绕组上加三相对称交流电源,则该电源在电机的气隙中产生旋转磁场,它的转速为:
式中,f为电源的频率,p为电机的磁极对数,若
,则电机的转子在电磁力的作用下,以
同步转速旋转,电机的转速可用下式表示:

其转速
均称为同步转速。同步电动机的运行转速必须等于旋转磁场的同步转速,运行时的转速决定于电源的频率和电机的磁极对数,与负荷变化无关,并保持同步速恒定不变。
技术人员经过深入分析研究,为钢铁厂节约能源,提高生产效率,改善现场工艺,决定采用深圳库马克科技有限公司生产的ES9000S系列高压同步机专用高压变频器控制系统和高效率的空水冷系统,实施节能改造工程。
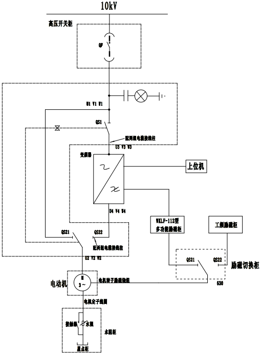
2.2系统主回路图
福建某钢铁公司现场有1台2#主抽风机,配套1台10KV高压同步电动机、1台工频励磁柜、1台水阻柜。结合现场工况和设备参数,经过调研、计算,选用了深圳库马克科技有限公司生产的ES9000S系列高压同步机专用高压变频器控制系统,系统主回路图如图4所示:

图4 系统主回路图
系统主回路主要配置以下设备:
● 1台同步电动机专用高压变频器,型号为ES9000S-7000-10K;
● 1台旁路切换柜;
● 1台单刀旁路切换柜;
● 1台WKLF-112型多功能同步电动机微机励磁柜;
● 1台励磁切换柜;
● 1套上位机监控系统。
2.3自动励磁切换
同步电动机具有功率因数可调、转速恒定等优点,其中励磁系统是同步电动机的重要组成部分,直接影响其运行特性。因此同步电动机的励磁装置对提高功率因数、节约能源起着至关重要的作用。
本系统中配置的WKLF-112型多功能同步电动机微机励磁装置,采用微机控制技术,励磁系统具有完善的励磁控制、系统保护、故障报警及显示功能。励磁装置提供手动可以选择的“变频运行”和“工频运行”两种控制模式。当选择“变频运行”模式,系统能满足动电变频器启动机及调速运行对励磁控制和接口的要求,系统根据高压变频器给出的4-20mA信号来调节励磁的投入及大小,当接收到变频器对励磁装置发出“变频切换工频”无源干接点信号时,励磁系统可不停机自动完成由变频控制切换到工频控制,满足在工频条件下运行的控制要求。当选择“工频运行”模式,系统可满足测频、投励、保护等独立运行自行调节及控制的要求。
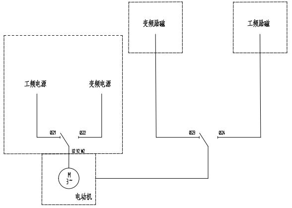
与励磁装置配套设计的是库马克公司研发设计的励磁切换柜,一次系统图如图5所示。

图5励磁切换柜一次系统图
2.4空水冷系统设计
为了保证高压变频器设备的长期、稳定、可靠地运行,延长设备的使用寿命,考虑变频器室冷却的热交换功率时,应该留有足够的余量。按照变频器额定功率的4%来设计变频器室的冷却交换功率。变频器室环境设计时应综合考虑当地气温、室内空间大小、房间密闭性等多种因素,选择合适的变频室通风或制冷设备。结合变频器的散热要求和设备运行稳定、维护简易、经济适用等因素,现场变频室的空水冷系统采取一体化设计方案,1个变频室同时布置3台库马克公司生产的高压变频器。变频室空水冷系统布置图如图6所示,空水冷系统剖面图如图7所示。

图6 变频室空水冷系统布置图

图7 空水冷系统剖面图
整个变频室 3台变频器散热做整体设计,考虑夏季气温、外循环水温度变化、空水冷系统冗余设计因素,散热总功率为540KW,总功耗约为40KW。在气温较高的夏季,外循环水温度也随之上升,将高于水冷器额定水温,制冷量减小;为降低空水冷系统故障对变频器运行影响,9套系统中任意一套系统停止工作,剩余制冷量仍达到480KW,依然满足变频器最大散热需求;部分变频器停止运行时,可根据实际情况,关停部分冷却系统,以达到最大节能效果,提供检修条件。
为达到较好冷却效果,保证3台变频器热风均衡,在变频器柜顶(不含风机)处制作做一隔层收集变频器热风,使得上层热风及时被空水冷系统抽出,不与下层冷风接触,提高冷却效率。为使空水冷系统达到最好冷却效果,减小系统中风机负荷,空水冷系统冷风出口阻力应尽可能小,故在安装时,出口处应尽可能避免障碍物。
3、项目实施情况
3.1实施效果
ES9000S系列高压变频器是深圳库马科技有限公司集结近二十多年电气传动和自动化工程应用实践经验,研发生产的高可靠性、高性能变频调速节能系列产品。本系列产品针对同步电动机的机械特性和自身控制要求,设计合理,控制方案稳定可靠,极大地满足了客户的生产需求,其稳定可靠、经济实用、高效节能的优势,在市场竞争中逐渐占据特有的地位,为客户带去可观的经济效益的同时,也为库马克公司赢得无限商机。目前设备经过安装、调试后,成功投运,运行稳定,满足工艺控制需求。
现场运行图片如下所示:
3.2、节能收益
在实施主抽风机变频改造的同时,将烧结配套的冷却风机、脱硫风机的变频改造同步进行,2015年9月项目顺利完成,到2016年6月份稳定运行,节能效果十分显著。
主抽风机工频运行时每天电度50850,变频运行时每天电度40160,每天省电10690度,每个月省电320700度,每年按照十个月连续运行计算,年省电3207000度,按照每度电费0.65元计算,每年节约电费2084550元。
审核编辑:汤梓红
全站搜索