2024-03-26 02:33:12 | 人围观 | 评论:

2 闸刀开关

3 行程开关

4 交流接触器

5 热继电器

6 时间继电器


7 速度继电器

电动机及控制线路 1 异步电动机


2 直流电动机

3 步进电动机

4 永磁电机

5 正反转控制

6 自动往返控制

7 顺序控制

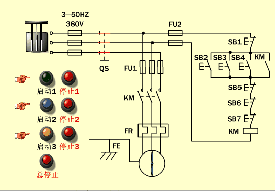
8 多点控制

9 星三角启动

10 手动控制

传感及控制原理 11 布料张力测量

12 MQN型气敏电阻

13 气泡式水平仪

14 直滑式电位器控制气缸活塞行程

15 电容加速度传感器

编辑:黄飞
全站搜索