2016-10-28 17:02:18 | 人围观 | 评论:
我国供电大多都采用三相四线供电方式。下图为三相四线制示意图,从图中可以看出此种供电方式可以提供两种不同的电压――线电压(380V)和相电压(220V),可以适应用户不同的需要。三相四线制供电较为理想的状态是三相负载平衡,此时中线电流为零,从理论分析此时中线可有可无,不影响设备的正常运行。但现实情况三相平衡只是相对的,不平衡则是绝对的,所以现实应用中的中线是必须有的,这样才能保证各相电压的稳定输出。随着经济的发展,用电器大幅度增加,单相短路几率必然升高,单相短路和瞬间短路引起零飘过电压问题及为普遍。下面我们针对此一些常见故障问题进行分析,为我们设计电力设备供电系统时提供方向,从而使供电系统稳定可靠的运行。

图1 三相电压示意图
1、单相短路故障
现在很多场合为了取电方便,直接采用三相电的相电压供电。包括目前很多农村电网设计都是将三相电中的三相平均分给三组用户使用,从而省掉了三相变压器。这种供电方式虽然节省了一些设备的投入,但是对用户的用电设备带来很大隐患。在实际应用中,单相短路接地故障发生的概率最高可达65%,两相短路约占10%,两相短路接地约占20%,三相短路约占5%。下面简单分析一下单相短路的威胁。

图2 三相电单相短路示意图
如上图所示,一旦出现单相短路现象,会抬高中线电位,对用电人员的安全有较大威胁(有零线接外壳保护的设备)。同时在短路瞬间,负载2与负载3需要承受瞬间大电压冲击,严重时电压值直接上升到线电压(380VAC)。致使用电设备出现过电压损坏现象。
2、输电线中线开路
在实际用电环境环境中,往往会由于线路安装不当,或熔断器及开关安装位置不当,导致中线断开。如果中线断了,三相负荷中性点电位就要发生位移。中性点电位位移直接导致各相的输出电压不平衡,而相电压太高会使设备过电压而直接烧毁,而相电压偏低的相,可能会由于电压降低,电流增大而损坏设备。由于三相电电压计算非常复杂,由于负载矢量的引入,最终详细计算公式也异常难懂。下面以一种简单的方式解释一下中线短路对线电压的影响。

图3 三相电中线开路示意图
如上图,假设负载3开路,同时中线出现中断。此时负载1与负载2串联后接在线电压UUV(380VAC)上,两个负载上的电压主要取决于Z1与Z2的大小。若Z1远远大于Z2时,则负载1的的电压会接近与380VAC的线电压,此时负载1就很可能由于过电压而损坏,而负载2可能会由于电压过低而停止工作。在正常情况下,相电压之间影响较小,可正常使用。
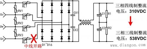
3、设备供电中线开路
电力设备除了输电线容易出现故障外,设备电源输入及插座等出现故障也有可能使设备出现损毁。由于大多数场合均采用三相四线制电源,同时三相四线制电源还有一个比较特殊的应用,及采用三相四线制全波整流时,只要任何一相有电设备均能正常运转。

图4 供电设备中线开路示意图
如上图所示,三相四线制全波整流,此电路好处在在三相电任意两相出现问题时,此供电电路任然可以继续工作。但是一旦整流电路中的中线中断或则未连接,此电路就变为三相三线制整流电路,此时电压有原来310VDC升高到538VDC,若后级设备无法承受538VDC高压,将后损坏后级设备。
三相电供电改善措施
由于在实际应用中有较多限制,不可能避免很多电力故障的发生,但我们能可以通过一些手段减少设备损坏概率,从而提升产品的可靠性。具体改善措施如下:
1、单相短路故障改善措施
此故障可适当提高电源输入端的抗冲击能力,一般需要抗335VAC冲击。这样可以在瞬时短路时,保护到后级电路不会因过电压而损坏。为了减小因零飘而照成的电压升高,可适当加大零线截面积,降低零点飘移,来缩小另外两相电压抬高幅度。
2、输电线中线开路改善措施
从故障分析我们可以看出,中线开路主要是影响到相电压的电流回路,使电流未能回到中性点。只能通过两根相线形成回路,从而增加了设备过电压的风险。为了给相电压提供可靠的电流回路,在布线中可采取三相三零六线供电方式,三相三零独立工作。此布线缺点是增加零线投资和线损,但这样能有效抑制零飘,减小了每相电压的相互影响。
3、设备供电中线开路改善措施
一般设备采取三相四线全波整流电路,主要是考虑其供电的冗余设计,只要三相电任意一相电设备就能正常工作。但是一旦在中线未连接上设备,整流电路电压就会急剧升高。解决此问题,需要在电压升高时切断后级电路,从而保护后级电路不受损坏。但在设计时需保证检测控制电路稳定供电。
全站搜索