2016-12-09 10:58:09 | 人围观 | 评论:
本文介绍了基于单片机的电梯控制系统,该系统采用单片机(89C52)作为控制核心,使用按键控制电平的改变,作为用户请求信息发送到单片机,单片机控制电动机转动,单片机根据楼层检测结果控制电机停在目标层。软件部分使用C语言,利用中断方式来检测用户请求的按键信息,根据电梯运行到相应楼层时,光电传感器产生电平变化,送到单片机计数来确定楼层数,并送到数码管进行显示。本设计硬件电路结构简单,软件采用C语言,程序短小运行速度快。
1.绪论
20世纪90年代,国际上电子和计算机技术较先进的国家,一直在积极探索新的电子电路设计方法,并在设计方法、工具等方面进行了彻底的变革,取得了巨大成功。在电子技术设计领域,可编程逻辑器件(如CPLD、FPGA)的应用,已得到广泛的普及,这些器件为数字系统的设计带来了极大的灵活性。这些器件可以通过软件编程而对其硬件结构和工作方式进行重构,从而使得硬件的设计可以如同软件设计那样方便快捷。这一切极大地改变了传统的数字系统设计方法、设计过程和设计观念,促进了EDA技术的迅速发展。
电梯是标志现代物质文明的垂直运输工具、是机电一体化的复杂运输设备。它涉及电子技术、机械工程、电力电子技术、微电脑技术、电力拖动系统和土建工程等多个科学领域。作为高层建筑物上下交通运输的重要设备,越来越多的机电专业将参与电梯技术方面的工作,为了掌握电梯的结构和控制技术就有必要把这庞大的集机械、电气、传感器于一体的产品模拟化,用plc、单片机、微机、变频器等控制手段去开发多功能应用软件。
该系统的核心控制芯片选用的是51系列单片机AT89C52,单片机在各个技术领域中的迅猛发展,与单片机所构成的计算机应用系统的特点有关:
单片机构成的应用系统有较大的可靠性。
系统构建简洁、易行,能方便的实现系统功能。
由于构成的系统是一个计算机系统,相当多的功能由软件实现,故具有柔性特点。
本文设计了一种实用的单片机电梯控制器,根据实际的需求使用了高性能的AT89C52单片机和专用的显示、键盘控制芯片,配合相应的软件实现了对电梯的实时控制。其主要特点有电路结构简单、控制功能强、可靠性高等。
2.硬件电路设计
随着社会的发展,电梯的使用越来越普遍,已从原来只在商业大厦、宾馆使用,过渡到在办公楼、居民楼等场所使用,并且对电梯功能的要求也不断提高,相应地其控制方式也在不停地发生变化。对于电梯的控制,传统的方法是使用继电器-接触器控制系统进行控制,随着技术的不断发展,微型计算机在电梯控制上的应用日益广泛,现在己进入全微机化控制的时代。电梯的微机化控制主要有以下几种形式:①PLC控制;②单板机控制;③单片机控制;④单微机控制;⑤多微机控制;⑥人工智能控制。随着EDA技术的快速发展,单片机已广泛应用于电子设计与控制的各个方面。
本设计就是使用一片AT89S52单片机来实现对电梯的控制的;用数码管显示当前电梯所在楼层。
具体要求有:
1)用数码管显示当前电梯所在楼层;
2)先响应早的请求,如有同时发出的请求,则先响应近处请求。
主要任务与要求:
设计一个8层自动电梯控制器,每层设请求按钮开关,电梯到达有请求的楼层,则相应指示灯灭,电梯门开,开门指示灯亮,5秒后自动关闭,继续运行。
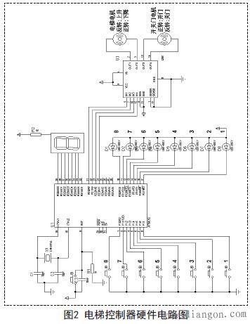
本设计电路框图如图1所示,具体电路原理图如图2所示。



本设计以单片机为核心控制,数层请求用按键实现,因为只有8层,按键较少,因此采用非编码键,电梯楼层用一位7段数码管显示,电梯楼层请求显示使用8个LED指示灯。电梯驱动采用双全桥步进电机专用驱动芯片L298驱动器。
3.软件设计
软件是为硬件服务的,只有硬件在软件的指挥下,按预定的目的工作,整体才会发挥其作用,软件设计要依据硬件实现的功能而定。
该软件的结构设计比较简单,采用C语言进行编程,程序短小,运行速度快。其程序流程如图3所示。
4.系统仿真与调试
1)系统仿真的平台及功能
单片机应用系统仿真平台有两个常用的工具软件:KeilC51和ProteusISIS.前者主要用于单片机C语言原程序的编辑、编译、链接以及调试;后者主要用于单片机硬件电路原理的设计以及单片机应用系统的硬、软件联合仿真调试。
2)仿真结论
在PROFEUS环境,运行电梯控制器系统,我们发现,每层设请求按钮开关,电梯到达有请求的楼层,则相应指示灯灭,电梯门开,开门指示灯亮,5秒后自动关闭,继续运行。
电梯的初始状态时,电梯停在一楼,如图4所示:

当六楼有人按键请求上楼时,电梯运转到达六楼;电路仿真图如图5所示:

电梯在一楼时,如果有“2”“7”楼层同时请求,则电梯先到达二楼再到达七楼,其电路仿真如图6和图7所示。
通过电路仿真,本设计完成了要求实现的功能。
全站搜索