2016-12-19 17:18:09 | 人围观 | 评论:

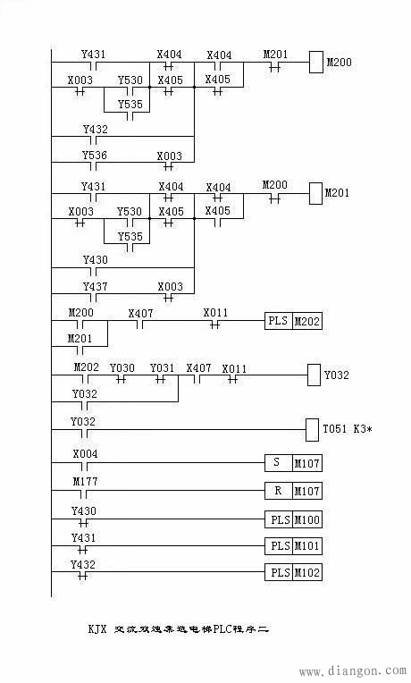
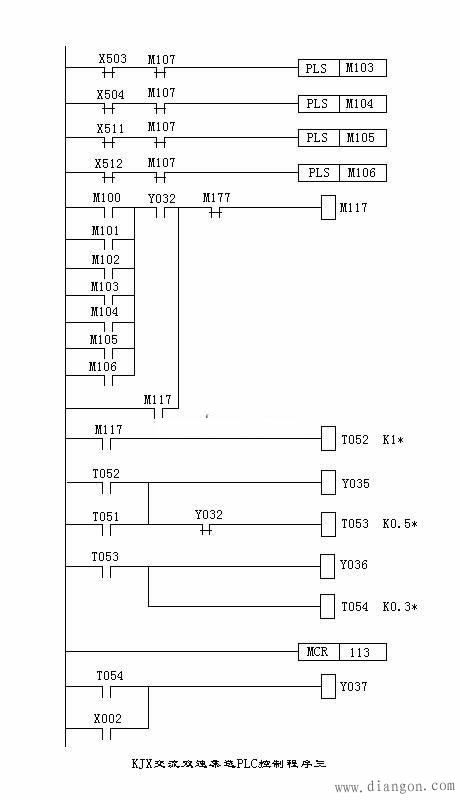
KJX-plc电梯控制输入输出分配
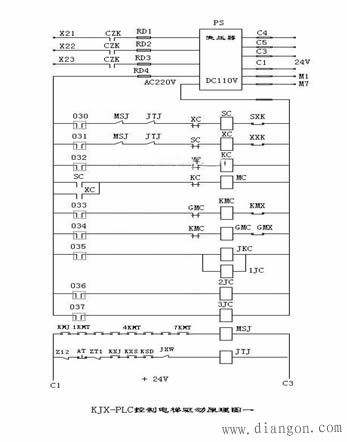
这个系统是在1990年10月完成的.系统采用三菱F系列可编程控制器控制,控制层为7层、采用双速电机.具体实施方法及全部电路图和控制程序将在下面几讲中分别给出.由于电路图还要重新画,可能会慢一点给出.要有耐心呦.下面先给出KJX-PLC电梯控制的输入输出分配图:




整理这些资料还真够费劲的.尤其画这些梯形图.太耽误时间了.白天上班,晚上画一会.总想快点画完.无奈时间有限,只有一点一点的往上加了!



电梯控制原理图中的符号解释
刊误:接到输入端X407的接点JMS应为MSJ(门延时继电器接点)。
符号解释:
JTJ - 安全回路的急停继电器
YXK - 运行选择开关
JX - 集选(自动)
SJ - 司机(手动)
ZSA - 直驶按钮
KMA - 开门按钮
GMA - 关门按钮
KMX - 开门限位
GMX - 关门限位
OLK - 或联开关
MXK - 慢修(检修)开关
NMS - 轿厢内慢上按钮
NMX - 轿厢内慢下按钮
DMS - 轿厢顶慢上按钮
DMX - 轿厢顶慢下按钮
SPX - 上平层限位
XPX - 下平层限位
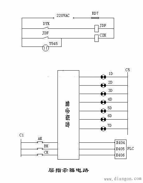
XFK - 消防开关
MSJ - 门时间继电器
SXK - 上限位开关
XXK - 下限位开关
KMX - 开门限位
GMX - 关门限位
KMC - 开门接触器
GMC - 关门接触器
全站搜索