首页
电工知识
机械维修
仪器仪表
工业控制
试题总结
安全用电
电力配电
电工配件
导航
本站搜索
电工知识
机械维修
仪器仪表
工业控制
试题总结
安全用电
电力配电
电工配件
家电弱电
业界资讯
通信技术
你的位置:
首页
>
机械维修
>
电梯
双速电梯电气原理图及PLC安装接线图绘制
2016-12-19 17:23:15 | 人围观 |
评论:
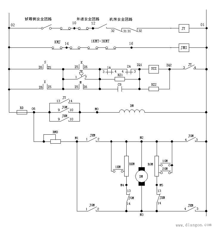
一、双速电梯电气控制主回路
二、安全回路、门锁回路、制动器、门机回路
三、plc接线图(输入回路)
三、PLC接线图(输出回路)
图中线号与继电(接触)器触点号可根据实际情况自定义,这里不再画出。另电源部分与照明部分也未画出。(实在是画累了哦 ^-^ )
< 上一篇
电梯电气控制系统故障的排除方法
下一篇 >
通力电梯报0025故障解决方法
标签:
相关内容推荐:
2016-12-19
双速电梯电气原理图及PLC安装接线图绘制
推荐阅读
什么都不会可以学习电工吗?电工难学吗?电工应该怎么样入门?电工应该怎么样学精通?
安防门禁系统常见故障及维修方法
智能门锁用什么电池好?智能门锁电池用碳性好还是碱性好?常见5号AA电池选购指南
装修时零线火线接反了怎么办?老电工教您一招三分钟搞定
小型断路器上标数字都表示什么?小型断路器参数解析
电工经验分享:几个小窍门让你工作起来得心应手
万用表判断单相电机好坏方法图解
家装配电箱接线是否每个回路的零线都要接在零线排上?
电工入门到底该怎么样学习?电工入门应该五步走
电热水壶内部电路原理图及故障维修方法
最热文章
安装监控需要多少钱?人工费怎么算?安装监控收费标准
电容的公式
电热水壶内部电路原理图及故障维修方法
2020年电工职业资格证取消了?电工职业资格证退出国家目录
7812引脚图及参数,7812稳压电路图
雅迪电动车控制器接线图解读
plc编程工资多少一个月
汽车电动车窗的组成和电路图工作原理图解
新版电工证是不是只有电子版?电工证二维码能造假吗?新二维码电工证照图片
漏电保护器图形符号和文字符号
全站搜索