2016-11-26 12:08:13 | 人围观 | 评论:
在没有使用爬行时,主速度给定是通过斜坡发生器 从0“平滑”上升到我设定的速度吧?
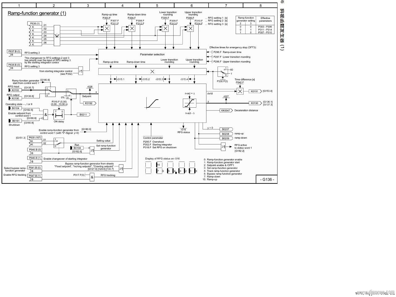
爬行呢,旁路掉斜坡,是不是 线性上升? 爬行(P440从0到1)同时P441设置K403(p403=0.7%)0.7是什么意思?
答:首先斜坡与爬行有什么区别?简单说爬行是一种运行状态,它和点动、正常运行一样都是一种运行状态,这种状态在对刀,自动回原点等工艺过程有很广泛的应用;而斜坡简单而言是指的是某一给定值对时间的变化率,最简单可以理解为即当你给定速度或转矩从0--100%的的变化时间。
在没有使用爬行时,主速度给定是通过斜坡发生器 从0“平滑”上升到我设定的速度吧?
你的理解是对的但不全面,当你不使用爬行时,给定值默认的是通过斜坡函数发生器从0上升到你的给定值,但你也可以通过P641旁路斜坡函数发生器,但此时若你的给定值增加过快会导致报过压过流等故障;同样道理,你在使用爬行时若爬行速度很慢你可以采用默认的不屏蔽斜坡函数发生器即P442=0,这时你设置的固定或变化的爬行给定会以上升/下降时间为0的方式投入速度调节器,当然你也可以将P442的某一变址或几个变址设置为1,使其与来自P440所定义的爬行指令相与为1产生屏蔽斜坡函数发生器的信号。
爬行呢,旁路掉斜坡,是不是 线性上升? 爬行(P440从0到1)同时P441设置K403(p403=0.7%)0.7是什么意思?
前面说到了,如果旁路斜坡就意味着你的给定会以上升/下降时间为0的方式投入速度调节器,即理论上的90度垂直上升。P440是爬行命令输入的源,也就是你的爬行指令通过这里输入,而P441就是你的爬行速度输入的源,你这里P441设置的K0403即表示你的爬行速度是个固定值,大小为0.7%,这里的0.7%指的是最大速度的0.7%,例如你的最大转速P108设置的为1000转/分,那么你爬行时的速度就是7转/分。
爬行
斜坡函数发生器
固定值
全站搜索