你的位置: 首页 > 机械维修 > 汽车电气

不同形式交流发电机的电路连接方式及原理

2016-10-23 11:41:56 | 人围观 | 评论:

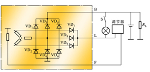
1、9管交流发电机

9管交流发电机的特点是除了常用的6个二极管外,又增加了3个小功率二极管,专门用来供给磁场电流,又称为磁场二极管。采用磁场二极管后,可以省去充电指示灯继电器,其线路连接关系如图所示。





标签:
点击放大