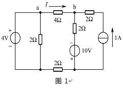
一、判断 1、由于P型半导体中的多数载流子是空穴,空穴带正电,所以P型半导体带正电。( 错 ) 2、已知电阻元件上电压电流为非关联参向,根据P=-UI,所以该电阻元件发出功率。( 错 ) 3、在电路分析中,若电压源不作用,应视为短路;而电流源不作用,应视为开路。( 对 ) 4、叠加定理不仅适用于电路中电压和电流的计算,也适用于功率的计算。( 错 ) 5、半导体的三个特性是热敏性、光敏性和掺杂性。( 对 ) 6、由于N型半导体中的多数载流子是自由电子,自由电子带负电,所以N型半导体带负电。(错 ) 7、直流情况下,电容元件视为开路,电感元件视为短路。( 对 ) 8、二极管和三极管是非线性元件。( 对 ) 9、基本共集电极放大电路只能进行电流放大,不能进行电压放大。( 对 ) 10、直流情况下,电感元件视为开路,电容元件视为短路。( 错 ) 11、只有电路既放大电压又放大电流,才能称其有放大作用。( 错 ) 12、电路中基本变量是电压和电流。( 错 ) 13、对信号的放大是指对交流信号的放大。( 对 ) 14、基尔霍夫定律的表达式: 1)∑i=0( = ); 2)∑I=0( = );3)∑u=0( )=;4)∑Um=0( 错 ) 15、叠加定理适用于线性电路和非线性电路。( 错 ) 16、电路中的基本变量是电压、电流和功率。( 错) 17、只要是共射放大电路,输出电压的底部失真都是饱和失真。( 错 ) 18、电阻R1与R2串联连接,总的等效电阻R=R1+R2。( 对 ) 19、串联电路电流相等;并联电路电压相等。( 对 ) 20、基尔霍夫定律适用于有效值和最大值。(错 ) 21、电容器能够储存电场能量,电感线圈能够储存磁场能量。( 对) 22、变压器即能传送直流信号,也能传送交流信号。( 对) 23、电阻元件上的电压、电流满足欧姆定律。( 错) 24、基尔霍夫定律适用于瞬时值和向量。(对 ) 25、二极管两端只要加正偏电压,就能正向导通。( 错) 26、放大电路必须有合适的静态工作点才能正常放大信号。( 对 ) 27、普通的电阻、电容、电感是线性元件。(对 ) 28、二极管两端加反偏电压时,一定工作在反向截止区。( 错) 29、三极管一定有三个管脚,( 对 )有三个管脚的一定是三极管。( 错 ) 30、三极管是能够放大电流的器件。( 对 ) 31、二极管、三极管都是是有源元件。( 错 ) 32、由线性元件构成的电路是线性电路。( 对 ) 33、非线性电路全部由非线性元件构成。( 错 ) 34、在电压电流参考方向关联的情况下,欧姆定律的表达式是:U=RI。(对 ) 35、二极管有两个电极,分别是正极(阳极)和负极(极)。( 对 ) 36、三极管工作在放大状态时,能够放大电流。( 对) 二、填空 1、电路是电流流通的 路径 ,我们分析的电路是 电路模型 (电路模型或实际电路),构成的元件是 理想元件 (理想元件或实际元件)。 2、基尔霍夫电压定律和基尔霍夫电流定律的内容分别为回路电压之和为0和节点电流之和为 0 , 表达式形式分别为 u=o 和 I=O 。 3、电荷的定向移动形成 电流 ,正电荷移动的方向是电流的 相同 方向,负电荷移动的方向与电流方向 相反 。 4、正弦电流解析式i=220 sin(314t-30°)A,该正弦电流的振幅Im= 220√2 A,有效值 I= 220 A,角频率ω= 314 rad/s,频率f= 50 Hz,周期T= 0.02 s,初相 φi= -30 度。 5、电路中任意一点的电位,是该点到参考点之间的 电压 ,任意两点的电压是两点之间的 电位 之差,参考点的电位为 0 。 6、三极管有三个电极,分别是 基级 、 发射极 、 集电极 ;按结构不同可分为 pnp型 和 npn 型。三极管的三种工作状态分别是: 饱和区 、 放大区 、 截止区 。 7、二极管的单向导电性,是指加正偏电压时二极管 导通 ,加反偏电压时二极管 截止 。 8、电压的单位是 伏特 V ,电流的单位是 安培 A ,功率的单位是 瓦特 W 。 9、电容的大小用 电容量 表示,单位是 法拉F ;电感的大小用 电感量 表示,单位是 亨利 H ;电阻是对电流的 阻碍 作用,用R表示,单位是 欧姆 R 。 10、电压源的输出 电压 恒定不变;电流源的输出 电流 恒定不变。 11、稳压管正常工作时工作在 反向击穿区 区,发光二极管正常工作时工作在 正向导通区 区,光敏二极管正常工作时工作在 反向截止区 区。 12、叠加定理适用于 线性 电路,不适用于 非线性 电路。 13、直流电流是 大小和方向不随时间变化 的电流,交流电流是 大小和方向做周期性变化的 的电流。 14、正弦量的三要素是: 振幅值 、 角频率 、 初相位 ,其中 振幅值 的大小表示信号的大小。 15、电阻元件上电压与电流的相位 相同 、电容元件上电压 滞后 与电流90°,电感元件上电压 超前 与电流90°。 16、三极管三种接法分别是:共 发射极 极接法、共 基 极接法和共 集电极 极接法;分别构成的基本放大电路分别是:共 发射极 极放大电路、共 基 极放大电路和共 集电极 极放大电路。其中的共 基 极放大电路既能放大电压,也能放大电流。 17、变压器是能够变换 电压 的元件,还能变换 阻抗 和 电流 。变压器只能传输 交流 信号,不能传输 直流 信号。 18、杂质半导体有 P 型半导体和 N 型半导体,由它们构成PN节,PN节具有 单向 导电性,可以做成 半导体 器件。 三、简答 1、电工电子中学过的电子元器件都有那些? 电阻 电容 电感 2、有电压的地方一定有电流,对吗?举例说明?- 不对 放大电路开路时电路为0 3、什么是二极管的单向导电性?二极管的单向导电性有哪些应用? 正向导通反向截止 整流电路 4、列举几种特殊的二极管,说明他们各自的工作区域分别是什么? 发光二极管 稳压二极管 光敏二极管 正向导通区 反向击穿区 反向截止区 5、画出电阻、电容、电感的电路符号,说明他们时候是线性元件? 电阻量电容量电感量恒定不变时为线性元件 6、放大的实质是什么?为什么说三极管是有源元件?二极管是不是? 把直流电源的直流电能转换成交流信号的交流电能 三极管能够进行能量转换 二极管不是 7、基本共集电极放大电路有什么特点? Au》=1 输入电阻大 输出电阻小 8、简述电工电子第一学期所学内容。 电路模型与电路变量 电路元件 电压源和电流源 基尔霍夫定律 戴维南定理与叠加定理 正选交流电的基础知识 正选交流电路中单一元件的约束关系 plc串联电路 互感与变压器 半导体的基本认识 二极管 三极管 放大电路的基本组成和分析方法 多级放大电路 四、分析计算 1、一理想变压器原绕组N1=2000匝,接在220V的正弦电压上,副绕组两端接负载电阻RL=5.5W,测得副绕组端电压为11V。求变压比n、副绕组匝数N2、原绕组电流I1。 解:n=u1:u2=220v/11v=20 N2=N1:n=2000/20=1OO匝 Rab=n^2RL=400*5.5Ω=2200Ω I1=U1/Rab=220V/2200Ω=0.1A 2、用戴维南定理求解图1电路中的支路电流I。 解:判开待求支路得4V求得戴维南等效电路图如下

Uoc=4v+10v-2v=12v Ro=2Ω+2Ω=4Ω 接入断开支路如图所示则: I=12v/4Ω+4Ω=1.5A  3、求图中各支路电流,并计算电压源和电流源的功率,确定是吸收还是发出功率。 解:I2=10V/20Ω=0.5A I1=-(1A-0.5A)=-0.5A Pus=-UI1=10V*0.5A=5W Pis=-UisIs=-(10v+10Ω*1A)*1A=-20W
 所以电压源吸收功率电流源发出功率 4、测出放大电路中的两只晶体管的直流电位如图所示,在圆圈中画出管子,并说明管型、是硅管还是锗管。

5、实际中测得放大电路中三极管两个电极的电流如图,分析另一电极电流的大小和实际方向,并判断管型。  |