2016-10-24 13:48:57 | 人围观 | 评论:
任何传输系统与其保护系统、时钟系统是不可分割的,在此将分别加以讨论.
1.SDH传输系统
在SDH光缆线路系统中,通常采用点对点链状系统和环网系统,如图6-22所示,由此可见,在点对点系统中,它是由具有复用和光接口功能的线路终端、中继器和光缆传输线构成,其中中继器可以采用目前常见的光一电一光再生器,也可以使用掺铒光纤放大器EDFA,在光路上完成放大的功能.而在环网系统中,可选用分插复用器,也可以选用交叉连接设备来作为节点设备,它们的区别在于后者具有交换功能,它是一种集复用、自动化配线、保护/恢复、监控和网管等功能为一体的传输设备,可以在外接的操作系统或电信管理网络(TMN)设备的控制下,对多个电路组成的电路群进行交换,因此其成本很高,故通常使用在线路交汇处.而接人设备则可以使用数字环路载波系统(DLC)、B-ISDN宽带综合业务接人单元、FDDI.


2.系统保护问题
随着技术的不断进步,信息的传输容量以及速率越来越高,因而对通信网络传递信息的及时性、准确性的要求也越来越高,如果一旦通信网络出现线路故障,那么将会导致局部甚至整个网络瘫痪,因此网络安全性问题是通信网络设计中必须考虑的重要问题.目前,在实际的SDH网中,都采用线路保护倒换和自愈环两种保护方式.
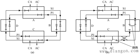
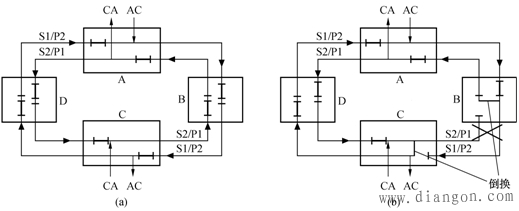
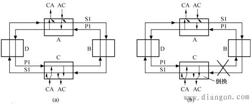
1.自动线路保护倒换
自动线路保护倒换结构有两种:即1+1和l:n结构方式,下面,便进行简单介绍.
(1)1+1结构
在图6-23中给出了1+1线路保护倒换结构,从图中可以看出,由于发送端是永久地与主用、备用信道相连接,因而STM-N信号可以同时在主用信道和备用信道中传输,在接收端其MSP(复用段保护功能)同时对所接收到的来自主、备用信道的STM-N信号进行监视,正常工作情况下,选择来自主用信道的信号作为输出信号,一旦主用信道出现故障,则MSP会自动从备用信道中选取信号作为接收信号.









全站搜索