2016-10-24 13:38:11 | 人围观 | 评论:
一、100BASE-T技术
100BASE-T(快速以太网Fast Ethernet):是使用10BASE-T的CSMA/CD媒体访问控制方法在双绞线上传送100Mbps基带信号的星形拓扑以太网。
100BASE-T网卡有很强的自适应性:能够自动识别10Mbps和100Mbps,所有在10BASE-T上的应用软件和网络软件都可保持不变。
IEEE于1995年正式通过了100BASE-T快速以太网的国际标准,即802.3u标准,作为对现行的802.3标准的补充。
新标准不仅在最大程度上保持了802.3标准的完整性,而且保留了核心以太网的细节规范,但同时也对原以太网的某些规定作了一定的改动!
例如:100BASE-T采用常规10BASE-T的CSMA/CD媒体访问控制方法,但其性能是10BASE-T的10倍,而价格仅为其一半;
100BASE-T与10BASE-T相比除了帧间隔缩短到原来的1/10外(从原来的9.6μs 改为现在的0.96μs),两者的帧格式及参数完全相同;
当发送数据的速率提高时,100BASE-T中采用的方法是保持最短帧长不变,将最大电缆长度减小到100m。
二、100BASE-VG技术
100BASE-VG:是一种使用集线器的100Mbps高速局域网,在语音级UTP电缆上进行100Mbps速率传输,适合于以太网和令牌环网,也称为100VG-AnyLAN,其中VG代表Voice Grade,Any表示能使用多种传输媒体,常简写为100VG,IEEE标准为802.12。
特点:是一种无冲突局域网,采用4对线系统,以半双工方式传送数据,信息分4路同时传输,提供与100Mbps速率相应的带宽,支持IEEE802.3和802.5两种数据帧,能更好地支持多媒体传输,支持3类、4类或5类UTP电缆、STP电缆和光纤等传输介质。
5B6B编码:将数据流中每5位划分为一组,按编码规则将这5位转换为相应的6位编码,使每对UTP上
30MBaud的信号速率可以获得25Mbps的数据速率。
5位二进制位共有32种编码组合,而在6位二进制位的64种组合中只有20种是其中的l和0一样多(当每组中具有相同数量的l和0可使直流分量为零),因此有12种输入组合所对应的输出就一定有直流分量!
编码规则使这12种输入中的每一种对应于两种不同的输出:
一种叫“方式2输出”,含2个l和4个0;另一种叫“方式4输出”,含4个1和2个零。
当这12种输入中的某一种出现时,对应的输出就使“方式2输出”和“方式4输出”交替出现,使输出数据流中直流分量最小。

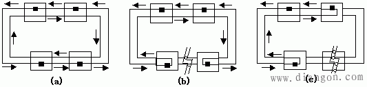
用图说明需求优先协议的工作原理:假设网络中共有8个节点,分别与集线器的8个端口连接。

100BASE-VG采用星形拓扑结构,由中央集线器对全网实行集中式访问控制。
每个集线器经配置都支持以太网卡和令牌环网卡及其帧格式,但两者不能共存于同一网段中;
网络节点可以是客户机、服务器或其他连接设备(如集线器、交换机、网桥等);
可使用多线层次结构,集线器作为节点时要使用它的上行链路端口与上一级集线器相连接,每一个下级集线器相对其上级集线器就相当于一个端口。
在进行循环扫描时使用深度优先搜索:即当扫描到接人集线器的端口时,就先向下对该集线器的各端口依次进行扫描,然后再回到原来的集线器的端口继续扫描。
100BASE-VG网络与以太网或令牌环网互连时要使用网桥。
100BASE-VG与FDDI、ATM或广域网连接时要使用路由器。
三、吉比以太网――吉比以太网的标准802.3z
吉比以太网与标准以太网、快速以太网兼容:仍使用原有以太网的帧结构、帧长及CSMA/CD协议,仅在底层将数据速率提高到了1Gbps。
吉比以太网的物理层包括两个标准:
(1).1000BASE-X(802.3z标准):可以使用的传输介质为光纤和宽带同轴电缆,链路的操作模式为全双工操作,其中光纤系统支持多模光纤和单模光纤。
1000BASE-SX:使用芯径为50及62.5μm、工作波长为850nm的多模光纤和850nm激光器(距离为300550m),采用8B/10B编码方式,传输距离分别为260m和525m,适用于建筑物中同一层的短距离主干网;
1000BASE-LX:使用芯径为50及62.5μm的多模或单模光纤,工作波长为1300nm,采用8B/10B编码方式,传输距离分别为525m、550m和3000m,主要用于校园主干网;
1000BASE-CX:使用150Ω平衡屏蔽双绞线STP,采用8B/10B编码方式,传输速率为1.25Gbps,传输距离为25m,主要用于集群设备的连接,如一个交换机房内的设备互联。
(2).1000BASE-T(802.3ab标准):使用4对5类线UTP,传送距离为25-100m,链路操作模式为半双工操作,主要用于结构化布线中同一层建筑的通信。
吉比以太网的帧结构与标准以太网的帧结构相同:最大帧长为1518字节,最小帧长为64字节。
对媒体的访问采用全双工和半双工两种方式:
全双工方式:适用于交换机到交换机、或交换机到站点之间的点到点连接,两点间可同时进行发送与接收,不存在共享信道的争用问题,不需采用CSMA/CD协议。
半双工方式:适用于共享媒体的连接方式,仍采用CSMA/CD协议解决共享信道的争用问题。
吉比以太网采用“载波扩展”(carrier extension)进行冲突检测:即最短帧长64字节仍不变,但将争用时间变为512字节,凡发送的帧长不足512字节时,用一些特殊字符填充在帧的后面,使其长度达到512字节。
为减少发送大多数小于512字节的帧造成的浪费,可以采用分组突发法!
分组突发(packet bursting):当很多短帧要发送时,第一个短帧用载波延伸的方法进行填充;随后的一些短帧则可一个接一个地发送,彼此之间只需留有必要的帧间最小间隔,形成可一串分组的突发,直到达到1500字节为止。
吉比以太网可用作快速以太网的主干网,也可在高带宽的应用(如医疗图像或CAD的图形等)用来连接工作站和服务器。
吉比以太网交换机可以很容易将FDDI主干网进行升级:只要将原FDDI的集中器和以太网到FDDI的路由器与吉比以太网交换机相连即可。

特点:简易性、技术过渡的平滑性、网络可靠性、可管理性与可维护性、经济性和支持新应用于新数据类型等。
四、光纤分布数据接口FDDI
光纤分布数据接口FDDI:是一个以光纤作为传输介质的双环形网络。
FDDI网络:用FDDI技术建立的网络。
FDDI网络特点:
数据传输速率可达到100Mbps;
光信号码元传输速率为125Mbaud;
采用多模光纤进行数据传输;
使用光纤进行传输可使误码率小于2.5 ×10-10;
使用具有容错能力的双环拓扑;
最多可连接500个站点,最大站间距离为2Km,环路长度为100Km,即光纤总长度为200Km;
FDDI网络也常被划分在城域网MAN的范围。
FDDI采取自恢复的措施来地提高网络的可靠性:使用两个数据传输方向相反的环路,在正常的情况下,只有一个方向的环路在工作,这个工作的环路叫做主环,而另一个不工作的环路叫做次环;当环路出现故障时,无论是链路或站点出故障,FDDI可自动重新配置,同时启动次环工作,从而使整个网络不致瘫痪。
每个方拒代表一个双连接站DAS;小黑方点代表MAC实体逻辑连接,一个双连接站可以有1个或2个MAC实体;只能接入到一个方向的环路之中的站点称作单连接站SAS,对于单连接站,一旦环路出现故障,该站就可能与网络分离开。
当主环和次环都工作时FDDI环路的总长度大约增大一倍。
当出现多处故障时,FDDI将变为多个分离的小环形网继续工作。

FDDI网络的MAC层协议:使用令牌传递MAC协议,但不同的是在FDDI中采用多数据帧访问方法,即允许在环路中同时存在多个数据帧,以提高信道的利用率。
FDDI网络的LLC层协议:使用802.2的LLC协议,与IEEE802局域网兼容。
FDDI网络采用了4B/5B-NRZ编码,使传输效率提高到80%。
4B/5B-NRZ编码:5位二进制编码的32种组合中实际只使用了其中的24种,其中16种作为4位数据编码,8种用作控制编码(如帧的开始和结束,光纤线路的状态是静止、空闲或暂停等),16种数据码的5位编码中“1”的个数至少为2个,信号中就至少有两次跳变,因此接收端可得到足够的同步信息。
FDDI网络具有动态分配带宽的能力,能同时提供同步和异步数据服务。
采用分布式时钟方案:即在每个站点都配有独立的时钟和弹性缓冲器,进入站点缓冲器的数据时钟是按照输入信号的是中确定的,而从缓冲器输出的信号时钟则根据站点的时钟确定,这种方案使环路中中继器的数目不受时钟偏移因素的限制。
FDDI在校园主干网的应用:校园网的特点是站点分布在多个建筑物中,其中可能遇到点对点链路长达2Km的情形,FDDI作为一些低速网络之间的主干网。

其它几种类型的高速局域网:等时以太网、全双工以太网,即20Mbps以太网、全双工令牌环、高性能并行接口―HIPPI、光纤通道。
在二进制指数退避的算法中引人时隙可以减少冲突的概率。
全站搜索