节流装置由节流元件、测量管段(节流元件前后的直管段)与取压装置等三部分组成。
节流装置分为标准节流装置和非标准节流装置两大类。标准节流装置中,节流元件的结构形式、尺寸和技术要求等均已标准化(我国现行标准为GB/T2624--1993),对取压方式、取压装置以及对节流元件前后直管段的要求也有相应规定,有关计算数据都经过大量的系统实验而有统一的图表可供查阅。按标准规定设计制造的节流装置,不必经过单独标定即可投入使用。
①标准节流装置的适用条件
a.流体必须是牛顿流体,在物理学和热力学上是均匀的、单相的,或者可认为是单相的流体,如混合气体,溶液,分散性粒子小于0.1/μm的胶质溶液,含有不超过2%(质量成分)均匀分散的固体微粒的气体以及不超过5%(体积成分) 均匀分散气泡的液体流,均可按单相流体考虑,但其密度应取平均密度。
b.流体必须充满管道和节流装置且连续流动,流经节流元件前流动应达到充分紊流,流束平行于管道轴线且无旋转,流经节流元件时不发生相变。
c.流动是稳定的或随时间缓变的,不适用于脉动流和临界流的流量测量,流量变化范围亦不能太大(一般最大流量与最小流量之比值不超过3:1)。
②标准节流元件的结构形式
标准节流元件有孔板、喷嘴和文丘里管。工业上最常用的是孔板,其次是喷嘴,文丘里管使用较少。
a.标准孔板
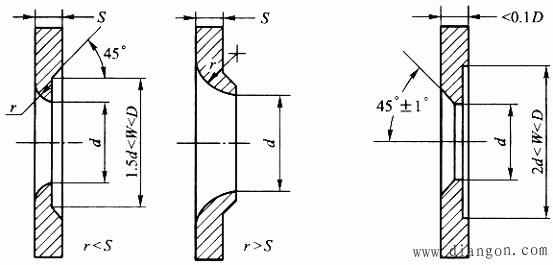
标准孔板是一块具有与管道同心圆形开孔的圆板,如图1所示,迎流一侧是有锐利直角t入口边缘的圆筒形孔,顺流的出口呈扩散的锥形。标准孔板的各部分结构尺寸、粗糙度在“标准”中都有严格的规定。它的特征尺寸是节流孔径d,在任何情况下,应使d>12.5 mm,且直径比卢应满足0.20≤β≤0.75;节流孔厚度E应在0.005D与0.02D(D为管道直径)之间;孔板厚度E应在e与0.05D之间;扩散的锥形表面应经精加工,斜角F应为450±150。
标准孔板结构简单,加工方便,价格便宜;但对流体造成的压力损失较大,测量精度较低,而且一般只适用于洁净流体介质的测量。此外,测量大管径高温高压介质时,孔板易变形。
b.标准喷嘴

图1 标准孔板
标准喷嘴是一种以管道轴线为中心线的旋转对称体,主要由入口圆弧收缩部分与出口圆筒形喉部组成,有ISAl932喷嘴和长径喷嘴两种型式。ISAl932喷嘴的结构如图2所示其廓形由入口端面A、收缩部分第一圆弧曲面B与第二圆弧曲面C、圆筒喉部E和出口边缘保护槽F组成。各段型线之间相切,不得有任何不光滑部分。喷嘴的特征尺寸是其圆筒形喉部的内直径d,筒形长度b=0.3D。长径喷嘴廓形由A与B两段组成,A是1/4椭圆弧线构成的流体收缩段,8为圆筒形喉部平流段,见图3。
标准喷嘴的测量精度比孔板高,压力损失要小于孔板。能测量带有污垢的流体介质,使用寿命长。但结构较复杂、体积大,比孔板加工困难,成本较高。
c.文丘里管
文丘里管有两种标准形式:经典文丘里管与文丘里喷嘴。

(a)
(b)![]()
图2 ISAl932喷嘴

(a)高比值0.25≤β≤0.8 (b)低比值0.2≤β≤0.5
图3 长径喷嘴
文丘里管压力损失最低,有较高的测量精度,对流体中的悬浮物不敏感,可用于污脏流体介.质的流量测量,在大管径流量测量方面应用的较多。但尺寸大,笨重,加工困难,成本高,一般用在有特殊要求的场合。
③节流装置的取压方式
根据节流装置取压口位置可将取压方式分为理论取压、角接取压、法兰取压、径距取压与损失取压五种,如图4所示。
理论取压法的上游取压孔中心与孔板前端面的距离为1D±0.1D,下游取压孔中心与孔板后端面的距离随口值的不同而异,在(0.34-0.84)D之间,如图中1-1;角接取压法的取压孔紧靠孔板的前后端面如图中2-2;法兰取压法上下游取压孔中心与孔板前后端面的距离均为25.4 mm,如图中3-3;径距取压法上游取压孔中心与孔板前端面的距离为1D,下游取压孔中心与孔板后端面的距离为0.5D,如图中4-4;损失取压法直接在管道上开孔,上游取压孔距孔板前端而为2.5D,下游取压孔距孔板后端面为8D,如图中5-5。

图4 节流装置的取压方式
1-1-理论取压;2-2-角接取压;3-3-法兰取压;4-4-径距取压;5-5-损失取压
径距取压法与理论取压法的下游取压点均在流束的最小截面区域内,而流束的最小截面是随流量而变的,在流量测量范围内流量系数α不是常数,并且又难于采用起均压作用的环室取压,因而很少采用。损失取压法开孔取压十分简单,但它实际测定的是流体流经节流件后的压力损失,由于压差较小,不便于检测,一般也不采用。目前广泛采用的是角接取压法,其次是法兰取压法。角接取压法比较简便,容易实现环室取压,测量精度较高。法兰取压法结构较简单,容易装配,计算也方便,但精度较角接取压法低些。
角接取压装置的取压口结构有带均压环的环室取压和不带均压环的单独钻孔取压之分,如图8-l0所示。法兰取压装置的结构如图6所示。

图5 角接取压装置结构 图6 法兰取压装置结构
④测量管道条件
测量管道截面应为圆形,节流元件及取压装置安装在两圆形直管之间。节流元件附近管道的圆度应符合标准中的具体规定。
节流元件前后应有足够长的直管段,以保证流体流到节流元件前达到充分紊流状态,否则将影响测量精度。标准节流装置组成部分中的测量直管段(前10D后5D,一般由仪表厂家提供)是最小直管段L的一部分,其内表面必须是光滑的,L的其余部分内表面可以是粗糙的。最小直管段L的长度取决于节流件的形式和直径比口,可查阅规范。
当现场难以满足直管段的最小长度要求或有扰动源存在时,可考虑在节流元件前安装流动整流器,以消除流动的不对称分布和旋转流等情况。安装位置和使用的整流器型式在标准中有具体规定。安装了整流器后会产生相应的压力损失。
⑤非标准节流装置
标准化节流装置有其适用的范围和条件。在工程实际应用过程中,对于诸如脏污介质、低雷诺数流体、多相流体、非牛顿流体或小管径、非圆截面管道等流量测量问题,标准节流元件就不能适用,需要采用一些非标准节流装置或选择其他型式的流量计来测量流量。
非标准节流装置就是试验数据尚不充分,可用数据误差较大的尚未标准化的节流装置。其设计计算方法与标准节流装置基本相同,但使用前需要进行实际标定。
图7是几种典型的非标准节流装置节流件。
a.1/4圆喷嘴
1/4圆喷嘴结构比标准喷嘴短小,入口廓形是半径为r的1/4圆弧。主要用于圆管流中低雷诺数流量测量,其适用的雷诺数范围为500~2.5×105;适用的管道直径为40.150mm。它的取压方式采用角接取压或法兰取压,节流元件上下游直管段要求与标准节流件相同。
b.锥形入口孔板
锥形入口孔板的形状与标准孔板相似,相当于一只倒装的孔板。适用于圆管流中低雷诺数流量测量,雷诺数范围为250~2×105;适用的管道直径>25 mm,孔板开孔直径>6 mm。采用角接取压,节流元件上下游直管段要求与标准孔板相同。
c.圆缺孔板
圆缺孔板主要用于脏污介质、有气泡析出或含有固体微粒的液体以及含有固体微粒或液滴的气体的流量测量。测量含固体物料的液体时,圆缺孔板开孔 位于下部,以便于脏污尘灰被流体带走;测量含气液体时,圆缺孔板的开孔位于上部,测量管道一般水平安装。圆缺孔板采用单独钻孔取压,取压孔应在圆缺孔板的顶部。

(a)1/4圆喷嘴 (b)锥形入品孔板

(c) 圆缺孔板
图7 非标准节流装置
还有一些非标准节流装置,如偏心孔板、双重孔板、环形孔板等在此不予以介绍了。
全站搜索