2023-03-22 11:25:04 | 人围观 | 评论:
如今,血压计已经成为许多家庭必备的测量工具。市售血压计大致分为电子数字血压计、台式水银柱血压计和机械(压力表)式血压计三种。前者价格高,后者精确度不高,而水银柱血压计则介于两者之间,也是医生最佳欢用的医疗器具,但由于其须配合听诊器才能判断血压的上下限值,而人的听觉是有一定的离散性的,所以,不同的人诊断结果往往具有不同的系统误差,当室内有躁声时更可能因分辨不清而误诊。笔者使用电子电路来代替听诊器,可以克服上述缺点,经长期使用,效果很好。
血压计电子测量电路图如下图所示,测量器由声波采集、电压放大、低通滤波、波形变换、电压检测、声光显示电路组成。

HTD1将检测到的脉搏跳动声波信号送V1的栅极,在此,V1起阻抗变换作用.将高内阻的微弱声波信号电压变换为较低阻抗输出,经C1、C2、C4耦合给IC1。IC1为四运放,其⑤ 、⑥ 、⑦ 脚内部电路及外围元件构成电压放大器,改变R8的阻值可调整本级放大倍数。经放大后的音频信号经R9、C6耦合给① 、② 、③脚内外电路组成的低通滤波器,消除人体感应及外界干扰信号。并提高带负载能力。其信号从①脚输出,经C8耦合给12 、13 、14脚进行整形放大,将脉冲声波变换成方波由14脚输出.调整w1可改变放大量。14脚输出的方波信号直接耦合给IC2的③ 脚和12 脚.经两个运放放大后,分别由① 脚和14脚输出.①脚输出的方波电压经D6耦合给IC3的12、13脚。IC3为四与非门电路,当12 、13脚为高电平时,②脚输出低电平.D7发光指示.调整C12的容量,可改变D7的发光延迟时间。IC2的14脚输出的方波脉冲高电平经D5耦合给IC3的①脚,其① 、② 、③ 、④ 、⑤、⑥脚内外电路构成振荡器。①脚为高电平时振荡器起振,发出声响,其振荡频率约2000Hz。V2及IC2的⑤ ~⑩脚电路起声光同步等作用。
IC1的⑧ 、⑨ 、⑩脚电路构成电压检测器,以防电池电压过低时失去测量的准确性。D1为⑩ 脚提供4.5V的基准电压,R17、W2、R18组成分压器。调整W2可设定起控电压值,当⑨ 脚电压低于⑩脚时,⑧ 脚输出高电平,D2发光,说明电压过低应更换电池。该辅助测量器耗电很小,更换一次电池可使用一年以上。
元件的选择:
HTD1选用27mm压电陶瓷片。IC1、IC2选用LM324四运放。IC3选用CD4011四与非门,D1选用4.5V稳压管,HTD2选用15mm压电陶瓷发声器,K选用微型拨动开关。D2用微型红色发光二极管,D7用微型蓝色高亮发光管,电源用四节五号电池,其余元件如图所示。
使用方法:
使用时,将血压计臂带固定在手臂上。将探头HTD1放在臂带下的肱动脉上。当气压估计大于收缩压(俗称高压)2.5~4kPa(20~30mmHg)左右时,停止加压,打开放气阀缓慢放气,当气压降到收缩压时,测量器开始发声,发光指示这时血压计上所显示的血压值即是收缩压,其声光均与脉搏的跳动同步,声光停止时血压计上所显示的血压值即是舒张压。
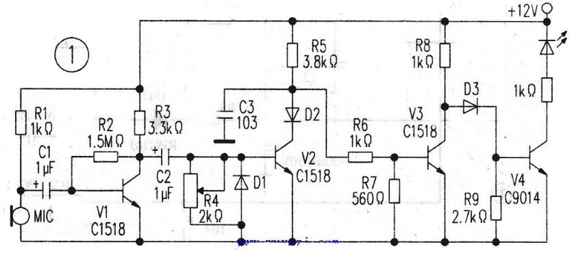
一、工作原理
电子血压计的工作原理,是将血压的压力信号通过压电传感器(压电敏感元件)转变成电信号,然后经放大器放大,再经整流、直放后,激励发光二极管发光。电路如图1所示。V1~V3为三级交流放大器,D3整流,V4为直流输出,其负载中串联发光二极管。当压敏元件输出脉冲时,发光二极管就闪亮。

二、安装调试和使用
电子血压计的调整基本和交流放大器调整相似。R4用以调节交流放大量,一定要注意和标准血压计相配合,才能很容易地达到满意的准确度。压电传感器可用驻极式微形话筒和一个听诊头(如图2所示装配而成。使用时,把绷带缠在胳膊上,台上压力开关,手压加压气球增加压力,然后打开压力开关逐渐减轻压力,发光二极管第一次闪光时的读数为血压上限值(收缩压),发光二极管最后一次闪光时读数为血压下限值(舒张压)。

全站搜索