2023-07-31 11:25:15 | 人围观 | 评论:
中国 上海,2022年3月10日——中国领先的高性能专用SoC芯片供应商上海泰矽微电子有限公司(以下简称“泰矽微”)宣布,量产用于汽车智能表面和智能触控开关的SoC系列化芯片及解决方案TCAEXX-QDA2,本次发布包含TCAE11-QDA2和TCAE31-QDA2两款芯片,均通过AEC-Q100 Grade 2 完整的可靠性认证测试。

TCAEXX-QDA2系列是基于ARM Cortex-M0 内核的高可靠性专用SoC芯片,工作主频32MHz,内置64KB Flash 和4KB SRAM,支持LIN总线通信,具备高抗干扰性和高达8kV HBM ESD性能。 泰矽微继续秉持了高性能,高集成度及高可靠性的产品开发理念,芯片集成了实现电容触摸和压力感应所需的高性能模拟电路和硬件加速模块,配合泰矽微自主知识产权智能演算法,是全球领先的车用智能按键和智能表面解决方案。

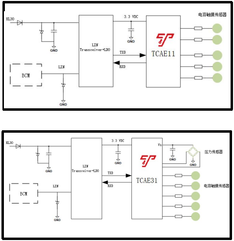
TCAE11-QDA2为车规类电容触控SoC芯片,可支持最多10通道电容触控检测,用于实现智能按键或滑条等功能,适用于车内阅读灯,氛围灯,中控,空调控制,方向盘,门把手等各类应用场景。
TCAE31-QDA2包含TACE11-QDA2的所有电容触控功能,另外还集成了惠斯通电桥模拟前端电路,包括低噪声电压源,2级最高1024倍增益放大PGA, 高精度ADC,失调电压动态补偿等电路单元,可实现22 bits宽动态和最小3.6uV信号测量,适合于外接多种形式的电桥类传感器用于压力检测和测量功能,适用于MEMS压感,应变片压感,及电阻压感等多种压力传感器的信号调理和采集及算法处理。是全球首款同时集成电容触控和压力触控的车规级SoC芯片。TCAE31-QDA2充分考虑了实际应用中可能面临的复杂变化要素,如由于装配,温度,湿度,老化,干扰等引起的参数变化,通过宽范围实时动态补偿结合智能演算法实现压力检测的持续可靠性。再结合电容触摸通道,实现电容+压感复合智能按键,可真正实现汽车应用所须的高抗干扰,防误触,防水等高可靠性要求,适用于如智能表面,智能B柱,智能中控,智能Logo,智能门把手等复杂车内和车外应用环境。
TCAE11-QDA2和TCAE31-QDA2 为QFN-28封装,外围电路简单,外接LIN SBC可实现跟BCM之间的通讯。泰矽微提供全方位的用于评估、测试、生产的软硬件平台,涵盖芯片评估、垂直方案、生产以及仿真调试下载工具等,为客户提供一站式服务。两款产品均已正式批量生产,货源充足,可满足大规模应用需求。
全站搜索