2023-08-01 11:25:17 | 人围观 | 评论:
虽然过了立春,冬爷爷老人家还是要显示自己宝刀未老,抖基本还是早出晚归的打工人的标配啊,下了公交抖一抖,出了办公室抖一抖,打工人曰:“抖抖更健康,哈~~哈~~!”水哥也经常抖,没什么,习惯就好,这是咱们打工人的坚忍!
抖是生活的常态,所以对数字信号完整性测量的时候,信号给你来个抖一抖也是正常的,请维稳!关键在于分析抖抖背后的原因,从而成为像水哥这样掌握抖抖背后秘密的那个不一样的男人!

今天就来教大家对付抖动的密码武器:眼图分析。对的,就是眼睛的眼,看!
对数字信号,尤其是告诉串行数字信号进行测试和验证时,眼图是非常成功的一种方法,眼图包括了几乎从101到010所有的组合情况。眼图包含了丰富的信息,除了基本的上升时间、下降时间、上冲、下冲、门限电平等参数,还可以反映噪声和抖动,码间串扰等数字信号完整性的特征,因而眼图分析是完整性分析的核心。
什么是眼图
我们先来看一下来自维基百科的定义:
眼图(eye pattern)是电信系统的一种示波器显示,显示接收器上的数字信号,而以资料速度来触发水平的更新,在许多不同的编码系统下,眼图看来会像几个并排在一起的眼睛,故此得名。眼图会将特定时间内所有可能的变化都重叠在一个屏幕上,是在基频方波调制系统中,评估信道噪声及符码间干扰的实验工具。
借由分析眼图可以看出许多系统的性能和问题,例如信号太长或太短、和时脉的同步不佳、信号电压太高或太低、太多噪声、变化太慢、或是有过冲 ( overshoot ) 或下冲(undershoot),都可以在眼图上看出。若眼图的“眼睛”部分越大,表示信号失真的幅度越小,若因噪声或是符码间干扰造成的信号失真,会使眼图的“眼睛”部分变小。
眼图是怎么形成的
简单来讲,就是所有位序列波形按照某一个基准点对齐叠加,然后就获得的类似眼睛形状的波形图,也就是眼图。


在示波器上显示的实际眼图
眼图的参数很多,如眼高、眼宽、眼幅度、眼交叉比、消光比、Q因子、误码率、平均功率等。
抖动和抖动分析
抖动是数字信号在短期内重要的瞬时变化相对于理想位置发生的偏移。眼图分析偏直观和感性认识,而抖动分析可以将系统性能做进一步的分析和测量,以提升高速电路的时序冗余度。
抖动分类定义在此就不再一一详述了,下图是分类图供参考。

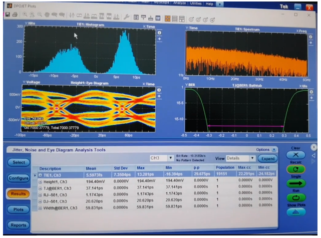
抖动分析经常使用波形直方图统计、时间间隔误差 (TIE) 直方图、TIE 趋势图和抖动频谱图等方法。步骤繁多,而泰克DPO/MSO70000系示波器提供了一键自动抖动分析功能,可以说解放了工程师们的双手,大大节约了时间。
观看视频不便的小伙伴,水哥给大家贴心的总结好了具体的步骤:
1. 打开Analyze菜单下的Jitter and Eye Analysis的子菜单One Touch Jitter, 就可以启动一键自动抖动分析功能。

2. 等待几分钟,在此过程中,示波器所有相关参数都会自动配置并进行检查。
3. 示波器自动给出报告,包括直方图,眼图等等。

4. 如果需要测量码率,可以点击Select按钮,选择Data Rate,然后点击Recalc按钮重新计算,我们就得到了码率结果。

5. 我们还可以点击Save按钮将报告保存至本地,报告包括详细的数据列表和直方图、趋势图、频谱图、眼图等图形数据。
这个大招怎么样,喝口茶的功夫,你就拿到了所有的图表数据,够不够震惊小伙伴们啊!
全站搜索