2023-08-17 11:25:28 | 人围观 | 评论:
渡越时间 (ToF) 子系统为各种应用提供快速距离测量,包括汽车驾驶员辅助系统、无人机,甚至用户界面。 虽然 ToF 应用十分广泛,但对技术要求高,且需要设计人员在精度、范围、响应时间、分辨率和成本、功耗、可用封装等要求之间取得平衡。
专用 ToF 设备提供了一定灵活性来帮助平衡这些要求,从而满足特定应用需求。 两种这样的专用设备提供了替代方案,它们是 Texas Instruments TDC7201 时间数字转换器和 Intersil ISL29501 ToF 信号处理 IC。
本文将首先简要介绍 ToF 的工作原理,然后再介绍这两种解决方案,它们如何解决 ToF 系统设计人员的需求,以及它们的评估和使用方法。
ToF 的工作原理
ToF 法是使用光波、超声和雷达技术感应远程物体的关键所在。 这些 ToF 系统的操作原理相对简单。 发射器发出调制信号,目标物将一部分信号反射回到接收器。 接收到的信号与发射的信号通过专用处理器关联,处理器测量渡越时间并计算目标物的对应距离(图 1)。

图 1: 为了测量到目标物的距离,ToF 子系统通过专用处理器关联发射信号和反射信号,以便转换为距离测量。 (图片来源:Texas Instruments)
关键要求
在测量技术中,由于 LED 或激光发射器及其对应光电探测器的出现,光检测和测距 (LiDAR) 技术已成为日益增长的消费应用中的普遍选择。 但以光速(空气中大约 300,000 km/s)工作时,LiDAR 系统需要快速可靠地执行其功能,尤其是对于旨在检测非常近的目标物的应用。 例如,距离为 1 cm 的目标物,渡越时间仅约 67 皮秒。
定制构建的 ToF 系统可以达到高度专业应用中使用的超短距离测量所需的皮秒分辨率。 对于这些定制系统,工程师根据馈送测量逻辑的复杂信号链(通常使用 FPGA 实现)创建 ToF 设计,以实现所需的性能水平。
但对于主流消费应用,开发人员面临的性能挑战难度通常要小,重点转向低成本、规格和功耗,而不是单纯的测量速度和分辨率。
即使满足了主流应用预期的规格和成本要求,ToF 系统也面临许多信号要求。 长距离或短距离应用必须应对由距离引起的干扰能量源或减少的能量反馈,以及由空气尘粒和/或潮湿引起的波束发散。 在这些情况下,工程师可能需要设计专门的接收器信号链来处理低信噪比、调制和关联方面的要求。
这些挑战在扫描 ToF 中变得更为突出,其中输出能量为目标物绘制一个很长的扫描带,以便在目标场景中创建一个更全面的深度透视。
对于这里要讨论的更为常见的单点测距系统,专用 ToF 检测器的出现极大简化了这些系统的设计。 对于一般的测距应用,Texas Instruments TDC7201 时间数字转换器 (TDC) 提供了可支持超声、光和雷达等技术的通用解决方案。 4 mm x 4 mm 封装集成了所需的精准定时电路来确定渡越时间,使工程师可以集中精力优化 ToF 设计中的发射器和接收器级。
在系统层面,除了生成和检测信号的需求外,TDC7201 还在发射器和接收器级增加了一项简单要求。 工程师需要确保发射器和接收器都发出一个 10 ns (min) 脉冲到 TDC7201,以指明渡越开始和结束的时间。 反过来,TDC7201 将自动测量脉冲信号从开始到停止所用的时间并计算实际渡越时间。 最终结果、原始数据和配置数据均保存在专用的寄存器中,可通过设备的 SPI 接口访问。 通过额外增加一个主机处理器(如 TI MSP430),该模块化设计提供了一个精密的 ToF 系统(图 2)。

图 2: 通过集成一对时间数字转换器,Texas Instruments TDC7201 极大简化了要求专用发射器和接收器级的应用中的渡越时间设计。 (图片来源:Texas Instruments)
除了减少设计封装和零件数量外,这些集成式设备一般使用低功耗运行模式,有助于在电池供电应用(如移动设备和无人机)中节省电能。 例如,Texas Instruments TDC7201 TDC 在有源模式、空闲模式和关断模式下分别仅消耗约 2.7 mA、100 µA 和 600 nA 电流。 实际上,典型应用可能每秒只需要一个或两个测距操作,因此一般主要是空闲状态占用功耗。
此外,如下所述,TDC7201 在长距离目标检测所需的扩展测量周期之外,可提供减少功耗的测量模式。
范围灵活性
TDC7201 集成了一对独立的 TDC,从而组成一个高频环形振荡器和计数器。 每个 TDC 均包含开始输入和停止输入,分别对应发射器生成光束(或声波)的时间和被接收器检测到的时间。 对于持续时间小于约 2 µs 的渡越,每个 TDC 在有源状态下运行,使用内部环形振荡器测量渡越时间。 因此在该模式(称为测量模式一)中,设备在空闲状态的 100 µA 功耗和有源状态的 2.7 mA 功耗之间转换。
TDC7201 提供的第二种测量模式可针对较长时间的渡越减少功耗。 在该模式中,设备在有源状态的持续时间不超过一个外部 16 MHz(最大)时钟的周期。 在有源状态下,设备使用内部环形振荡器测量开始或停止信号和外部时钟下一个上升沿之间的时间增量。 在这些开始事件和停止事件之间,设备进入仅消耗 140 µA 的低功耗状态。 在该状态中,TDC7201 关闭 TDC 并使用内部计数器计算外部时钟周期。 渡越结束后,TDC7201 使用两个环形振荡器测量数据(开始和停止)调整这个周期计数,并将最终结果存储在寄存器中。
通过这种方法,设备可在测量长时间渡越的同时保持低功耗要求,因为大部分渡越时间运行在 140 µA 状态下,只有在开始和停止测量时短暂切换到 2.7 mA 有源状态。
测量模式二可以为最多 8 ms 的长时间渡越实现低功耗运行。 另一方面,对计算完整时钟周期的依赖性意味着分辨率下限由外部时钟的周期宽度决定。 因此,标称 8 MHz 外部时钟的最小渡越持续时间是 250 ns 或大约 40 米最小距离。 为了测量更短的距离,开发人员可使用支持最低 12 ns(1.9 米)的测量模式一。
对于要求超短距离接近检测的应用,ToF 系统需要能够测量厘米级而不是米级的距离。 通过两个 TDC,TDC7201 为开发人员提供了一种方法来测量快至 0.25 ns(对应约 4 厘米)的渡越。 在这种方法中,主机 MCU 同时发送开始信号到两个 TDC(图 2 中的 START1 和 START2)。
反过来,如图 2 所示,发射器生成射出光束后发送停止信号到其中一个 TDC,接收器在收到对应入射信号后发送停止信号到另一个 TDC。 通过这种方法,TDC7201 为渡越开始和停止时间提供独立的精确测量。 两者的差值即为实际渡越时间(图 3)。

图 3: 通过 TDC7201 的两个独立时间数字转换器测量渡越开始时间 (T1) 和停止时间 (T2) 之间的差值,开发人员可测量低至 250 ps (4 cm) 的渡越持续时间 (T3)。 (图片来源:Texas Instruments)
TDC7201 等集成式设备可支持那些要求检测处于厘米范围内目标物的应用。 但在实践中,对于大多数应用来说,测量一致性通常比最小可实现距离更加重要。 为了帮助减少瞬态测量误差的影响,TDC7201 提供平均功能。 对于这一点,设备的内部 TDC 执行多个测量周期并计算平均结果。 与其他操作一样,TDC7201 执行这种平均序列,无需主机 MCU 干预。
TDC7201 还包括自动自校准功能,专用于减少由于温度变化或漂移引起的误差。 自校准序列在每次测量后自动执行,它将内部环形振荡器一个周期的持续时间与外部时钟进行比较,并将结果保存在内部寄存器中。 设备在将周期计数转换为实际 ToF 值时使用这些自校准值。
虽然设备考虑了测量误差,但结果的一致性关键还是取决于外部时钟本身。 重大的时钟抖动或频率误差会直接转换为测量中的误差。 因此,测量一致性要求选择频率误差和抖动特性低于目标物测量窗口的振荡器。
例如,Texas Instruments TDC7201-ZAX-EVM 评估模块使用 Abracon LLC ASFLMB 8-MHz 振荡器,指定频率稳定性和抖动分别为 50 ppm 和 10 ps。 对于 TDC7201 支持的持续时间测量,这些特性会引入通常远低于大多数应用分辨率阈值的误差。
集成 ToF 解决方案
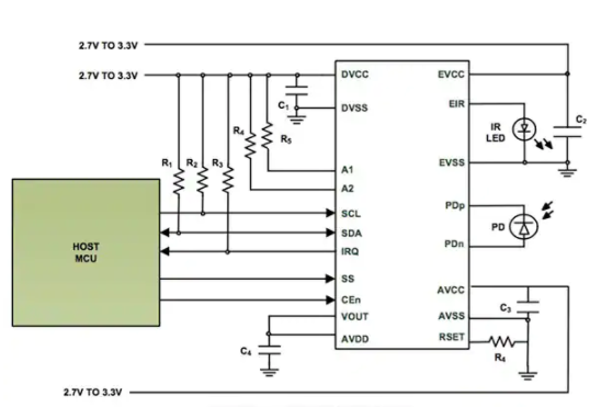
通过 TDC7201,设计人员可创建专用发射器驱动器和接收器信号链,以便克服由于距离或环境条件引起的不良信号状态。 但对于许多主流应用,零件数量和设计封装至关重要。 对于这些设计,Intersil ISL29501 ToF 信号处理器集成了发射器和接收器级,以最小的额外付出为短距离对象检测提供了有效的解决方案。
ISL29501 集成的数模转换器 (DAC) 可输出 255 mA 脉冲电流来直接驱动外部 LED 或激光。 对于接收器,开发人员可直接连接光电二极管到专用输入引脚。 此差分输入连接到一个完整的模拟信号链,其中包括跨阻放大器 (TIA)、低噪放大器 (LNA)、解调器、带通滤波器和模数转换器 (ADC)。 除了 LED 和光电二极管检测器,ISL29501 无需其他外部元器件,即可创建最多检测两米远目标的完整 ToF 解决方案(图 4)。

图 4: Intersil ISL29501 集成了发射器驱动器、接收器信号链和测量逻辑,开发人员只要少数额外的元器件即可创建完整的 ToF 设计。 (图片来源: Intersil)
ISL29501 向主机 MCU 提供距离信息和原始数据,信息可用后即发送中断。 使用该设备执行距离测量只需 I2C 串行接口上进行一些传输(列表 1)。

列表 1: 开发人员只需在 Intersil ISL29501 的 I2C 总线发送一些命令,即可启动自校准或时间测量等独立操作。 (代码来源: Intersil)
结论
目标物距离检测能力已成为越来越多的应用更具重要性的特征。 对于许多应用,减少设计封装、成本和功耗比实现极高分辨率和/或短距离测量的需求更为重要。 在这类应用中,工程师可找到满足特定要求组合的集成式 ToF 设备。
Texas Instruments TDC7201 TDC 简化了基于专用发射器和接收器级的 ToF 设计,Intersil ISL29501 ToF 信号处理器则为接近检测系统提供了一个直接替代型解决方案。 使用这些类型的设备,工程师可快速响应消费产品和工业产品中高性价比测距功能的需求。
全站搜索